РТ40/20 УХЛ4 16А Реле тока (арт. TN-7955) купить в интернет-магазине "Ай-Пи Элек Реле rt 10 схема подключения

< Предыдущая
Фото - 45
Следующая >
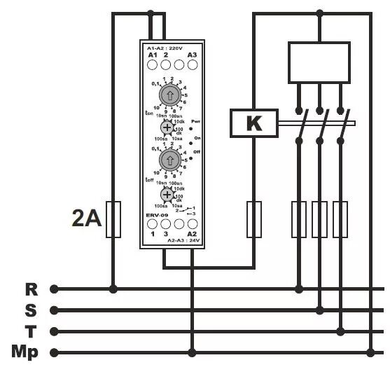
Реле rt 10 схема подключения Таймер циклический реле несимметричности цикла монтаж на дин DIN рейку, цена 455
Таймер циклический реле несимметричности цикла монтаж на дин DIN рейку, цена 455

Все фото на тему: Реле rt 10 схема подключения