Распиновка панели приора

Распиновка панели приора Бортовой компьютер multitronics c-590 - Lada Гранта, 1,6 л, 2016 года аксессуары
Бортовой компьютер multitronics c-590 - Lada Гранта, 1,6 л, 2016 года аксессуары
Распиновка панели приора Удлинитель поворотников (комфортные поворотники) - Lada Калина седан, 1,6 л, 200
Удлинитель поворотников (комфортные поворотники) - Lada Калина седан, 1,6 л, 200
Распиновка панели приора Комбинация приборов Приора 2 2172-3801010-00 - Lada Приора седан, 1,6 л, 2017 го
Комбинация приборов Приора 2 2172-3801010-00 - Lada Приора седан, 1,6 л, 2017 го
Распиновка панели приора Горят лампочки эмур и аварийка одновременно - Lada Калина хэтчбек, 1,6 л, 2010 г
Горят лампочки эмур и аварийка одновременно - Lada Калина хэтчбек, 1,6 л, 2010 г
Распиновка панели приора Сигнализатор (Индикация) ЗПТФ комбинации приборов 2172-3801010-20 Приора 2 - Lad
Сигнализатор (Индикация) ЗПТФ комбинации приборов 2172-3801010-20 Приора 2 - Lad
Распиновка панели приора Электросхемы автомобилей ВАЗ подробно Часть 2 - DRIVE2
Электросхемы автомобилей ВАЗ подробно Часть 2 - DRIVE2
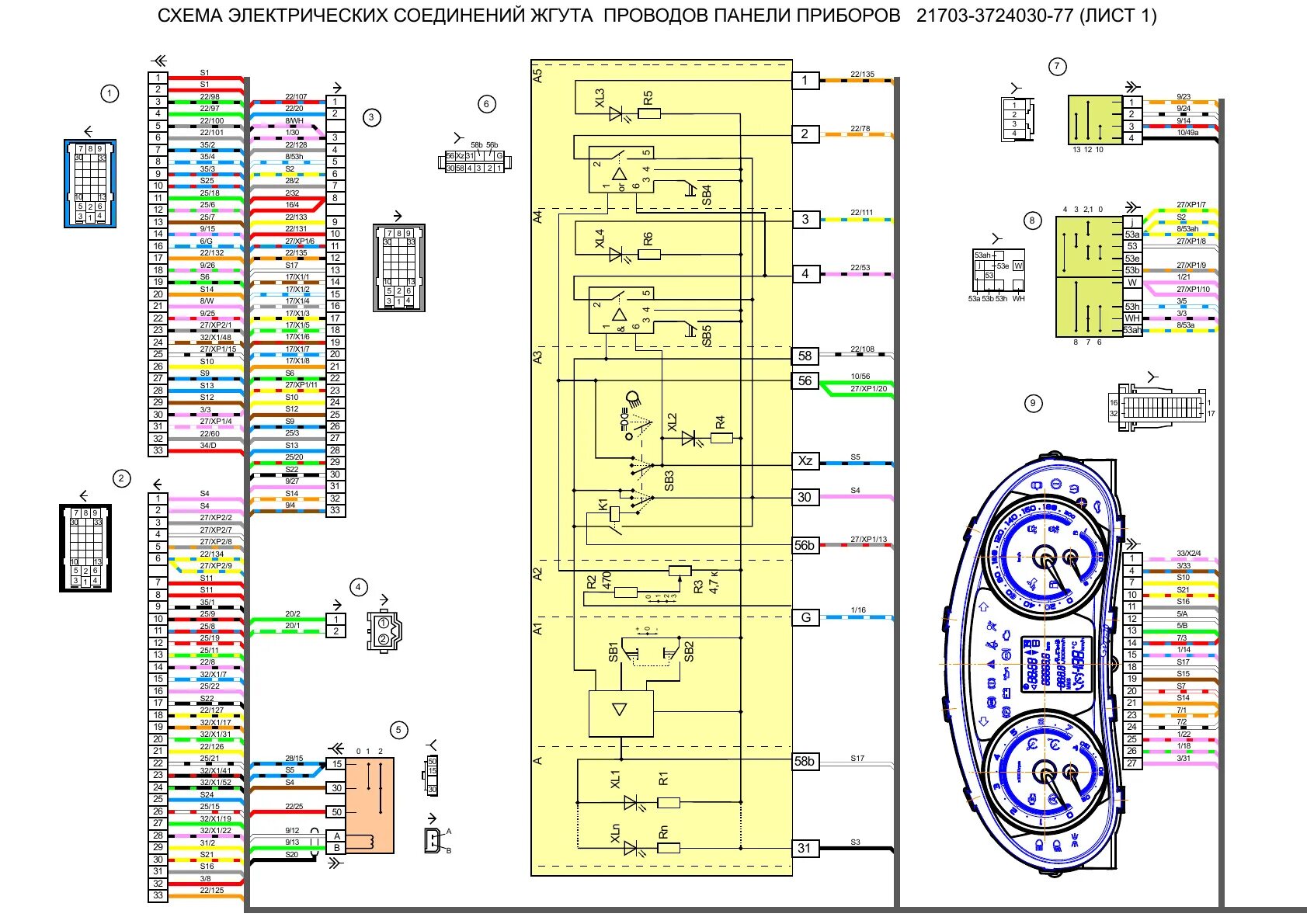
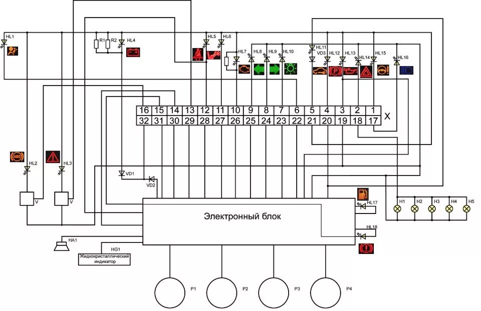
Распиновка панели приора Картинки РАСПИНОВКА ПРИБОРКИ ПРИОРА
Картинки РАСПИНОВКА ПРИБОРКИ ПРИОРА
Распиновка панели приора Комбинация приборов aka приборная панель @ Нива 4x4
Комбинация приборов aka приборная панель @ Нива 4x4
Распиновка панели приора Картинки РАСПИНОВКА ПРИБОРКИ ПРИОРА
Картинки РАСПИНОВКА ПРИБОРКИ ПРИОРА
Распиновка панели приора Аккумулятор, ABS и комбинация приборов 1118 (VDO) - Lada Калина универсал, 1,6 л
Аккумулятор, ABS и комбинация приборов 1118 (VDO) - Lada Калина универсал, 1,6 л
Распиновка панели приора Электросхемы автомобилей ВАЗ подробно Часть 3 - DRIVE2
Электросхемы автомобилей ВАЗ подробно Часть 3 - DRIVE2
Распиновка панели приора Переход на европанель (подробно) - Lada 21111, 1,5 л, 1999 года стайлинг DRIVE2
Переход на европанель (подробно) - Lada 21111, 1,5 л, 1999 года стайлинг DRIVE2
Распиновка панели приора Распиновка панели приборов веста - BestChehol.ru
Распиновка панели приборов веста - BestChehol.ru
Распиновка панели приора Подключение основных приборов приора на десятое семейство ваз. - Lada 21120, 1,5
Подключение основных приборов приора на десятое семейство ваз. - Lada 21120, 1,5
Распиновка панели приора Распиновка приборной панели приоры: найдено 90 изображений
Распиновка приборной панели приоры: найдено 90 изображений
Распиновка панели приора Приора салон 2 Часть "Приборка" - Lada 21099, 1,5 л, 2003 года электроника DRIVE
Приора салон 2 Часть "Приборка" - Lada 21099, 1,5 л, 2003 года электроника DRIVE
Распиновка панели приора Электросхемы и распиновки Гранта FL в комплектации люкс престиж. Эксклюзив - DRI
Электросхемы и распиновки Гранта FL в комплектации люкс престиж. Эксклюзив - DRI
Распиновка панели приора Приораприборы - Lada 21099, 1,5 л, 1997 года тюнинг DRIVE2
Приораприборы - Lada 21099, 1,5 л, 1997 года тюнинг DRIVE2
Распиновка панели приора Приора панель часть 2(Проводка) - Lada 21124, 1,6 л, 2006 года электроника DRIVE
Приора панель часть 2(Проводка) - Lada 21124, 1,6 л, 2006 года электроника DRIVE
Распиновка панели приора Замена панели приборов ВАЗ 2110 старого образца на нового - DRIVE2
Замена панели приборов ВАЗ 2110 старого образца на нового - DRIVE2
Распиновка панели приора Установка приборной панели "Ителма" в Ниву. - Lada 4x4 3D, 1,6 л, 2015 года элек
Установка приборной панели "Ителма" в Ниву. - Lada 4x4 3D, 1,6 л, 2015 года элек
Распиновка панели приора Электросхемы автомобилей ВАЗ подробно Часть 3 - DRIVE2
Электросхемы автомобилей ВАЗ подробно Часть 3 - DRIVE2
Распиновка панели приора Приборная панель от приоры в высокую панель. Часть 1. - Lada 21099, 1,5 л, 2002
Приборная панель от приоры в высокую панель. Часть 1. - Lada 21099, 1,5 л, 2002
Распиновка панели приора Рено логан распиновка приборной панели - 81 фото
Рено логан распиновка приборной панели - 81 фото
Распиновка панели приора Нужна распиновка приборки нивы 2020 - Lada 4x4 5D, 1,7 л, 2013 года запчасти DRI
Нужна распиновка приборки нивы 2020 - Lada 4x4 5D, 1,7 л, 2013 года запчасти DRI
Распиновка панели приора Установка сигнализации Starline a93 в Priora 2010г. - DRIVE2
Установка сигнализации Starline a93 в Priora 2010г. - DRIVE2
Распиновка панели приора Электросхемы автомобилей ВАЗ подробно Часть 3 - DRIVE2
Электросхемы автомобилей ВАЗ подробно Часть 3 - DRIVE2
Распиновка панели приора Установка бачка омывательной жидкости с датчиком - Lada 112 Coupe, 1,6 л, 2007 г
Установка бачка омывательной жидкости с датчиком - Lada 112 Coupe, 1,6 л, 2007 г
Распиновка панели приора Приборка приора в 2114 часть1. - Lada 2114, 1,6 л, 2007 года тюнинг DRIVE2
Приборка приора в 2114 часть1. - Lada 2114, 1,6 л, 2007 года тюнинг DRIVE2
Распиновка панели приора Esc приора как включить - фото - АвтоМастер Инфо
Esc приора как включить - фото - АвтоМастер Инфо