Проводка змз 406 карбюратор схема

Проводка змз 406 карбюратор схема Электро схема из книги для ЗМЗ 402 карбюр. - ГАЗ 3110, 2,5 л, 1998 года другое D
Электро схема из книги для ЗМЗ 402 карбюр. - ГАЗ 3110, 2,5 л, 1998 года другое D
Проводка змз 406 карбюратор схема Модернизация системы охлаждения - ГАЗ 3110, 2,3 л, 2003 года просто так DRIVE2
Модернизация системы охлаждения - ГАЗ 3110, 2,3 л, 2003 года просто так DRIVE2
Проводка змз 406 карбюратор схема газель с карба на инжектор - Сообщество "ГАЗ Волга" на DRIVE2
газель с карба на инжектор - Сообщество "ГАЗ Волга" на DRIVE2
Проводка змз 406 карбюратор схема ГАЗ 3102 Руководство по устройству и эксплуатации - купить автокнигу "ГАЗ 3102 Р
ГАЗ 3102 Руководство по устройству и эксплуатации - купить автокнигу "ГАЗ 3102 Р
Проводка змз 406 карбюратор схема косяк с микас 7.1 - ГАЗ Соболь, 2,3 л, 2003 года своими руками DRIVE2
косяк с микас 7.1 - ГАЗ Соболь, 2,3 л, 2003 года своими руками DRIVE2
Проводка змз 406 карбюратор схема Схема электрооборудования Газель 406 карбюратор
Схема электрооборудования Газель 406 карбюратор
Проводка змз 406 карбюратор схема Эбу на 421 часть 2 - УАЗ 31512, 3 л, 1988 года тюнинг DRIVE2
Эбу на 421 часть 2 - УАЗ 31512, 3 л, 1988 года тюнинг DRIVE2
Проводка змз 406 карбюратор схема Плата IGN-G-V2.0 для плавного включения/отключения ламп мощностью не более 35 Вт
Плата IGN-G-V2.0 для плавного включения/отключения ламп мощностью не более 35 Вт
Проводка змз 406 карбюратор схема Схема скрещивания проводки! - ГАЗ Соболь, 2003 года своими руками DRIVE2
Схема скрещивания проводки! - ГАЗ Соболь, 2003 года своими руками DRIVE2
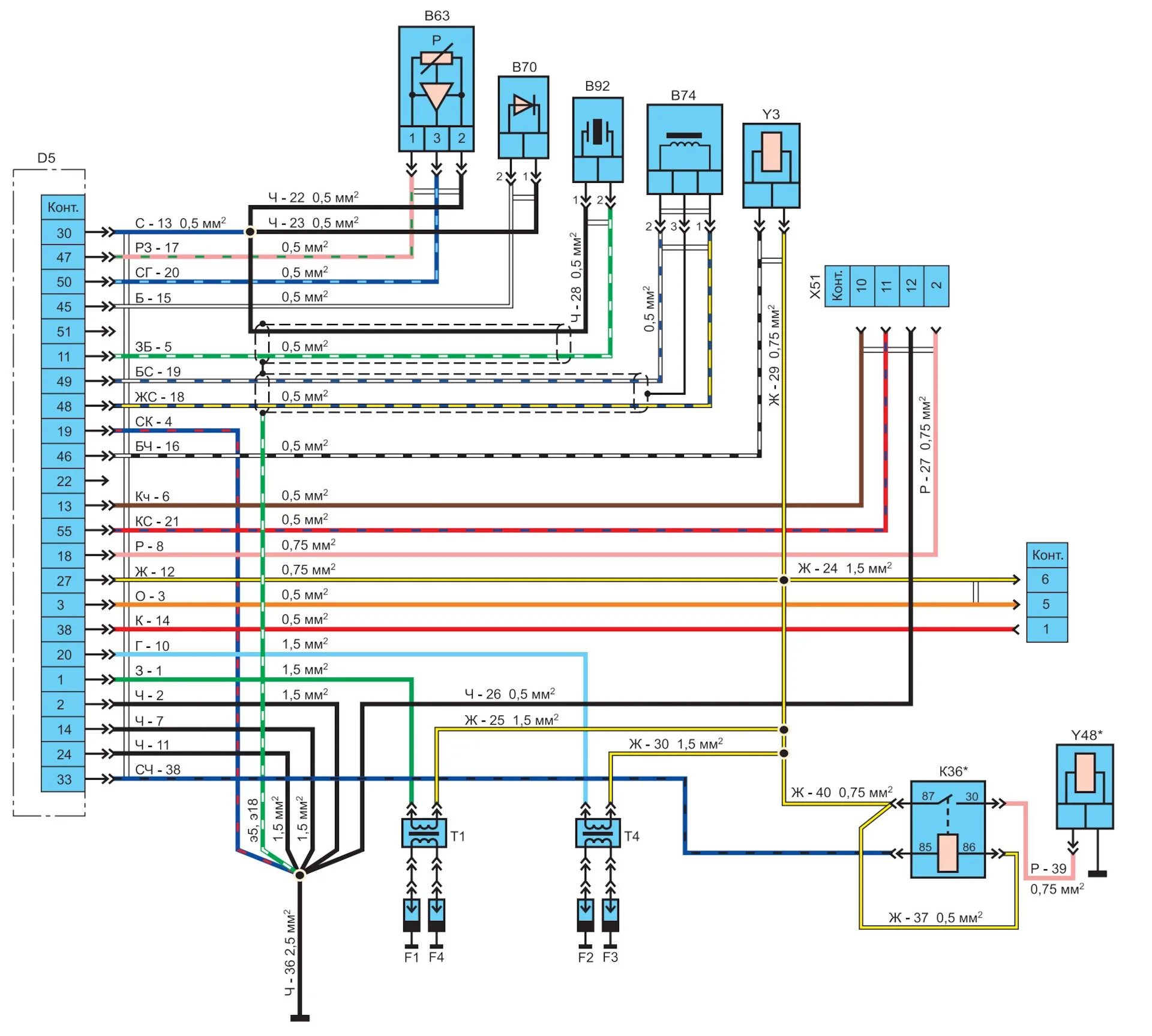
Проводка змз 406 карбюратор схема Схема системы управления двигателем ЗМЗ 4062 " Схемы предохранителей, электросхе
Схема системы управления двигателем ЗМЗ 4062 " Схемы предохранителей, электросхе
Проводка змз 406 карбюратор схема Иллюстрация 10 из 11 для "Волга" ГАЗ-3110, -310221 с двигателями 2,3i; 2,5. Устр
Иллюстрация 10 из 11 для "Волга" ГАЗ-3110, -310221 с двигателями 2,3i; 2,5. Устр
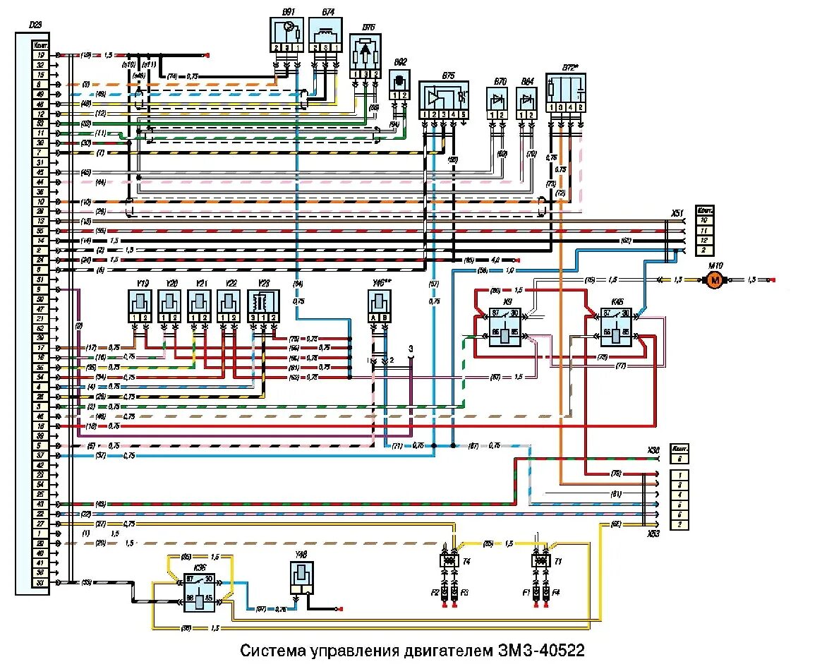
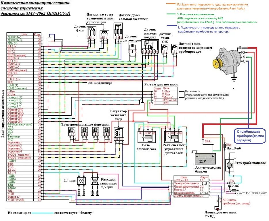
Проводка змз 406 карбюратор схема Электрическая схема комплексной микропроцессорной системы управления двигателем
Электрическая схема комплексной микропроцессорной системы управления двигателем
Проводка змз 406 карбюратор схема Эл схема газ 31105 с двигателем 406 инжектор CarsVideo.ru
Эл схема газ 31105 с двигателем 406 инжектор CarsVideo.ru
Проводка змз 406 карбюратор схема Разъем (соединение) Реле Газель,Волга,ВАЗ 4-конт. Колодка Гнездовая с Проводами
Разъем (соединение) Реле Газель,Волга,ВАЗ 4-конт. Колодка Гнездовая с Проводами
Проводка змз 406 карбюратор схема Волга Сайбер, схема электрооборудования
Волга Сайбер, схема электрооборудования
Проводка змз 406 карбюратор схема Оплавленная проводка под панелью - ГАЗ Газель, 2,5 л, 2008 года своими руками DR
Оплавленная проводка под панелью - ГАЗ Газель, 2,5 л, 2008 года своими руками DR
Проводка змз 406 карбюратор схема Scheme 2 GAZ-2705
Scheme 2 GAZ-2705
Проводка змз 406 карбюратор схема не заводится - ГАЗ 3102, 2,3 л, 1999 года поломка DRIVE2
не заводится - ГАЗ 3102, 2,3 л, 1999 года поломка DRIVE2
Проводка змз 406 карбюратор схема Ошибка 198 Газель эпхх на карбюраторе
Ошибка 198 Газель эпхх на карбюраторе
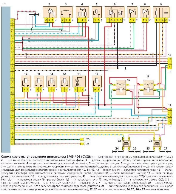
Проводка змз 406 карбюратор схема Схема системы управления двигателем ЗМЗ 406 (СУД) " Схемы предохранителей, элект
Схема системы управления двигателем ЗМЗ 406 (СУД) " Схемы предохранителей, элект
Проводка змз 406 карбюратор схема установка зажигания без трамблера на базе эбу микас 7.1 - ЛуАЗ 969, 1,6 л, 1989
установка зажигания без трамблера на базе эбу микас 7.1 - ЛуАЗ 969, 1,6 л, 1989
Проводка змз 406 карбюратор схема МПСЗ: УМЗ 4218/МИКАС 7 #4. Жгут системы зажигания - УАЗ 3153, 2,9 л, 2002 года т
МПСЗ: УМЗ 4218/МИКАС 7 #4. Жгут системы зажигания - УАЗ 3153, 2,9 л, 2002 года т
Проводка змз 406 карбюратор схема Газель, схема электрооборудования автомобиля с двигателем УМЗ-4063
Газель, схема электрооборудования автомобиля с двигателем УМЗ-4063
Проводка змз 406 карбюратор схема слабый заряд акКУМА - ГАЗ 31105, 2,3 л, 2007 года электроника DRIVE2
слабый заряд акКУМА - ГАЗ 31105, 2,3 л, 2007 года электроника DRIVE2
Проводка змз 406 карбюратор схема 406 на 31029 с сохранением укосины. Поключение ЭБУ, теплообменника. - ГАЗ 31029,
406 на 31029 с сохранением укосины. Поключение ЭБУ, теплообменника. - ГАЗ 31029,
Проводка змз 406 карбюратор схема Японский генератор на ЗМЗ 406 Часть 2 Схема. - ГАЗ 31105, 2,3 л, 2007 года элект
Японский генератор на ЗМЗ 406 Часть 2 Схема. - ГАЗ 31105, 2,3 л, 2007 года элект
Проводка змз 406 карбюратор схема Интерактивная схема электрооборудования с двигателем ЗМЗ-4062. ГАЗ 3110, 310221
Интерактивная схема электрооборудования с двигателем ЗМЗ-4062. ГАЗ 3110, 310221
Проводка змз 406 карбюратор схема Электросхемы ЗМЗ 405,406,406(старая панель) высокое разрешение - ГАЗ Соболь, 2,5
Электросхемы ЗМЗ 405,406,406(старая панель) высокое разрешение - ГАЗ Соболь, 2,5
Проводка змз 406 карбюратор схема Схема электрооборудования автомобиля Газель с двигателем УМЗ-4215
Схема электрооборудования автомобиля Газель с двигателем УМЗ-4215
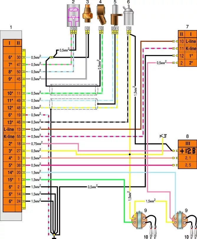
Проводка змз 406 карбюратор схема Microprocessor ignition system ZMZ-406
Microprocessor ignition system ZMZ-406