Проводка опель астра н схема

Проводка опель астра н схема Ремонт Opel Astra Опель Астра: Схемы электрооборудования. Описание, схемы, фото
Ремонт Opel Astra Опель Астра: Схемы электрооборудования. Описание, схемы, фото
Проводка опель астра н схема схемы электрооборудования - DRIVE2
схемы электрооборудования - DRIVE2
Проводка опель астра н схема Ремонт Opel Astra Опель Астра: Схемы электрооборудования. Описание, схемы, фото
Ремонт Opel Astra Опель Астра: Схемы электрооборудования. Описание, схемы, фото
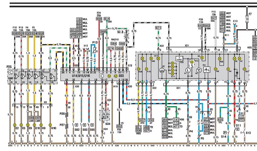
Проводка опель астра н схема Схемы электрооборудования автомобиля Опель Астра H
Схемы электрооборудования автомобиля Опель Астра H
Проводка опель астра н схема Схема 5. Переключатели света, фары, габаритные огни, освещение салона (Опель Век
Схема 5. Переключатели света, фары, габаритные огни, освещение салона (Опель Век
Проводка опель астра н схема Вопрос по заслонкам печки - Opel Astra H, 1,8 л, 2010 года электроника DRIVE2
Вопрос по заслонкам печки - Opel Astra H, 1,8 л, 2010 года электроника DRIVE2
Проводка опель астра н схема Схемы электрооборудования автомобиля Опель Астра H
Схемы электрооборудования автомобиля Опель Астра H
Проводка опель астра н схема Ремонт Opel Astra Опель Астра: Схемы электрооборудования. Описание, схемы, фото
Ремонт Opel Astra Опель Астра: Схемы электрооборудования. Описание, схемы, фото
Проводка опель астра н схема Поменял оптику. - Opel Astra H, 1,8 л, 2004 года тюнинг DRIVE2
Поменял оптику. - Opel Astra H, 1,8 л, 2004 года тюнинг DRIVE2
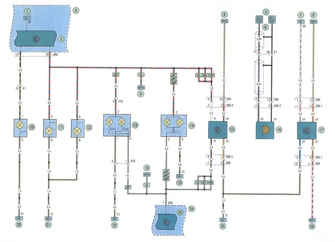
Проводка опель астра н схема Опель Астра Эйч. Электросхемы - часть 3
Опель Астра Эйч. Электросхемы - часть 3
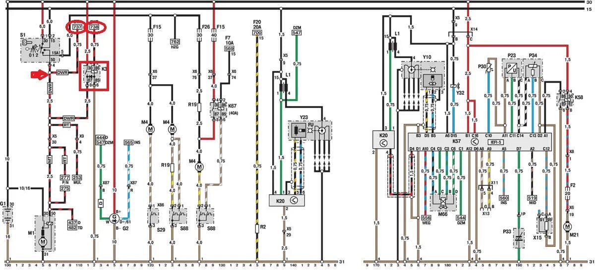
Проводка опель астра н схема Opel Astra H 2009г дв Z18XER не раб вентилятор сист охл - Opel Astra H - Форум а
Opel Astra H 2009г дв Z18XER не раб вентилятор сист охл - Opel Astra H - Форум а
Проводка опель астра н схема Электросхема фар тип 1 Opel Astra-H - Электросхемы автомобилей
Электросхема фар тип 1 Opel Astra-H - Электросхемы автомобилей
Проводка опель астра н схема Запчасти. Еще вопросы. - Opel Zafira A, 2 л, 2003 года своими руками DRIVE2
Запчасти. Еще вопросы. - Opel Zafira A, 2 л, 2003 года своими руками DRIVE2
Проводка опель астра н схема Opel Zafira B схема отопителя - Сообщество "Opel Astra" на DRIVE2
Opel Zafira B схема отопителя - Сообщество "Opel Astra" на DRIVE2
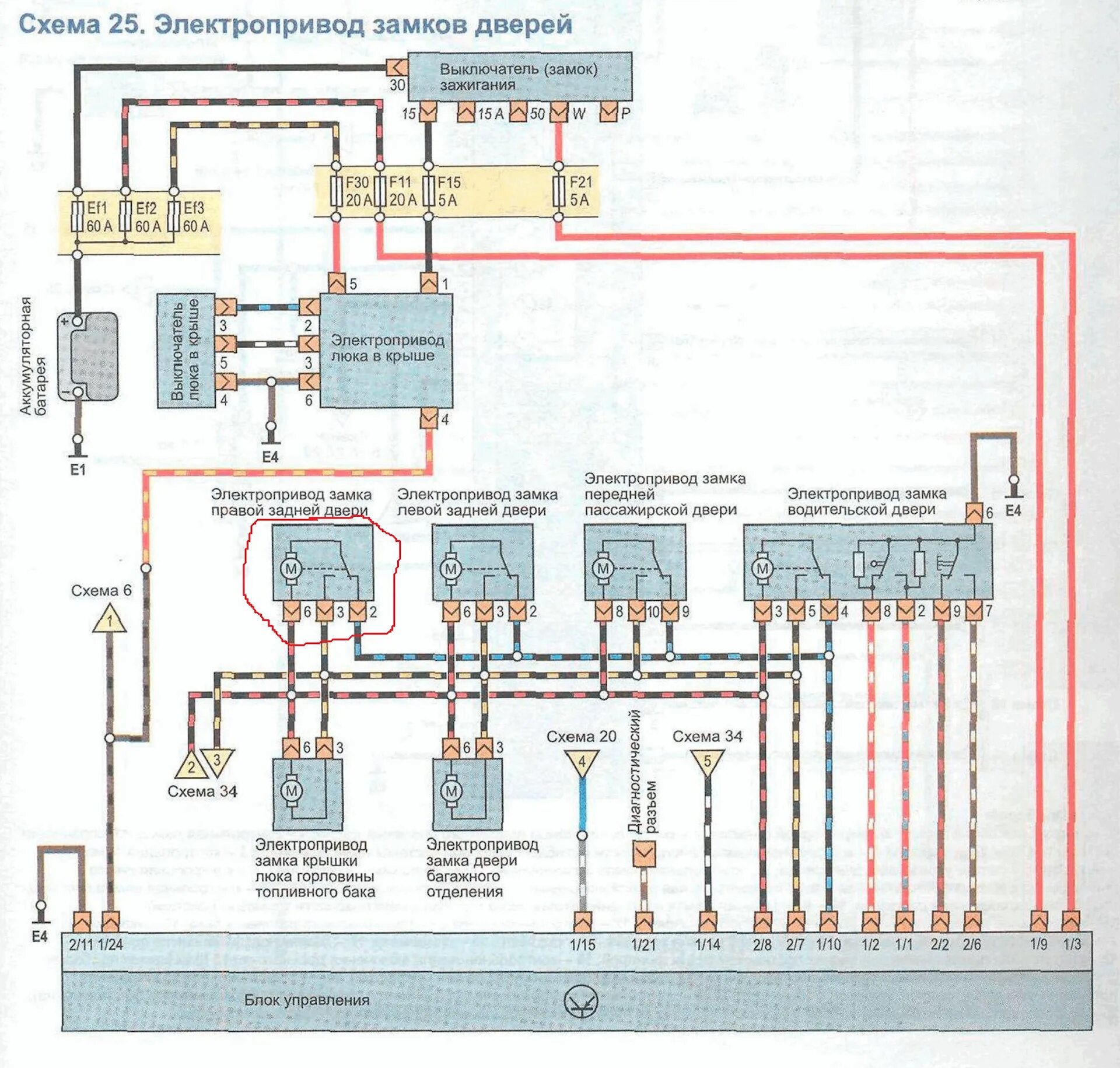
Проводка опель астра н схема Astra G. Как я разблокировал замок задней пассажирской двери. - Opel Astra G, 1,
Astra G. Как я разблокировал замок задней пассажирской двери. - Opel Astra G, 1,
Проводка опель астра н схема Руководство по ремонту и эксплуатации OOB 1999-2003 г.в. - Opel Omega B, 2,2 л,
Руководство по ремонту и эксплуатации OOB 1999-2003 г.в. - Opel Omega B, 2,2 л,
Проводка опель астра н схема Shema 20. Električni prozori (Opel Omega B2 1999-2003: Električna oprema: Elektr
Shema 20. Električni prozori (Opel Omega B2 1999-2003: Električna oprema: Elektr
Проводка опель астра н схема Схемы электрооборудования автомобиля Опель Астра H
Схемы электрооборудования автомобиля Опель Астра H
Проводка опель астра н схема Подключение сигнализации - Страница 5 - Astra F - Опель Клуб Первый Российский
Подключение сигнализации - Страница 5 - Astra F - Опель Клуб Первый Российский
Проводка опель астра н схема Монтажный блок опель астра h - КарЛайн.ру
Монтажный блок опель астра h - КарЛайн.ру
Проводка опель астра н схема Электрычная схема аўтаматычнай каробкі перадач (да лютага 1992 года) (Опель Астр
Электрычная схема аўтаматычнай каробкі перадач (да лютага 1992 года) (Опель Астр
Проводка опель астра н схема Схемы электрооборудования автомобиля Опель Астра H
Схемы электрооборудования автомобиля Опель Астра H
Проводка опель астра н схема Борьба с гирляндой. Часть 2. ABS как по маслу) - Opel Omega A, 2 л, 1992 года св
Борьба с гирляндой. Часть 2. ABS как по маслу) - Opel Omega A, 2 л, 1992 года св
Проводка опель астра н схема Опель астра h схема проводки бензонасоса LkbAuto.ru
Опель астра h схема проводки бензонасоса LkbAuto.ru
Проводка опель астра н схема схемы электрооборудования - DRIVE2
схемы электрооборудования - DRIVE2
Проводка опель астра н схема Схемы электрооборудования автомобиля Опель Астра H
Схемы электрооборудования автомобиля Опель Астра H
Проводка опель астра н схема Ремонт Опель Астра : Электросхема Opel Astra - модели выпуска с марта 1992 г. (ч
Ремонт Опель Астра : Электросхема Opel Astra - модели выпуска с марта 1992 г. (ч
Проводка опель астра н схема Не заводится (проблемы с проводкой)(решено) - Opel Astra F, 1,6 л, 1993 года сво
Не заводится (проблемы с проводкой)(решено) - Opel Astra F, 1,6 л, 1993 года сво
Проводка опель астра н схема MID аля БК или Trip computer - Opel Astra F, 1,6 л, 1994 года тюнинг DRIVE2
MID аля БК или Trip computer - Opel Astra F, 1,6 л, 1994 года тюнинг DRIVE2
Проводка опель астра н схема Astra Электро схема - ЗАЗ 1102, 1,2 л, 2006 года тюнинг DRIVE2
Astra Электро схема - ЗАЗ 1102, 1,2 л, 2006 года тюнинг DRIVE2