Протерм подключение системы отопления

Протерм подключение системы отопления Обвязка электрокотла Protherm - domtermspb.ru
Обвязка электрокотла Protherm - domtermspb.ru
Протерм подключение системы отопления Управление котлом GSM: как это работает? Особенности и рекомендации
Управление котлом GSM: как это работает? Особенности и рекомендации
Протерм подключение системы отопления Protherm Медведь РLO: Instruction manual and user guide, котлу. В случае возникш
Protherm Медведь РLO: Instruction manual and user guide, котлу. В случае возникш
Протерм подключение системы отопления Назначение и схемы подключения термостата для котла отопления
Назначение и схемы подключения термостата для котла отопления
Протерм подключение системы отопления Котёл PROTHERM KLOM 17. Настройка.
Котёл PROTHERM KLOM 17. Настройка.
Протерм подключение системы отопления Электрокотел протерм скат 12квт инструкция: Инструкции на Electric boilers Proth
Электрокотел протерм скат 12квт инструкция: Инструкции на Electric boilers Proth
Протерм подключение системы отопления Мои рабочие будни!Монтаж и обвязка котла Протерм Гепард 23мтв и одного панельног
Мои рабочие будни!Монтаж и обвязка котла Протерм Гепард 23мтв и одного панельног
Протерм подключение системы отопления Датчик температуры для котла отопления: виды, устроство, схема подключения
Датчик температуры для котла отопления: виды, устроство, схема подключения
Протерм подключение системы отопления Стеллаж пластмассовый Bel-Okna.ru
Стеллаж пластмассовый Bel-Okna.ru
Протерм подключение системы отопления Protherm теплоноситель
Protherm теплоноситель
Протерм подключение системы отопления Подключение термостата к газовому котлу: как подключить комнатный терморегулятор
Подключение термостата к газовому котлу: как подключить комнатный терморегулятор
Протерм подключение системы отопления Обвязка электрокотла Protherm - domtermspb.ru
Обвязка электрокотла Protherm - domtermspb.ru
Протерм подключение системы отопления Схемы цифрового подключения оборудования ZONT к котлам отопления - microline
Схемы цифрового подключения оборудования ZONT к котлам отопления - microline
Протерм подключение системы отопления Фугас stout фото - DelaDom.ru
Фугас stout фото - DelaDom.ru
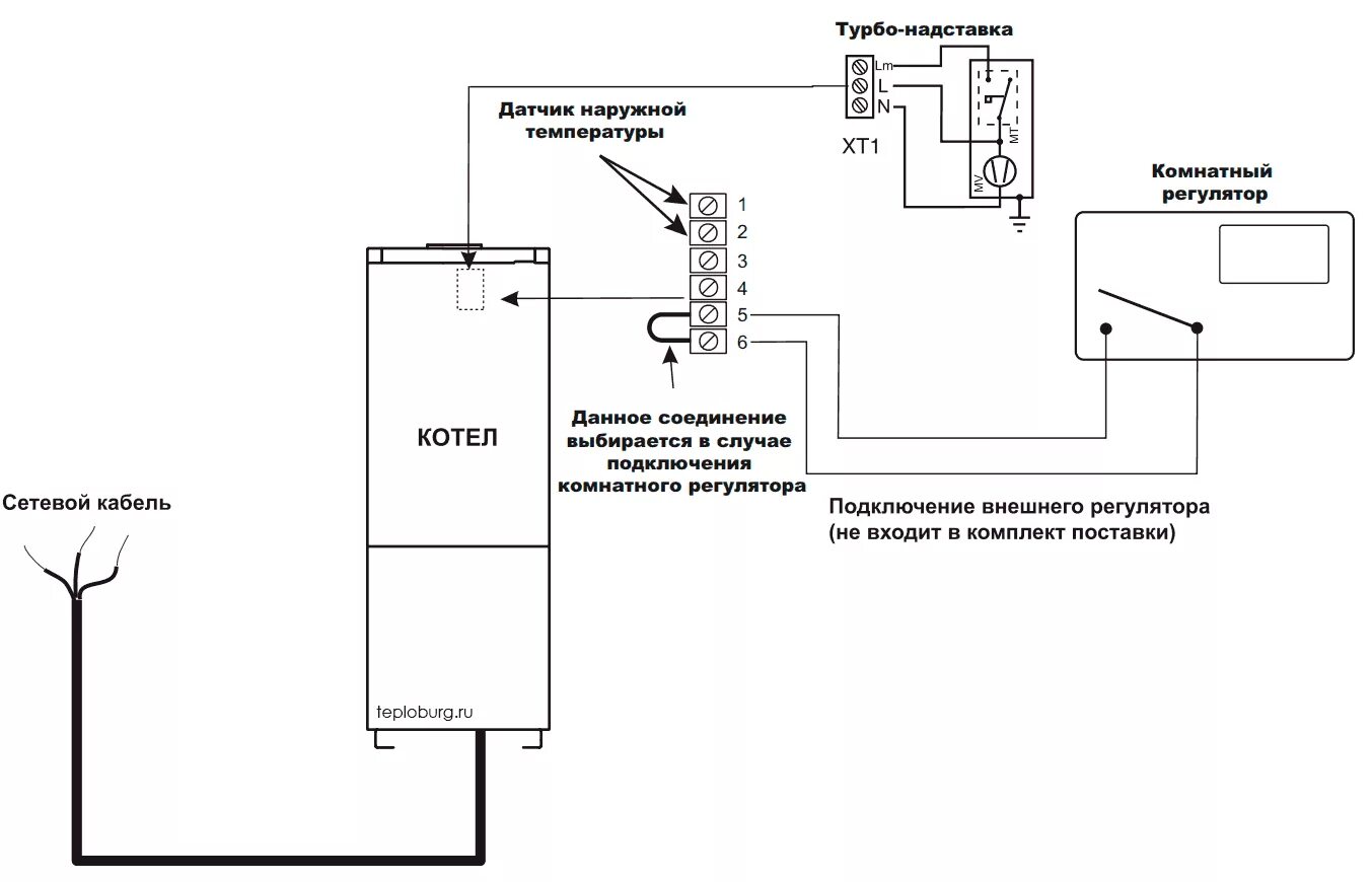
Протерм подключение системы отопления Подключение напольного котла Protherm Медведь KLOM к блоку управления котлом Кси
Подключение напольного котла Protherm Медведь KLOM к блоку управления котлом Кси
Протерм подключение системы отопления Котел protherm скат: особенности, плюсы и минусы, установка, модельный ряд
Котел protherm скат: особенности, плюсы и минусы, установка, модельный ряд
Протерм подключение системы отопления Ошибки и неисправности в газовых котлах protherm: возможные коды (f01, f02, f04,
Ошибки и неисправности в газовых котлах protherm: возможные коды (f01, f02, f04,
Протерм подключение системы отопления Картинки ПРОТЕРМ КОТЛЫ СХЕМА ПОДКЛЮЧЕНИЯ
Картинки ПРОТЕРМ КОТЛЫ СХЕМА ПОДКЛЮЧЕНИЯ
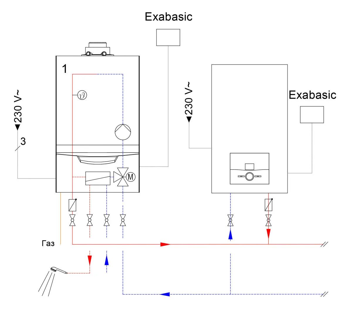
Протерм подключение системы отопления прошу оценить схему из двух котлов.. - Форум сантехников, о сантехнике
прошу оценить схему из двух котлов.. - Форум сантехников, о сантехнике
Протерм подключение системы отопления Комплекты трехходовых клапанов для котлов купить по лучшей цене в СПб! - TeploGr
Комплекты трехходовых клапанов для котлов купить по лучшей цене в СПб! - TeploGr
Протерм подключение системы отопления Картинки ПРОТЕРМ КОТЛЫ СХЕМА ПОДКЛЮЧЕНИЯ
Картинки ПРОТЕРМ КОТЛЫ СХЕМА ПОДКЛЮЧЕНИЯ
Протерм подключение системы отопления Электрический котел Protherm Скат монтаж Краснодар - YouTube
Электрический котел Protherm Скат монтаж Краснодар - YouTube
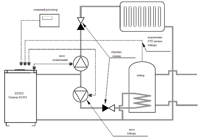
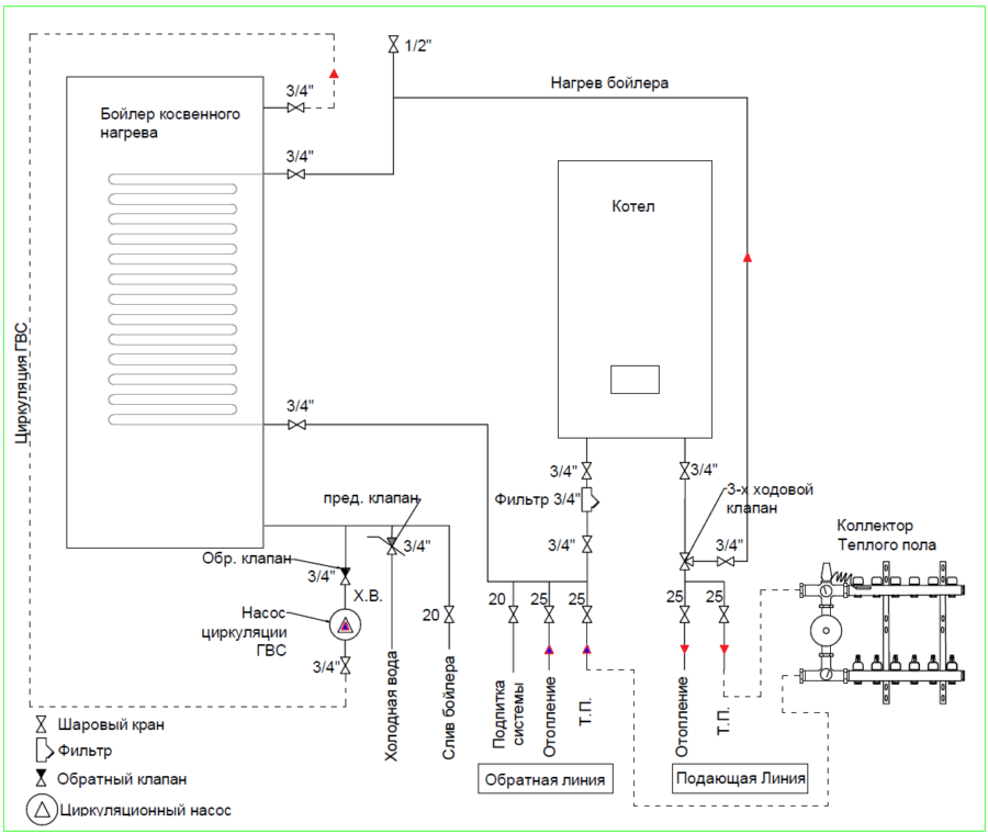
Протерм подключение системы отопления Protherm KLOM: подключение бойлера и дополнительных устройств
Protherm KLOM: подключение бойлера и дополнительных устройств
Протерм подключение системы отопления Газовый котел Protherm Медведь 30 KLZ: двухконтурная и одноконтурная модели, инс
Газовый котел Protherm Медведь 30 KLZ: двухконтурная и одноконтурная модели, инс
Протерм подключение системы отопления Протерм Скат (RAY) KE 14 подключение и настройка.
Протерм Скат (RAY) KE 14 подключение и настройка.
Протерм подключение системы отопления Комплект подключения бойлера к Скату 20015570 - цена 560 р.
Комплект подключения бойлера к Скату 20015570 - цена 560 р.
Протерм подключение системы отопления Датчик бойлера протерм klom - Каталог продукции
Датчик бойлера протерм klom - Каталог продукции
Протерм подключение системы отопления Подключение электрического котла ) - Котлотех
Подключение электрического котла ) - Котлотех
Протерм подключение системы отопления Электрокотел Протерм - отзывы, инструкция, модели
Электрокотел Протерм - отзывы, инструкция, модели
Протерм подключение системы отопления Протерм скат теплоноситель
Протерм скат теплоноситель