Правильное подключение вулкана

Правильное подключение вулкана VOLCANO V20 (mini) + регулятор для VR ARW 2,5
VOLCANO V20 (mini) + регулятор для VR ARW 2,5
Правильное подключение вулкана Волкано ВР2 Водяной тепловентилятор 50 кВт
Волкано ВР2 Водяной тепловентилятор 50 кВт
Правильное подключение вулкана Схема подключение тепловентилятора Volcano AC - YouTube
Схема подключение тепловентилятора Volcano AC - YouTube
Правильное подключение вулкана Volcano Потенциометр VR EC (0-10 V) VTS Group - 1-4-0101-0453 - 1,942.00
Volcano Потенциометр VR EC (0-10 V) VTS Group - 1-4-0101-0453 - 1,942.00
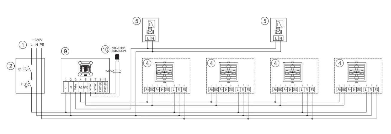
Правильное подключение вулкана Электрические схемы подключения Volcano 2019 - ПРИТОК
Электрические схемы подключения Volcano 2019 - ПРИТОК
Правильное подключение вулкана Тепловентилятор Volcano VR2 EC купить в Екатеринбурге, цена, характеристики Очаг
Тепловентилятор Volcano VR2 EC купить в Екатеринбурге, цена, характеристики Очаг
Правильное подключение вулкана Как подключить VOLCANO VR1 тепловентилятор к магистрали отопления
Как подключить VOLCANO VR1 тепловентилятор к магистрали отопления
Правильное подключение вулкана Как подключить тепловентилятор VOLCANO V45 к магистрали отопления
Как подключить тепловентилятор VOLCANO V45 к магистрали отопления
Правильное подключение вулкана Тепловентилятор водяной Vts Volcano VR MINI (EC-двигатель) купить за 10986 грн н
Тепловентилятор водяной Vts Volcano VR MINI (EC-двигатель) купить за 10986 грн н
Правильное подключение вулкана Volcano VR3 AC водяной тепловентилятор - цена, купить, отзывы, доставка по Москв
Volcano VR3 AC водяной тепловентилятор - цена, купить, отзывы, доставка по Москв
Правильное подключение вулкана Volcano VR4 AC водяной тепловентилятор - цена, купить, отзывы, доставка по Москв
Volcano VR4 AC водяной тепловентилятор - цена, купить, отзывы, доставка по Москв
Правильное подключение вулкана Электрические схемы подключения Volcano 2019 - ПРИТОК
Электрические схемы подключения Volcano 2019 - ПРИТОК
Правильное подключение вулкана Volcano vr1 ec схема подключения
Volcano vr1 ec схема подключения
Правильное подключение вулкана Подключение Volcano VR2 AC - YouTube
Подключение Volcano VR2 AC - YouTube
Правильное подключение вулкана Контроллер HMI ec Volcano
Контроллер HMI ec Volcano
Правильное подключение вулкана Volcano VR mini AC водяной тепловентилятор - цена, купить, отзывы, доставка по М
Volcano VR mini AC водяной тепловентилятор - цена, купить, отзывы, доставка по М
Правильное подключение вулкана Электрические схемы подключения Volcano 2019 - ПРИТОК
Электрические схемы подключения Volcano 2019 - ПРИТОК
Правильное подключение вулкана Volcano vr2 схема подключения
Volcano vr2 схема подключения
Правильное подключение вулкана HMI VR 0-10, для Volcano ec - Цена
HMI VR 0-10, для Volcano ec - Цена
Правильное подключение вулкана Электрические схемы подключения Volcano 2019 - ПРИТОК
Электрические схемы подключения Volcano 2019 - ПРИТОК
Правильное подключение вулкана Размещение и монтаж тепловентиляторов VOLCANO
Размещение и монтаж тепловентиляторов VOLCANO
Правильное подключение вулкана Volcano Потенциометр VR EC (0-10 V) VTS Group - 1-4-0101-0453 - 1,942.00
Volcano Потенциометр VR EC (0-10 V) VTS Group - 1-4-0101-0453 - 1,942.00
Правильное подключение вулкана VOLCANO V20 (mini) + термостат HMI + регулятор для VR ARWE 2,5
VOLCANO V20 (mini) + термостат HMI + регулятор для VR ARWE 2,5
Правильное подключение вулкана Картинки ПОДКЛЮЧЕНИЕ VOLCANO
Картинки ПОДКЛЮЧЕНИЕ VOLCANO
Правильное подключение вулкана Схема подключения volcano vr1 ac
Схема подключения volcano vr1 ac
Правильное подключение вулкана Контроллер Volcano EC 1-4-0-2801-0157 купить в Екатеринбурге в интернет-магазине
Контроллер Volcano EC 1-4-0-2801-0157 купить в Екатеринбурге в интернет-магазине
Правильное подключение вулкана Как подключить водяной тепловентилятор VOLCANO VR (AC/EC)? Схемы подключения теп
Как подключить водяной тепловентилятор VOLCANO VR (AC/EC)? Схемы подключения теп
Правильное подключение вулкана Контроллер HMI-HY ec Volcano
Контроллер HMI-HY ec Volcano
Правильное подключение вулкана Тепловентилятор Volcano VR1 AC в Екатеринбурге по цене 43300 рублей, купить возд
Тепловентилятор Volcano VR1 AC в Екатеринбурге по цене 43300 рублей, купить возд
Правильное подключение вулкана Настенный регулятор WING/VOLCANO купить в Москве в интернет-магазине КлиматМарке
Настенный регулятор WING/VOLCANO купить в Москве в интернет-магазине КлиматМарке