Правильное подключение птф лада гранта

Правильное подключение птф лада гранта Установка ПТФ - Lada Vesta SW, 1,6 л, 2018 года электроника DRIVE2
Установка ПТФ - Lada Vesta SW, 1,6 л, 2018 года электроника DRIVE2
Правильное подключение птф лада гранта Установка ПТФ перед, Гранта. - Lada Гранта, 1,6 л, 2012 года стайлинг DRIVE2
Установка ПТФ перед, Гранта. - Lada Гранта, 1,6 л, 2012 года стайлинг DRIVE2
Правильное подключение птф лада гранта Противотуманные фанари "Wassa" - Lada 21074, 1,6 л, 2006 года электроника DRIVE2
Противотуманные фанари "Wassa" - Lada 21074, 1,6 л, 2006 года электроника DRIVE2
Правильное подключение птф лада гранта Подключение противотуманок! - Lada Калина универсал, 1,6 л, 2011 года электроник
Подключение противотуманок! - Lada Калина универсал, 1,6 л, 2011 года электроник
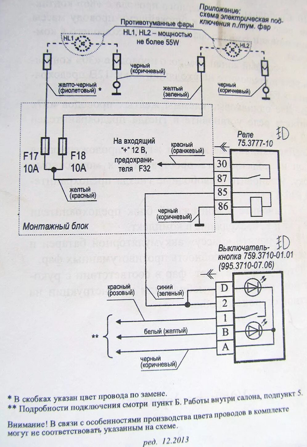
Правильное подключение птф лада гранта Комплект для подключения противотуманных фар 1117-19 "Калина" (при наличии модул
Комплект для подключения противотуманных фар 1117-19 "Калина" (при наличии модул
Правильное подключение птф лада гранта ПТФ вкл. Lada Granta AT. - Lada Гранта, 1,6 л, 2012 года стайлинг DRIVE2
ПТФ вкл. Lada Granta AT. - Lada Гранта, 1,6 л, 2012 года стайлинг DRIVE2
Правильное подключение птф лада гранта ПТФ и накладка заднего бампера - Lada Калина 2 хэтчбек, 1,6 л, 2014 года аксессу
ПТФ и накладка заднего бампера - Lada Калина 2 хэтчбек, 1,6 л, 2014 года аксессу
Правильное подключение птф лада гранта Установка ПТФ на Гранту. - Lada Гранта, 1,6 л, 2012 года электроника DRIVE2
Установка ПТФ на Гранту. - Lada Гранта, 1,6 л, 2012 года электроника DRIVE2
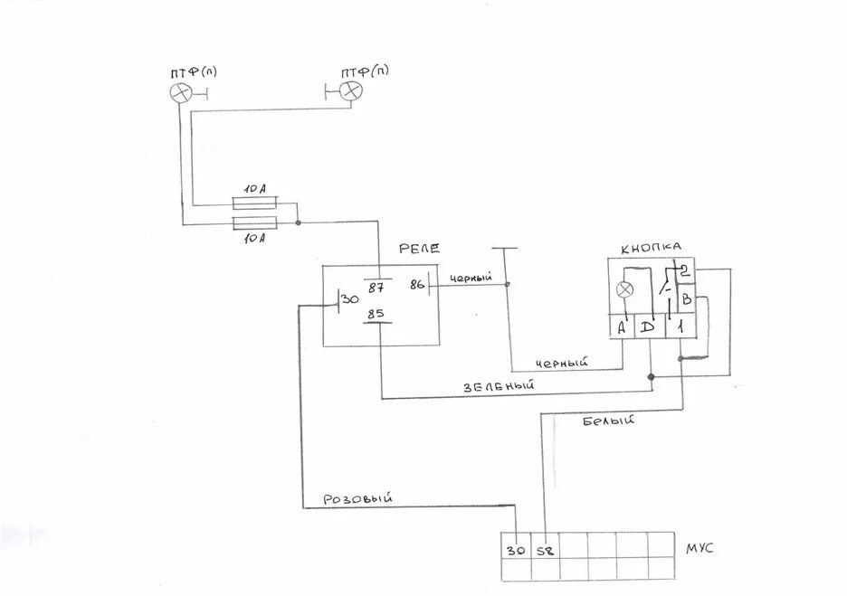
Правильное подключение птф лада гранта Штатная установка ПТФ через МУС с индикации приборной панели - Lada Гранта лифтб
Штатная установка ПТФ через МУС с индикации приборной панели - Lada Гранта лифтб
Правильное подключение птф лада гранта Установка противотуманок на лада гранта: схема подключения ПТФ
Установка противотуманок на лада гранта: схема подключения ПТФ
Правильное подключение птф лада гранта Установка противотуманок на лада гранта: схема подключения ПТФ
Установка противотуманок на лада гранта: схема подключения ПТФ
Правильное подключение птф лада гранта Подключение противотуманок! - Lada Калина универсал, 1,6 л, 2011 года электроник
Подключение противотуманок! - Lada Калина универсал, 1,6 л, 2011 года электроник
Правильное подключение птф лада гранта Птф и я ближе к люксу - Lada Гранта лифтбек, 1,6 л, 2014 года тюнинг DRIVE2
Птф и я ближе к люксу - Lada Гранта лифтбек, 1,6 л, 2014 года тюнинг DRIVE2
Правильное подключение птф лада гранта Птф штатные на Гранту - Lada Гранта, 1,6 л, 2015 года электроника DRIVE2
Птф штатные на Гранту - Lada Гранта, 1,6 л, 2015 года электроника DRIVE2
Правильное подключение птф лада гранта Установка ПТФ - Lada Калина хэтчбек, 1,6 л, 2006 года электроника DRIVE2
Установка ПТФ - Lada Калина хэтчбек, 1,6 л, 2006 года электроника DRIVE2
Правильное подключение птф лада гранта Установка ПТФ на гранту норма. - Lada Гранта, 1,6 л, 2012 года своими руками DRI
Установка ПТФ на гранту норма. - Lada Гранта, 1,6 л, 2012 года своими руками DRI
Правильное подключение птф лада гранта Как подключить туманки на гранту 60 фото - KubZap.ru
Как подключить туманки на гранту 60 фото - KubZap.ru
Правильное подключение птф лада гранта 254. Подключение передних птф в бампере, восстановление шаровых, восстановление
254. Подключение передних птф в бампере, восстановление шаровых, восстановление
Правильное подключение птф лада гранта Установка ПТФ Wesem в Lada Granta FL - Lada Гранта (2G) FL, 1,6 л, 2018 года ста
Установка ПТФ Wesem в Lada Granta FL - Lada Гранта (2G) FL, 1,6 л, 2018 года ста
Правильное подключение птф лада гранта Установка птф. - Lada Гранта, 1,6 л, 2015 года тюнинг DRIVE2
Установка птф. - Lada Гранта, 1,6 л, 2015 года тюнинг DRIVE2
Правильное подключение птф лада гранта Подключение птф гранта через кнопку 60 фото - KubZap.ru
Подключение птф гранта через кнопку 60 фото - KubZap.ru
Правильное подключение птф лада гранта Подключение ПТФ в Лада Гранта - DRIVE2
Подключение ПТФ в Лада Гранта - DRIVE2
Правильное подключение птф лада гранта Установка ПТФ WESEM Лада Гранта FL с индикацией в панели приборов. - Lada Гранта
Установка ПТФ WESEM Лада Гранта FL с индикацией в панели приборов. - Lada Гранта
Правильное подключение птф лада гранта Установка противотуманных фар на Гранту. Часть 3 - Lada Гранта, 1,6 л, 2013 года
Установка противотуманных фар на Гранту. Часть 3 - Lada Гранта, 1,6 л, 2013 года
Правильное подключение птф лада гранта ТО-2 и стоит ли вообще их проходить. - Lada Гранта, 1,6 л, 2016 года плановое ТО
ТО-2 и стоит ли вообще их проходить. - Lada Гранта, 1,6 л, 2016 года плановое ТО
Правильное подключение птф лада гранта ПТФ, подключил - Lada Гранта, 1,6 л, 2014 года другое DRIVE2
ПТФ, подключил - Lada Гранта, 1,6 л, 2014 года другое DRIVE2
Правильное подключение птф лада гранта Установка ПТФ - Lada Гранта, 1,6 л, 2015 года стайлинг DRIVE2
Установка ПТФ - Lada Гранта, 1,6 л, 2015 года стайлинг DRIVE2
Правильное подключение птф лада гранта Бортжурнал Lada Гранта 1.6 87л.с.
Бортжурнал Lada Гранта 1.6 87л.с.
Правильное подключение птф лада гранта Установка и подключение ПТФ Калина своими руками - Lada Калина седан, 1,6 л, 200
Установка и подключение ПТФ Калина своими руками - Lada Калина седан, 1,6 л, 200
Правильное подключение птф лада гранта Небольшое внеплановое ТО и установка противотуманных фар - Lada Гранта, 1,6 л, 2
Небольшое внеплановое ТО и установка противотуманных фар - Lada Гранта, 1,6 л, 2