Правильное подключение электрического счетчика

Правильное подключение электрического счетчика Как правильно подключить электросчетчик HeatProf.ru
Как правильно подключить электросчетчик HeatProf.ru
Правильное подключение электрического счетчика Ответы Mail.ru: Как правильно сменить электрические пробки на автоматы.
Ответы Mail.ru: Как правильно сменить электрические пробки на автоматы.
Правильное подключение электрического счетчика Счетчик со и446 схема подключения in 2024 Shema
Счетчик со и446 схема подключения in 2024 Shema
Правильное подключение электрического счетчика Электросчетчик Меркурий 201.5 1ф 1 тариф купить в Смоленске
Электросчетчик Меркурий 201.5 1ф 1 тариф купить в Смоленске
Правильное подключение электрического счетчика Узлы учета электрической энергии
Узлы учета электрической энергии
Правильное подключение электрического счетчика Схема подключения однофазного электросчетчика ehto.ru
Схема подключения однофазного электросчетчика ehto.ru
Правильное подключение электрического счетчика Подключение электросчетчика однофазного HeatProf.ru
Подключение электросчетчика однофазного HeatProf.ru
Правильное подключение электрического счетчика Подключение однофазного электросчетчика - схема подключения
Подключение однофазного электросчетчика - схема подключения
Правильное подключение электрического счетчика Как правильно рассчитать электропроводку загородного дома, пример проекта энерго
Как правильно рассчитать электропроводку загородного дома, пример проекта энерго
Правильное подключение электрического счетчика Электросчетчик провод до заземления
Электросчетчик провод до заземления
Правильное подключение электрического счетчика Да будет свет или подключение электроэнергии в гараж! - УАЗ 31512, 2,4 л, 1995 г
Да будет свет или подключение электроэнергии в гараж! - УАЗ 31512, 2,4 л, 1995 г
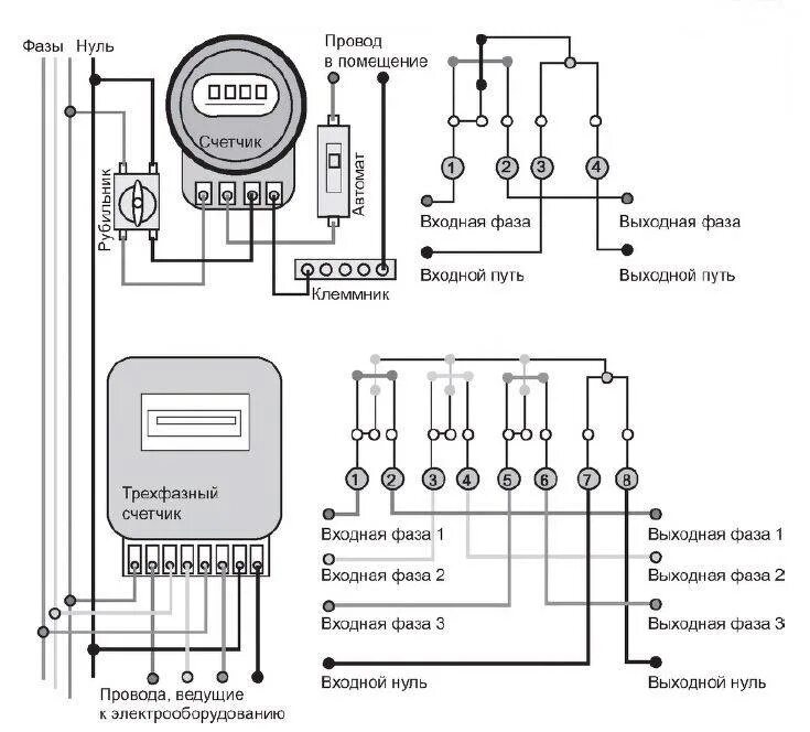
Правильное подключение электрического счетчика Подключение трехфазного электросчетчика - схема
Подключение трехфазного электросчетчика - схема
Правильное подключение электрического счетчика Как подключить счётчик электроэнергии
Как подключить счётчик электроэнергии
Правильное подключение электрического счетчика Перевод квт в амперы: соотношения ампер и киловатт, расчет и таблица перевода Пр
Перевод квт в амперы: соотношения ампер и киловатт, расчет и таблица перевода Пр
Правильное подключение электрического счетчика Подключение электрического счетчика
Подключение электрического счетчика
Правильное подключение электрического счетчика Замена старых однофазных электросчетчиков на новые stroimass.com
Замена старых однофазных электросчетчиков на новые stroimass.com
Правильное подключение электрического счетчика Счетчик Меркурий 201: 201.5, 201.7, 201.8 TLO, схема подключения
Счетчик Меркурий 201: 201.5, 201.7, 201.8 TLO, схема подключения
Правильное подключение электрического счетчика Схема подключение электросчетчика пошаговая фото инструкция
Схема подключение электросчетчика пошаговая фото инструкция
Правильное подключение электрического счетчика Контент ptaha - Страница 37 Школа ремонта. Ремонт своими руками. Советы професси
Контент ptaha - Страница 37 Школа ремонта. Ремонт своими руками. Советы професси
Правильное подключение электрического счетчика Как правильно подключить электросчетчик фото, видео - 38rosta.ru
Как правильно подключить электросчетчик фото, видео - 38rosta.ru
Правильное подключение электрического счетчика Схема подключения электросчетчика в квартире HeatProf.ru
Схема подключения электросчетчика в квартире HeatProf.ru
Правильное подключение электрического счетчика Проверяем правильность подключения счетчика Обзор от Пром-Каталог.Ру
Проверяем правильность подключения счетчика Обзор от Пром-Каталог.Ру
Правильное подключение электрического счетчика Схемы подключения квартирных электросчетчиков
Схемы подключения квартирных электросчетчиков
Правильное подключение электрического счетчика Как подключить однофазный электросчётчик: виды конструкций, простая схема монтаж
Как подключить однофазный электросчётчик: виды конструкций, простая схема монтаж
Правильное подключение электрического счетчика Подключение однофазного электросчетчика - схема подключения
Подключение однофазного электросчетчика - схема подключения
Правильное подключение электрического счетчика Электросчетчик. Учет потребленной электроэнергии
Электросчетчик. Учет потребленной электроэнергии
Правильное подключение электрического счетчика Однофазные счётчики электроэнергии - ТАЙПИТ-ИП
Однофазные счётчики электроэнергии - ТАЙПИТ-ИП
Правильное подключение электрического счетчика Установка счетчиков в Беларуси по выгодной цене - заказать на Пульсе цен
Установка счетчиков в Беларуси по выгодной цене - заказать на Пульсе цен
Правильное подключение электрического счетчика Схема подключения однофазного электросчетчика - YouTube
Схема подключения однофазного электросчетчика - YouTube
Правильное подключение электрического счетчика Ответы Mail.ru: Подсоединение электросчетчика на даче
Ответы Mail.ru: Подсоединение электросчетчика на даче