Подключение заземления в квартире

Подключение заземления в квартире Ответы Mail.ru: Электрикам: Реализация заземления в системе TN-C (старые дома в
Ответы Mail.ru: Электрикам: Реализация заземления в системе TN-C (старые дома в
Подключение заземления в квартире Подключение заземления в щитке фото - DelaDom.ru
Подключение заземления в щитке фото - DelaDom.ru
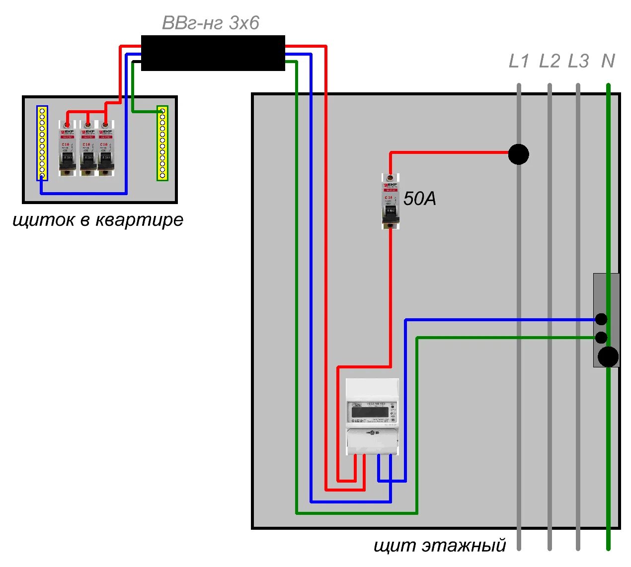
Подключение заземления в квартире Заземление в квартире и частном доме: типичные ошибки - Электромонтаж Пермь
Заземление в квартире и частном доме: типичные ошибки - Электромонтаж Пермь
Подключение заземления в квартире Картинки НАДО ЛИ ПОДКЛЮЧАТЬ
Картинки НАДО ЛИ ПОДКЛЮЧАТЬ
Подключение заземления в квартире Форум: щрн-12 ip54 как правильно заземлить
Форум: щрн-12 ip54 как правильно заземлить
Подключение заземления в квартире Скачать картинку КАК ПРАВИЛЬНО ПОДКЛЮЧИТЬ ПРОВОДА К № 44
Скачать картинку КАК ПРАВИЛЬНО ПОДКЛЮЧИТЬ ПРОВОДА К № 44
Подключение заземления в квартире Подключение заземления вместо нуля Электрика, Гаражные двери, Электротехника
Подключение заземления вместо нуля Электрика, Гаражные двери, Электротехника
Подключение заземления в квартире Как сделать заземляющий контур. Или заземлитель? СамЭлектрик.ру Дзен
Как сделать заземляющий контур. Или заземлитель? СамЭлектрик.ру Дзен
Подключение заземления в квартире Система заземления TN-C-S Электрика, Энергетические технологии, Электротехника
Система заземления TN-C-S Электрика, Энергетические технологии, Электротехника
Подключение заземления в квартире Соединения контура заземления
Соединения контура заземления
Подключение заземления в квартире Почему ноутбук бьёт током? Лучше узнать, чем потом жалеть
Почему ноутбук бьёт током? Лучше узнать, чем потом жалеть
Подключение заземления в квартире Подключение заземления в щитке фото - DelaDom.ru
Подключение заземления в щитке фото - DelaDom.ru
Подключение заземления в квартире Заземление в хрущевке HeatProf.ru
Заземление в хрущевке HeatProf.ru
Подключение заземления в квартире Молниезащита частного дома. Электрика, как надо! Дзен
Молниезащита частного дома. Электрика, как надо! Дзен
Подключение заземления в квартире Правильное заземление своими руками в частном доме и квартире
Правильное заземление своими руками в частном доме и квартире
Подключение заземления в квартире Заземление своими руками: принцип самостоятельного изготовления Электропроводка,
Заземление своими руками: принцип самостоятельного изготовления Электропроводка,
Подключение заземления в квартире Профессиональное заземление и зануление электроустановок " Электромонтажные рабо
Профессиональное заземление и зануление электроустановок " Электромонтажные рабо
Подключение заземления в квартире Подключение заземления в щитке фото - DelaDom.ru
Подключение заземления в щитке фото - DelaDom.ru
Подключение заземления в квартире Ремонт электрического оборудования в Санкт-Петербурге: 104 мастера по ремонту эл
Ремонт электрического оборудования в Санкт-Петербурге: 104 мастера по ремонту эл
Подключение заземления в квартире Куда подключать заземление фото - DelaDom.ru
Куда подключать заземление фото - DelaDom.ru
Подключение заземления в квартире Подключение заземления в щитке фото - DelaDom.ru
Подключение заземления в щитке фото - DelaDom.ru
Подключение заземления в квартире Фаза", "ноль" и "земля"- что это. Stroygud Дзен
Фаза", "ноль" и "земля"- что это. Stroygud Дзен
Подключение заземления в квартире Файл:Incorrect connect PE and N copy.jpg - Википедия
Файл:Incorrect connect PE and N copy.jpg - Википедия
Подключение заземления в квартире Защитное заземление в гараже (Часть 2) - KIA Soul EV (2G), 2016 года электроника
Защитное заземление в гараже (Часть 2) - KIA Soul EV (2G), 2016 года электроника
Подключение заземления в квартире Кабель ввг за метр фото - DelaDom.ru
Кабель ввг за метр фото - DelaDom.ru
Подключение заземления в квартире Pin auf Dielňa s nástrojmi in 2024 Schaltplan, Elektro, Planer
Pin auf Dielňa s nástrojmi in 2024 Schaltplan, Elektro, Planer
Подключение заземления в квартире Можно ли заземление кинуть на ноль: соединение нуля и заземления
Можно ли заземление кинуть на ноль: соединение нуля и заземления
Подключение заземления в квартире Как правильно подключить печку designinte.com
Как правильно подключить печку designinte.com
Подключение заземления в квартире Электрик недорого Услуги электрика Услуги в Астане. Срочно! Опыт - Электрика Нур
Электрик недорого Услуги электрика Услуги в Астане. Срочно! Опыт - Электрика Нур
Подключение заземления в квартире Irp 200 f фото - DelaDom.ru
Irp 200 f фото - DelaDom.ru