Подключение задних фар ваз 2112

Подключение задних фар ваз 2112 Схема передних фар ваз 2114 59 фото - KubZap.ru
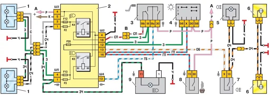
Схема передних фар ваз 2114 59 фото - KubZap.ru
Подключение задних фар ваз 2112 Provoda-peredney-fary-vaz-2114-schema Twokarburators.ru
Provoda-peredney-fary-vaz-2114-schema Twokarburators.ru
Подключение задних фар ваз 2112 Переделка штекера задних фар ваз 2110 - Lada 21102, 1,5 л, 2001 года электроника
Переделка штекера задних фар ваз 2110 - Lada 21102, 1,5 л, 2001 года электроника
Подключение задних фар ваз 2112 Где должны стоять стоп сигналы на ВАЗ 2112? - 2 ответа
Где должны стоять стоп сигналы на ВАЗ 2112? - 2 ответа
Подключение задних фар ваз 2112 Проводка и подключение птф ВАЗ 2114 - Lada 2114, 1,6 л, 2011 года электроника DR
Проводка и подключение птф ВАЗ 2114 - Lada 2114, 1,6 л, 2011 года электроника DR
Подключение задних фар ваз 2112 Стопы (стоп-сигналы) ВАЗ 2113, 2114, схема подключения
Стопы (стоп-сигналы) ВАЗ 2113, 2114, схема подключения
Подключение задних фар ваз 2112 Доработка задних фар 2115 - Lada 2115, 1,5 л, 2002 года расходники DRIVE2
Доработка задних фар 2115 - Lada 2115, 1,5 л, 2002 года расходники DRIVE2
Подключение задних фар ваз 2112 Диодные фонари Ваз 2110 - Lada 21104, 1,6 л, 2006 года стайлинг DRIVE2
Диодные фонари Ваз 2110 - Lada 21104, 1,6 л, 2006 года стайлинг DRIVE2
Подключение задних фар ваз 2112 Ставлю гранта зеркала. - Lada 2114, 1,5 л, 2005 года тюнинг DRIVE2
Ставлю гранта зеркала. - Lada 2114, 1,5 л, 2005 года тюнинг DRIVE2
Подключение задних фар ваз 2112 Прылада вонкавага асвятлення, светлавы і гукавы сігналізацыя (ВАЗ-2110 "LADA" 19
Прылада вонкавага асвятлення, светлавы і гукавы сігналізацыя (ВАЗ-2110 "LADA" 19
Подключение задних фар ваз 2112 Доработка задних габаритов и стоп-сигналов ВАЗ 2111
Доработка задних габаритов и стоп-сигналов ВАЗ 2111
Подключение задних фар ваз 2112 Замена плат задних фонарей, на патроны от классики))Или наконец-то они нормально
Замена плат задних фонарей, на патроны от классики))Или наконец-то они нормально
Подключение задних фар ваз 2112 Разъемы задних фонарей - Lada 21120, 1,5 л, 2003 года своими руками DRIVE2
Разъемы задних фонарей - Lada 21120, 1,5 л, 2003 года своими руками DRIVE2
Подключение задних фар ваз 2112 Не выключается ближний свет фар при выключенном зажигании - Лада 110: Электрика
Не выключается ближний свет фар при выключенном зажигании - Лада 110: Электрика
Подключение задних фар ваз 2112 Свет заднего хода ВАЗ 2114 (2113) схема подключения
Свет заднего хода ВАЗ 2114 (2113) схема подключения
Подключение задних фар ваз 2112 противотуманные фары - Lada 21101, 1,6 л, 2006 года стайлинг DRIVE2
противотуманные фары - Lada 21101, 1,6 л, 2006 года стайлинг DRIVE2
Подключение задних фар ваз 2112 Ивановская барахолка IvBB.RU * фонари светодиодные на ваз 2112
Ивановская барахолка IvBB.RU * фонари светодиодные на ваз 2112
Подключение задних фар ваз 2112 Неизвестные . - Lada 21100, 1,5 л, 1997 года электроника DRIVE2
Неизвестные . - Lada 21100, 1,5 л, 1997 года электроника DRIVE2
Подключение задних фар ваз 2112 Автоэлектрик в Евпатории
Автоэлектрик в Евпатории
Подключение задних фар ваз 2112 Кнопка противотуманных фар ваз 2114 распиновка - авто журнал инкам авто
Кнопка противотуманных фар ваз 2114 распиновка - авто журнал инкам авто
Подключение задних фар ваз 2112 Плавное включение ближнего света с задержкой - Lada 21114, 1,6 л, 2006 года элек
Плавное включение ближнего света с задержкой - Lada 21114, 1,6 л, 2006 года элек
Подключение задних фар ваз 2112 Как подключены стоп-сигналы на автомобиле ВАЗ 2115, схема TWOKARBURATORS Дзен
Как подключены стоп-сигналы на автомобиле ВАЗ 2115, схема TWOKARBURATORS Дзен
Подключение задних фар ваз 2112 Доработка задних фонарей - Lada 2115, 1,6 л, 2011 года своими руками DRIVE2
Доработка задних фонарей - Lada 2115, 1,6 л, 2011 года своими руками DRIVE2
Подключение задних фар ваз 2112 Установка блока (кнопки) Start Stop самостоятельно + иммобилайзер. Topsalestore
Установка блока (кнопки) Start Stop самостоятельно + иммобилайзер. Topsalestore
Подключение задних фар ваз 2112 Диодные клюшки! - Lada 21102, 1,5 л, 2001 года тюнинг DRIVE2
Диодные клюшки! - Lada 21102, 1,5 л, 2001 года тюнинг DRIVE2
Подключение задних фар ваз 2112 Лада ВАЗ-2110 седан 1995-2007: Устройство наружного освещения, световой и звуков
Лада ВАЗ-2110 седан 1995-2007: Устройство наружного освещения, световой и звуков
Подключение задних фар ваз 2112 установка ПТФ ваз 2112 (европанель) - Lada 21124, 1,6 л, 2008 года электроника D
установка ПТФ ваз 2112 (европанель) - Lada 21124, 1,6 л, 2008 года электроника D
Подключение задних фар ваз 2112 Доработка задних фонарей - Lada 21124, 1,6 л, 2005 года электроника DRIVE2
Доработка задних фонарей - Lada 21124, 1,6 л, 2005 года электроника DRIVE2
Подключение задних фар ваз 2112 Ещё больше света - Lada 21114, 1,6 л, 2006 года своими руками DRIVE2
Ещё больше света - Lada 21114, 1,6 л, 2006 года своими руками DRIVE2
Подключение задних фар ваз 2112 На ВАЗ-2110 не горят противотуманки, что делать?
На ВАЗ-2110 не горят противотуманки, что делать?