Подключение заднего дворника нива

Подключение заднего дворника нива Ремонт проводки Great Wall deer g3 (колхозинг) - DRIVE2
Ремонт проводки Great Wall deer g3 (колхозинг) - DRIVE2
Подключение заднего дворника нива Стеклоочистители - Lada 21093, 1,5 л, 1997 года своими руками DRIVE2
Стеклоочистители - Lada 21093, 1,5 л, 1997 года своими руками DRIVE2
Подключение заднего дворника нива Подключение заднего дворника нивы (схема) - Lada 4x4 3D, 1,7 л, 2002 года стайли
Подключение заднего дворника нивы (схема) - Lada 4x4 3D, 1,7 л, 2002 года стайли
Подключение заднего дворника нива Не работает омыватель заднего стекла ВАЗ 2112 - Форум AutoPeople
Не работает омыватель заднего стекла ВАЗ 2112 - Форум AutoPeople
Подключение заднего дворника нива Нива 4х4 ВАЗ-2121 1977-1994: Ремонт стеклоочистителей (Электрооборудование: Обор
Нива 4х4 ВАЗ-2121 1977-1994: Ремонт стеклоочистителей (Электрооборудование: Обор
Подключение заднего дворника нива Схема дворников ваз 2107 инжектор 60 фото - KubZap.ru
Схема дворников ваз 2107 инжектор 60 фото - KubZap.ru
Подключение заднего дворника нива Нива 4х4 ВАЗ-21213 1994-2006: Очиститель и омыватель ветрового стекла (Электрооб
Нива 4х4 ВАЗ-21213 1994-2006: Очиститель и омыватель ветрового стекла (Электрооб
Подключение заднего дворника нива Ответы Mail.ru: Подскажите схему обывателя ветрового стекла автомобиля Соболь?
Ответы Mail.ru: Подскажите схему обывателя ветрового стекла автомобиля Соболь?
Подключение заднего дворника нива Насос омывателя стекла задней двери Нива 21213 схема
Насос омывателя стекла задней двери Нива 21213 схема
Подключение заднего дворника нива Омыватель ветрового стекла Нива 21213 схема подключения
Омыватель ветрового стекла Нива 21213 схема подключения
Подключение заднего дворника нива Мотор дворников ВАЗ-2110 в классику (рабочий вариант) - Сообщество "ВАЗ: Ремонт
Мотор дворников ВАЗ-2110 в классику (рабочий вариант) - Сообщество "ВАЗ: Ремонт
Подключение заднего дворника нива Подрулевой переключатель от Шевроле-Нивы @ Нива 4x4
Подрулевой переключатель от Шевроле-Нивы @ Нива 4x4
Подключение заднего дворника нива ВАЗ-21213 (Нива). Моторедуктор очистителя стекла
ВАЗ-21213 (Нива). Моторедуктор очистителя стекла
Подключение заднего дворника нива Не работают дворники и омыватель ваз: найдено 82 изображений
Не работают дворники и омыватель ваз: найдено 82 изображений
Подключение заднего дворника нива Мотор стеклоочистителя от 2110 на ниву (2121). Реле паузы. Нормальная схема. - L
Мотор стеклоочистителя от 2110 на ниву (2121). Реле паузы. Нормальная схема. - L
Подключение заднего дворника нива Схема включения габаритов автомобиля нива 21213
Схема включения габаритов автомобиля нива 21213
Подключение заднего дворника нива Регулируемая пауза стеклоочистителя лобового стекла и два режима работы стеклооч
Регулируемая пауза стеклоочистителя лобового стекла и два режима работы стеклооч
Подключение заднего дворника нива стеклоочиститель - MOSFET для управления мотор-редуктором - Lada 4x4 3D, 1,7 л,
стеклоочиститель - MOSFET для управления мотор-редуктором - Lada 4x4 3D, 1,7 л,
Подключение заднего дворника нива Środek do czyszczenia i spryskiwacza tylnej klapy (VAZ-21214 "Niva" 1994-2006 /
Środek do czyszczenia i spryskiwacza tylnej klapy (VAZ-21214 "Niva" 1994-2006 /
Подключение заднего дворника нива Дооснащение дворниками фар (часть 2) - Lada 21218 Фора, 1,7 л, 1998 года тюнинг
Дооснащение дворниками фар (часть 2) - Lada 21218 Фора, 1,7 л, 1998 года тюнинг
Подключение заднего дворника нива Ремонт проводки Great Wall deer g3 (колхозинг) - DRIVE2
Ремонт проводки Great Wall deer g3 (колхозинг) - DRIVE2
Подключение заднего дворника нива Задний "дворник" автомобиля нива 21213, схема подключения
Задний "дворник" автомобиля нива 21213, схема подключения
Подключение заднего дворника нива Дворники (стеклоочистители) лобового стекла @ Нива 4x4
Дворники (стеклоочистители) лобового стекла @ Нива 4x4
Подключение заднего дворника нива Ремонт привода стеклоочистителя ветрового стекла. - Chevrolet Niva, 1,7 л, 2009
Ремонт привода стеклоочистителя ветрового стекла. - Chevrolet Niva, 1,7 л, 2009
Подключение заднего дворника нива Chevy-Niva * Просмотр темы - Не работает омыватель заднего стекла
Chevy-Niva * Просмотр темы - Не работает омыватель заднего стекла
Подключение заднего дворника нива Задний "дворник" автомобиля нива 21213, схема подключения
Задний "дворник" автомобиля нива 21213, схема подключения
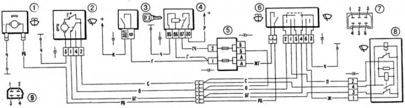
Подключение заднего дворника нива Схема подключения заднего "дворника" автомобиля ВАЗ 2104
Схема подключения заднего "дворника" автомобиля ВАЗ 2104
Подключение заднего дворника нива Прерывистый режим работы заднего дворника. - Lada 2114, 1,5 л, 2005 года своими
Прерывистый режим работы заднего дворника. - Lada 2114, 1,5 л, 2005 года своими
Подключение заднего дворника нива Подрулевые и мотор-редуктор дворников от ПП в ниву - Lada 4x4 3D, 1,7 л, 1997 го
Подрулевые и мотор-редуктор дворников от ПП в ниву - Lada 4x4 3D, 1,7 л, 1997 го
Подключение заднего дворника нива Наши руки не для скуки или задний дворник с режимом регулируемой паузы - Lada 4x
Наши руки не для скуки или задний дворник с режимом регулируемой паузы - Lada 4x