Подключение выключателя легран с подсветкой

Подключение выключателя легран с подсветкой 7 Выключатель Legrand Cariva, с подсветкой, подключение. - YouTube
7 Выключатель Legrand Cariva, с подсветкой, подключение. - YouTube
Подключение выключателя легран с подсветкой schémas electriques produits LEGRAND mais compatibles toutes marques Schéma élec
schémas electriques produits LEGRAND mais compatibles toutes marques Schéma élec
Подключение выключателя легран с подсветкой Схемы переключателей legrand
Схемы переключателей legrand
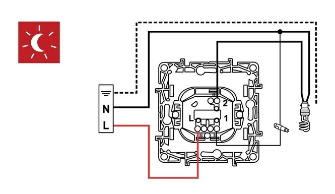
Подключение выключателя легран с подсветкой Legrand двойной выключатель фото - DelaDom.ru
Legrand двойной выключатель фото - DelaDom.ru
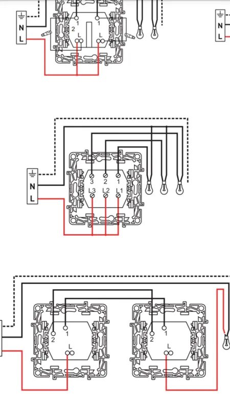
Подключение выключателя легран с подсветкой Схема подключения выключателя легранд 2 клавишный
Схема подключения выключателя легранд 2 клавишный
Подключение выключателя легран с подсветкой Подключение выключателей и переключателей бренда Legrand
Подключение выключателей и переключателей бренда Legrand
Подключение выключателя легран с подсветкой Ответы Mail.ru: Установка трехклавишного выключателя
Ответы Mail.ru: Установка трехклавишного выключателя
Подключение выключателя легран с подсветкой Rак подключить выключатель с подсветкой: схемы и способны
Rак подключить выключатель с подсветкой: схемы и способны
Подключение выключателя легран с подсветкой LEGRAND 773610 - Łącznik jednobiegunowy z podświetleniem. Jak to podłączyć?
LEGRAND 773610 - Łącznik jednobiegunowy z podświetleniem. Jak to podłączyć?
Подключение выключателя легран с подсветкой Legrand двойной выключатель фото - DelaDom.ru
Legrand двойной выключатель фото - DelaDom.ru
Подключение выключателя легран с подсветкой Обзор LEGRAND QUTEO. Универсальные электроустановочные изделия
Обзор LEGRAND QUTEO. Универсальные электроустановочные изделия
Подключение выключателя легран с подсветкой Таймер выключатель с подсветкой legrand
Таймер выключатель с подсветкой legrand
Подключение выключателя легран с подсветкой Схема подключения проходного выключателя legrand
Схема подключения проходного выключателя legrand
Подключение выключателя легран с подсветкой Ответы Mail.ru: legrand выкл
Ответы Mail.ru: legrand выкл
Подключение выключателя легран с подсветкой 775600 механизм выключателя 1-кл. с подсветкой Galea. Розетки, выключатели легра
775600 механизм выключателя 1-кл. с подсветкой Galea. Розетки, выключатели легра
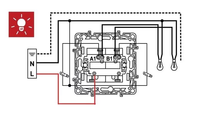
Подключение выключателя легран с подсветкой Ответы Mail.ru: Двуклавишный выключатель Legrand etika схема подключения.
Ответы Mail.ru: Двуклавишный выключатель Legrand etika схема подключения.
Подключение выключателя легран с подсветкой Как подключить выключатель легран
Как подключить выключатель легран
Подключение выключателя легран с подсветкой 774411 Legrand Valena. Выключатели розетки легранд валена купить.
774411 Legrand Valena. Выключатели розетки легранд валена купить.
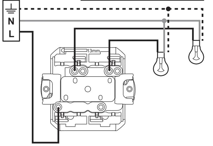
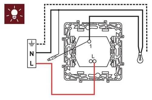
Подключение выключателя легран с подсветкой Подключение выключателя одноклавишного с подсветкой HeatProf.ru
Подключение выключателя одноклавишного с подсветкой HeatProf.ru
Подключение выключателя легран с подсветкой Применение двух полистного выключателя в однолинейной схеме электроснабжения осв
Применение двух полистного выключателя в однолинейной схеме электроснабжения осв
Подключение выключателя легран с подсветкой Картинки ПОДКЛЮЧЕНИЕ ДВУХКЛАВИШНОГО ВЫКЛЮЧАТЕЛЯ LEGRAND
Картинки ПОДКЛЮЧЕНИЕ ДВУХКЛАВИШНОГО ВЫКЛЮЧАТЕЛЯ LEGRAND
Подключение выключателя легран с подсветкой Ответы Mail.ru: Как подключить эти два провода чтобы горела лампочка на выключат
Ответы Mail.ru: Как подключить эти два провода чтобы горела лампочка на выключат
Подключение выключателя легран с подсветкой Выключатель одноклавишный с подсветкой legrand: найдено 88 изображений
Выключатель одноклавишный с подсветкой legrand: найдено 88 изображений
Подключение выключателя легран с подсветкой Как подключить выключатель с подсветкой схем
Как подключить выключатель с подсветкой схем
Подключение выключателя легран с подсветкой Подключение выключателя одноклавишного с подсветкой - CormanStroy.ru
Подключение выключателя одноклавишного с подсветкой - CormanStroy.ru
Подключение выключателя легран с подсветкой Как правильно подключить к сети переключатель двухклавишный Etika Legrand?" - Ян
Как правильно подключить к сети переключатель двухклавишный Etika Legrand?" - Ян
Подключение выключателя легран с подсветкой Как выбрать электрический выключатель?
Как выбрать электрический выключатель?
Подключение выключателя легран с подсветкой Розетки і вимикачі :: Розетки і Вимикачі Legrand :: Серія Etika Legrand :: 67220
Розетки і вимикачі :: Розетки і Вимикачі Legrand :: Серія Etika Legrand :: 67220
Подключение выключателя легран с подсветкой Купить - Переключатель 1-кл - Etika - Legrand 672215 - с подсветкой, белый - опи
Купить - Переключатель 1-кл - Etika - Legrand 672215 - с подсветкой, белый - опи
Подключение выключателя легран с подсветкой Картинки ВЫКЛЮЧАТЕЛЬ ОДНОКЛАВИШНЫЙ С ПОДСВЕТКОЙ LEGRAND
Картинки ВЫКЛЮЧАТЕЛЬ ОДНОКЛАВИШНЫЙ С ПОДСВЕТКОЙ LEGRAND