Подключение вулкана к системе отопления с регулятором

Подключение вулкана к системе отопления с регулятором Схема подключения volcano vr1 ac
Схема подключения volcano vr1 ac
Подключение вулкана к системе отопления с регулятором Volcano EC vr3 15-75 kW (Тепловентилятор + Kit Zestaw Volcano vr2) - купить в Мо
Volcano EC vr3 15-75 kW (Тепловентилятор + Kit Zestaw Volcano vr2) - купить в Мо
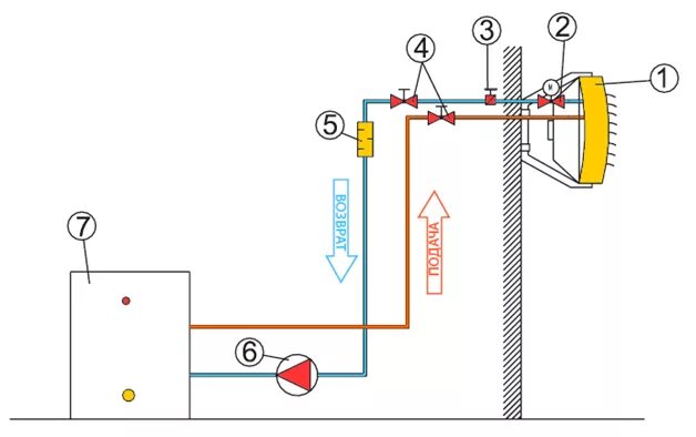
Подключение вулкана к системе отопления с регулятором Как подключить VOLCANO V25 тепловентилятор к магистрали отопления
Как подключить VOLCANO V25 тепловентилятор к магистрали отопления
Подключение вулкана к системе отопления с регулятором Воздушно-отопительные агрегаты - ТеплоХолодСнаб
Воздушно-отопительные агрегаты - ТеплоХолодСнаб
Подключение вулкана к системе отопления с регулятором Volcano и электрокотел
Volcano и электрокотел
Подключение вулкана к системе отопления с регулятором Электрические схемы подключения Volcano 2019 - ПРИТОК
Электрические схемы подключения Volcano 2019 - ПРИТОК
Подключение вулкана к системе отопления с регулятором VOLCANO V20 (mini) + регулятор для VR ARW 2,5
VOLCANO V20 (mini) + регулятор для VR ARW 2,5
Подключение вулкана к системе отопления с регулятором Волкано (ЕС) мини тепловентилятор
Волкано (ЕС) мини тепловентилятор
Подключение вулкана к системе отопления с регулятором Тепловентилятор водяной Vts Volcano VR MINI (EC-двигатель) купить за 10986 грн н
Тепловентилятор водяной Vts Volcano VR MINI (EC-двигатель) купить за 10986 грн н
Подключение вулкана к системе отопления с регулятором Volcano VR4 AC водяной тепловентилятор - цена, купить, отзывы, доставка по Москв
Volcano VR4 AC водяной тепловентилятор - цена, купить, отзывы, доставка по Москв
Подключение вулкана к системе отопления с регулятором Контроллер HMI-HY ec Volcano
Контроллер HMI-HY ec Volcano
Подключение вулкана к системе отопления с регулятором Volcano vr2 схема подключения
Volcano vr2 схема подключения
Подключение вулкана к системе отопления с регулятором Электрические схемы подключения Volcano 2019 - ПРИТОК
Электрические схемы подключения Volcano 2019 - ПРИТОК
Подключение вулкана к системе отопления с регулятором Виды тепловых пушек: классификация по излучению и энергоносителям
Виды тепловых пушек: классификация по излучению и энергоносителям
Подключение вулкана к системе отопления с регулятором Воздушное, водяное отопление склада/ангара 100, 200, 300, 500, 1000 кв.м. Расчет
Воздушное, водяное отопление склада/ангара 100, 200, 300, 500, 1000 кв.м. Расчет
Подключение вулкана к системе отопления с регулятором Как подключить водяной тепловентилятор VOLCANO VR (AC/EC)? Схемы подключения теп
Как подключить водяной тепловентилятор VOLCANO VR (AC/EC)? Схемы подключения теп
Подключение вулкана к системе отопления с регулятором Воздушно-отопительный агрегат Volcano VR2 (EC) купить в Красноярске по цене 5737
Воздушно-отопительный агрегат Volcano VR2 (EC) купить в Красноярске по цене 5737
Подключение вулкана к системе отопления с регулятором Монтаж тепловентиляторов VOLCANO
Монтаж тепловентиляторов VOLCANO
Подключение вулкана к системе отопления с регулятором Volcano vr1 ec схема подключения
Volcano vr1 ec схема подключения
Подключение вулкана к системе отопления с регулятором Регулятор частоты вращения Volcano ARW 3,0/2 купить в Красноярске в интернет-маг
Регулятор частоты вращения Volcano ARW 3,0/2 купить в Красноярске в интернет-маг
Подключение вулкана к системе отопления с регулятором Как подключить VOLCANO VR1 тепловентилятор к магистрали отопления
Как подключить VOLCANO VR1 тепловентилятор к магистрали отопления
Подключение вулкана к системе отопления с регулятором Volcano vr1 EC - 1-4-0101-0442 - VTS
Volcano vr1 EC - 1-4-0101-0442 - VTS
Подключение вулкана к системе отопления с регулятором Тепловентилятор Volcano VR3 EC - купить в Москве недорого CLIMSTORE
Тепловентилятор Volcano VR3 EC - купить в Москве недорого CLIMSTORE
Подключение вулкана к системе отопления с регулятором VOLCANO V20 (mini) + термостат HMI + регулятор для VR ARWE 2,5
VOLCANO V20 (mini) + термостат HMI + регулятор для VR ARWE 2,5
Подключение вулкана к системе отопления с регулятором Картинки ПОДКЛЮЧЕНИЕ VOLCANO
Картинки ПОДКЛЮЧЕНИЕ VOLCANO
Подключение вулкана к системе отопления с регулятором Volcano VR-D AC цена ₽ 37857 купить в TeploT.org 1-4-0101-0449
Volcano VR-D AC цена ₽ 37857 купить в TeploT.org 1-4-0101-0449
Подключение вулкана к системе отопления с регулятором Тепловентилятор Volcano VR1 AC в Екатеринбурге по цене 43300 рублей, купить возд
Тепловентилятор Volcano VR1 AC в Екатеринбурге по цене 43300 рублей, купить возд
Подключение вулкана к системе отопления с регулятором Как подключить тепловентилятор VOLCANO V45 к магистрали отопления
Как подключить тепловентилятор VOLCANO V45 к магистрали отопления
Подключение вулкана к системе отопления с регулятором Настенный регулятор WING/VOLCANO купить в Москве в интернет-магазине КлиматМарке
Настенный регулятор WING/VOLCANO купить в Москве в интернет-магазине КлиматМарке
Подключение вулкана к системе отопления с регулятором Настенный регулятор VTS DX
Настенный регулятор VTS DX