Нива шевроле высоковольтные провода схема подключения

Нива шевроле высоковольтные провода схема подключения Почему не заводится Нива Шевроле и как это исправить?
Почему не заводится Нива Шевроле и как это исправить?
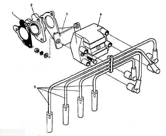
Нива шевроле высоковольтные провода схема подключения Модуль зажигания (11, 12, 13) Chevrolet Niva 1.7 (Чертеж № 191: список деталей,
Модуль зажигания (11, 12, 13) Chevrolet Niva 1.7 (Чертеж № 191: список деталей,
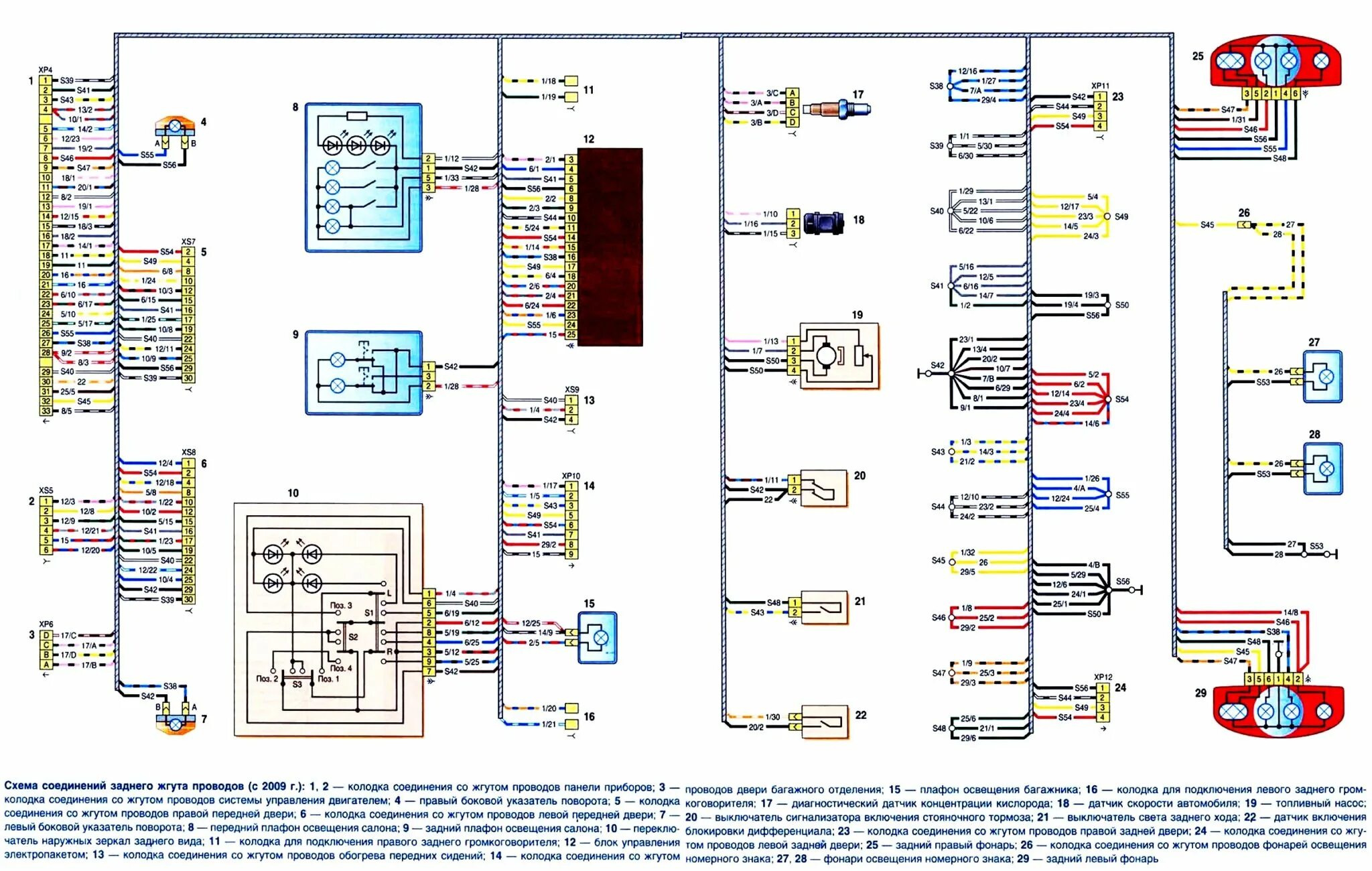
Нива шевроле высоковольтные провода схема подключения Электросхемы ВАЗ 2123 Chevrolet Niva
Электросхемы ВАЗ 2123 Chevrolet Niva
Нива шевроле высоковольтные провода схема подключения LADA Ignition plugs kit 2111-3707010-86 LADA.shop original Lada part - LADA.shop
LADA Ignition plugs kit 2111-3707010-86 LADA.shop original Lada part - LADA.shop
Нива шевроле высоковольтные провода схема подключения Схема подключения высоковольтных проводов 406
Схема подключения высоковольтных проводов 406
Нива шевроле высоковольтные провода схема подключения Система зажигания 21214, 21214-10, 21214-20, 212146-10, 212146, 2131-41 ВАЗ 2131
Система зажигания 21214, 21214-10, 21214-20, 212146-10, 212146, 2131-41 ВАЗ 2131
Нива шевроле высоковольтные провода схема подключения ВАЗ 2114: замена катушки зажигания (модуля) - с фото и видео
ВАЗ 2114: замена катушки зажигания (модуля) - с фото и видео
Нива шевроле высоковольтные провода схема подключения Модуль зажигания Нива Шевроле как проверить и какие признаки неисправности
Модуль зажигания Нива Шевроле как проверить и какие признаки неисправности
Нива шевроле высоковольтные провода схема подключения Двигатель больше не троит, новые высоковольтные провода. -18 градусов Chevrolet
Двигатель больше не троит, новые высоковольтные провода. -18 градусов Chevrolet
Нива шевроле высоковольтные провода схема подключения ВВ провода и кое что еще ;) - Chevrolet Niva, 1,7 л, 2004 года запчасти DRIVE2
ВВ провода и кое что еще ;) - Chevrolet Niva, 1,7 л, 2004 года запчасти DRIVE2
Нива шевроле высоковольтные провода схема подключения Картинки БРОНЕПРОВОДА ВАЗ 2111
Картинки БРОНЕПРОВОДА ВАЗ 2111
Нива шевроле высоковольтные провода схема подключения 2114 подключение бронепроводов
2114 подключение бронепроводов
Нива шевроле высоковольтные провода схема подключения Картинки ПОРЯДОК ПОДКЛЮЧЕНИЯ ВЫСОКОВОЛЬТНЫХ ПРОВОДОВ НИВА
Картинки ПОРЯДОК ПОДКЛЮЧЕНИЯ ВЫСОКОВОЛЬТНЫХ ПРОВОДОВ НИВА
Нива шевроле высоковольтные провода схема подключения Ответы Mail.ru: подскажите. на рено9 порядок подключение высоких проводов
Ответы Mail.ru: подскажите. на рено9 порядок подключение высоких проводов
Нива шевроле высоковольтные провода схема подключения Система зажигания ВАЗ-2131 (NIVA) (Чертеж № 226: список деталей, стоимость запча
Система зажигания ВАЗ-2131 (NIVA) (Чертеж № 226: список деталей, стоимость запча
Нива шевроле высоковольтные провода схема подключения Ошибка 0303. Чудеса, да и только - Chevrolet Niva GLX, 1,7 л, 2012 года наблюден
Ошибка 0303. Чудеса, да и только - Chevrolet Niva GLX, 1,7 л, 2012 года наблюден
Нива шевроле высоковольтные провода схема подключения Купить Система зажигания (Rus+B) для ВАЗ ВАЗ-21213-214i (NIVA) - в Рязани Светоф
Купить Система зажигания (Rus+B) для ВАЗ ВАЗ-21213-214i (NIVA) - в Рязани Светоф
Нива шевроле высоковольтные провода схема подключения модуль зажигания все выше и выше - Chevrolet Niva, 1,8 л, 2003 года тюнинг DRIVE
модуль зажигания все выше и выше - Chevrolet Niva, 1,8 л, 2003 года тюнинг DRIVE
Нива шевроле высоковольтные провода схема подключения Высоковольтные провода - Lada 4x4 3D, 1,7 л, 2011 года запчасти DRIVE2
Высоковольтные провода - Lada 4x4 3D, 1,7 л, 2011 года запчасти DRIVE2
Нива шевроле высоковольтные провода схема подключения Подходит ли модуль зажигания от ваз 2114 на ваз 2107 - фото - АвтоМастер Инфо
Подходит ли модуль зажигания от ваз 2114 на ваз 2107 - фото - АвтоМастер Инфо
Нива шевроле высоковольтные провода схема подключения Ответы Mail.ru: В каком порядке подключать провода от свечей на Форд Фокус 1 дви
Ответы Mail.ru: В каком порядке подключать провода от свечей на Форд Фокус 1 дви
Нива шевроле высоковольтные провода схема подключения Нива порядок работы цилиндров - 97 фото
Нива порядок работы цилиндров - 97 фото
Нива шевроле высоковольтные провода схема подключения Прокладка приемной трубы. Свечи. ВВ-провода. Сколы на цепи ГРМ - Chevrolet Niva,
Прокладка приемной трубы. Свечи. ВВ-провода. Сколы на цепи ГРМ - Chevrolet Niva,
Нива шевроле высоковольтные провода схема подключения Блог :: Диагностика DIS системы зажигания - DIAG2CAR.RU - Автосканеры и ключи за
Блог :: Диагностика DIS системы зажигания - DIAG2CAR.RU - Автосканеры и ключи за
Нива шевроле высоковольтные провода схема подключения Ремонт модуля зажигания ВАЗ-2112 своими руками: фото, видео
Ремонт модуля зажигания ВАЗ-2112 своими руками: фото, видео
Нива шевроле высоковольтные провода схема подключения Провода высоковольтные эвотек
Провода высоковольтные эвотек
Нива шевроле высоковольтные провода схема подключения Обслуживание аккумуляторов автомобильных в Полевском: 51 автоэлектрик с отзывами
Обслуживание аккумуляторов автомобильных в Полевском: 51 автоэлектрик с отзывами
Нива шевроле высоковольтные провода схема подключения Свечи и Высоковольтные провода ТРЕК TRS - Chevrolet Niva, 1,7 л, 2014 года тюнин
Свечи и Высоковольтные провода ТРЕК TRS - Chevrolet Niva, 1,7 л, 2014 года тюнин
Нива шевроле высоковольтные провода схема подключения Как правильно подсоединить провода на свечи нива шевроле LkbAuto.ru
Как правильно подсоединить провода на свечи нива шевроле LkbAuto.ru
Нива шевроле высоковольтные провода схема подключения Порядок брони проводов нива Локо Авто.ру
Порядок брони проводов нива Локо Авто.ру