Нива шевроле установка сигнализации точки подключения

Нива шевроле установка сигнализации точки подключения Установка сигнализации на Chevrolet Cruze, точки подключения Шевроле Круз - С То
Установка сигнализации на Chevrolet Cruze, точки подключения Шевроле Круз - С То
Нива шевроле установка сигнализации точки подключения StarLine M31. "Старый, но не бесполезный." Часть 3. Заключительная - Chevrolet N
StarLine M31. "Старый, но не бесполезный." Часть 3. Заключительная - Chevrolet N
Нива шевроле установка сигнализации точки подключения Установка старлайн на Нива Тревел
Установка старлайн на Нива Тревел
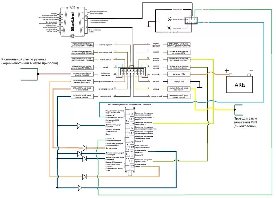
Нива шевроле установка сигнализации точки подключения Нива шевроле карта монтажа сигнализации фото и видео
Нива шевроле карта монтажа сигнализации фото и видео
Нива шевроле установка сигнализации точки подключения Установка сигнализации с автозапуском Cenmax Vigilant ST10-D и диодной развязки
Установка сигнализации с автозапуском Cenmax Vigilant ST10-D и диодной развязки
Нива шевроле установка сигнализации точки подключения Схема центрального замка Шевроле Нива: что делать, если не работает замок с ключ
Схема центрального замка Шевроле Нива: что делать, если не работает замок с ключ
Нива шевроле установка сигнализации точки подключения Установка сигнализации StarLine А61 - Chevrolet Niva, 1,7 л, 2011 года электрони
Установка сигнализации StarLine А61 - Chevrolet Niva, 1,7 л, 2011 года электрони
Нива шевроле установка сигнализации точки подключения Установка сигнализации StarLine A63 - Chevrolet Niva, 1,7 л, 2005 года электрони
Установка сигнализации StarLine A63 - Chevrolet Niva, 1,7 л, 2005 года электрони
Нива шевроле установка сигнализации точки подключения Подробненькая установка starline a91 на ниву шевролет - Chevrolet Niva, 1,7 л, 2
Подробненькая установка starline a91 на ниву шевролет - Chevrolet Niva, 1,7 л, 2
Нива шевроле установка сигнализации точки подключения Установка сигнализации Starline a91 dialog своими руками - Lada 21124, 1,6 л, 20
Установка сигнализации Starline a91 dialog своими руками - Lada 21124, 1,6 л, 20
Нива шевроле установка сигнализации точки подключения StarLine M31. "Старый, но не бесполезный." Часть 1 - Chevrolet Niva, 1,7 л, 2012
StarLine M31. "Старый, но не бесполезный." Часть 1 - Chevrolet Niva, 1,7 л, 2012
Нива шевроле установка сигнализации точки подключения Установка старлайн на Нива Тревел
Установка старлайн на Нива Тревел
Нива шевроле установка сигнализации точки подключения Chevy-Niva * Просмотр темы - Установка датчика удара ( обьема ) в РШНиву.
Chevy-Niva * Просмотр темы - Установка датчика удара ( обьема ) в РШНиву.
Нива шевроле установка сигнализации точки подключения Нива 2121, 2131 Установка сигнализации Auto-Components.Ru
Нива 2121, 2131 Установка сигнализации Auto-Components.Ru
Нива шевроле установка сигнализации точки подключения Самостоятельная установка сигнализации Starline A91 - Chevrolet Niva, 1,7 л, 200
Самостоятельная установка сигнализации Starline A91 - Chevrolet Niva, 1,7 л, 200
Нива шевроле установка сигнализации точки подключения Обратная связь и автозапуск + доводчик - Chevrolet Niva, 1,7 л, 2012 года электр
Обратная связь и автозапуск + доводчик - Chevrolet Niva, 1,7 л, 2012 года электр
Нива шевроле установка сигнализации точки подключения Сигнализация с центральным замком в Шевроле-Нива
Сигнализация с центральным замком в Шевроле-Нива
Нива шевроле установка сигнализации точки подключения Карта монтажа шевроле нива
Карта монтажа шевроле нива
Нива шевроле установка сигнализации точки подключения Сигналка - Chevrolet TrailBlazer (1G), 4,2 л, 2009 года своими руками DRIVE2
Сигналка - Chevrolet TrailBlazer (1G), 4,2 л, 2009 года своими руками DRIVE2
Нива шевроле установка сигнализации точки подключения Установка сигнализации Chevrolet Niva 2013, Точки подключения Шевроле Нива Manua
Установка сигнализации Chevrolet Niva 2013, Точки подключения Шевроле Нива Manua
Нива шевроле установка сигнализации точки подключения Дружба сигнализации с другой электроникой ШНивы - Chevrolet Niva, 1,7 л, 2008 го
Дружба сигнализации с другой электроникой ШНивы - Chevrolet Niva, 1,7 л, 2008 го
Нива шевроле установка сигнализации точки подключения Установка сигнализации - Chevrolet Niva, 1,7 л, 2008 года своими руками DRIVE2
Установка сигнализации - Chevrolet Niva, 1,7 л, 2008 года своими руками DRIVE2
Нива шевроле установка сигнализации точки подключения Точки подключения сигнализации нива тревел: найдено 89 картинок
Точки подключения сигнализации нива тревел: найдено 89 картинок
Нива шевроле установка сигнализации точки подключения Установка сигнализации в ниву 3D с автозапуском! - Lada 4x4 3D, 1,7 л, 2011 года
Установка сигнализации в ниву 3D с автозапуском! - Lada 4x4 3D, 1,7 л, 2011 года
Нива шевроле установка сигнализации точки подключения Сигнализация на Нива 2121 - 4х4 Manualforauto.ru
Сигнализация на Нива 2121 - 4х4 Manualforauto.ru
Нива шевроле установка сигнализации точки подключения Сигнализация с центральным замком в Шевроле-Нива
Сигнализация с центральным замком в Шевроле-Нива
Нива шевроле установка сигнализации точки подключения Подробненькая установка starline a91 на ниву шевролет - Chevrolet Niva, 1,7 л, 2
Подробненькая установка starline a91 на ниву шевролет - Chevrolet Niva, 1,7 л, 2
Нива шевроле установка сигнализации точки подключения Центральный замок на ниву 21214
Центральный замок на ниву 21214
Нива шевроле установка сигнализации точки подключения Карта монтажа шевроле нива
Карта монтажа шевроле нива
Нива шевроле установка сигнализации точки подключения Установка сигнализации на авто Шевроле Нива, точки подключения Chevrolet Niva Ma
Установка сигнализации на авто Шевроле Нива, точки подключения Chevrolet Niva Ma