Нива шевроле схема подключения вентилятора радиатора

Нива шевроле схема подключения вентилятора радиатора Один Карлсон хорошо - два лучше! - Lada 2115, 1,5 л, 2004 года тюнинг DRIVE2
Один Карлсон хорошо - два лучше! - Lada 2115, 1,5 л, 2004 года тюнинг DRIVE2
Нива шевроле схема подключения вентилятора радиатора Вентилятор радиатора нива 21213, схема подключения
Вентилятор радиатора нива 21213, схема подключения
Нива шевроле схема подключения вентилятора радиатора Принудительное включение и отключение вентиляторов - Chevrolet Niva, 1,7 л, 2012
Принудительное включение и отключение вентиляторов - Chevrolet Niva, 1,7 л, 2012
Нива шевроле схема подключения вентилятора радиатора Просмотр темы - Доработка схемы включения вентиляторов охлаждения двигателя. Niv
Просмотр темы - Доработка схемы включения вентиляторов охлаждения двигателя. Niv
Нива шевроле схема подключения вентилятора радиатора Chevy-Niva * Просмотр темы - Схема принудительного вкл.вентилятора
Chevy-Niva * Просмотр темы - Схема принудительного вкл.вентилятора
Нива шевроле схема подключения вентилятора радиатора Дополнение к установке вентиляторов охлаждения от Нивы (Электрическая схема), кр
Дополнение к установке вентиляторов охлаждения от Нивы (Электрическая схема), кр
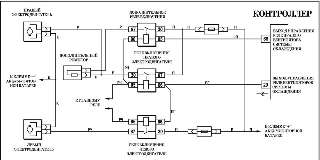
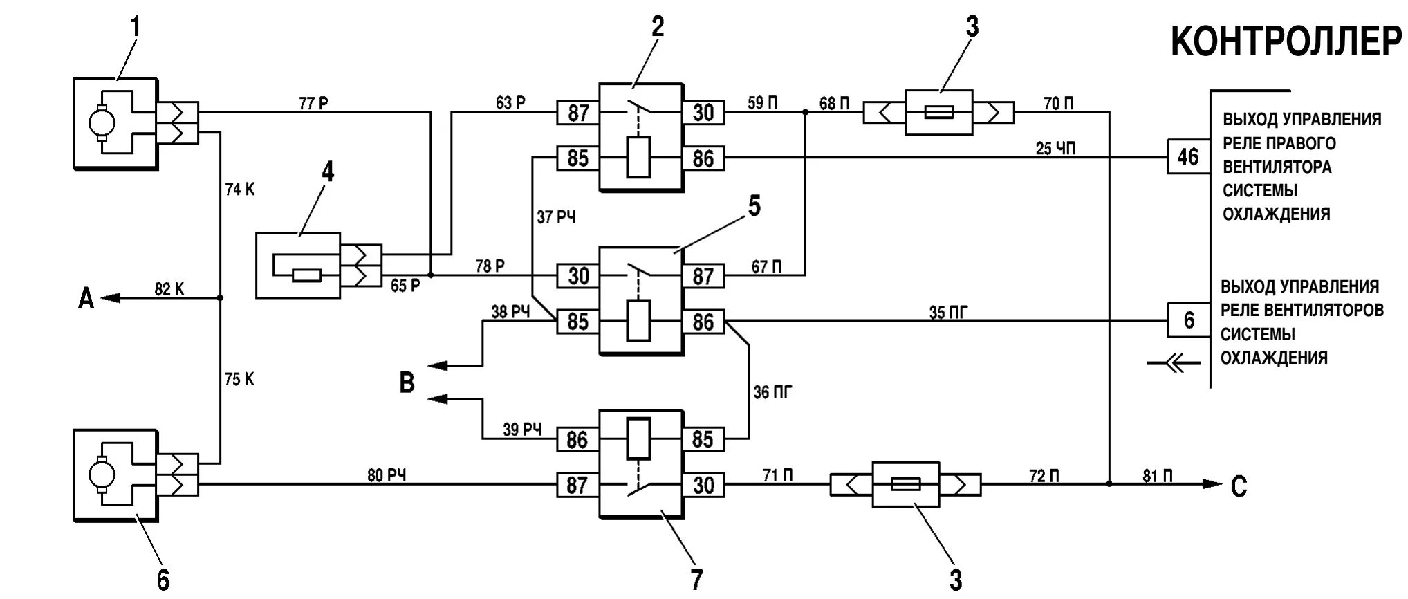
Нива шевроле схема подключения вентилятора радиатора Вентиляторы системы охлаждения двигателя Шевроле-Нива (контроллер М7.9.7)
Вентиляторы системы охлаждения двигателя Шевроле-Нива (контроллер М7.9.7)
Нива шевроле схема подключения вентилятора радиатора Последовательное включение вентиляторов нива - 81 фото
Последовательное включение вентиляторов нива - 81 фото
Нива шевроле схема подключения вентилятора радиатора 2 скорость вентилятора с помощью j7es - Lada 2113, 1,6 л, 2007 года тюнинг DRIVE
2 скорость вентилятора с помощью j7es - Lada 2113, 1,6 л, 2007 года тюнинг DRIVE
Нива шевроле схема подключения вентилятора радиатора Вентилятор радиатора нива 21213, схема подключения
Вентилятор радиатора нива 21213, схема подключения
Нива шевроле схема подключения вентилятора радиатора Электровентиляторы 21214 в 2121 - Lada 4x4 3D, 1,6 л, 1986 года электроника DRIV
Электровентиляторы 21214 в 2121 - Lada 4x4 3D, 1,6 л, 1986 года электроника DRIV
Нива шевроле схема подключения вентилятора радиатора 16. ПОДСКАЖИТЕ ПО СХЕМЕ. - Chevrolet Niva, 1,7 л, 2013 года электроника DRIVE2
16. ПОДСКАЖИТЕ ПО СХЕМЕ. - Chevrolet Niva, 1,7 л, 2013 года электроника DRIVE2
Нива шевроле схема подключения вентилятора радиатора Операция кондиционер - Москвич 2141, 2 л, 1990 года тюнинг DRIVE2
Операция кондиционер - Москвич 2141, 2 л, 1990 года тюнинг DRIVE2
Нива шевроле схема подключения вентилятора радиатора Замена вискомуфты на электровентиляторы Ч.2 - УАЗ Patriot, 2,7 л, 2015 года элек
Замена вискомуфты на электровентиляторы Ч.2 - УАЗ Patriot, 2,7 л, 2015 года элек
Нива шевроле схема подключения вентилятора радиатора вентиляторы - последовательно-параллельное включение - Lada 4x4 3D, 1,7 л, 2015
вентиляторы - последовательно-параллельное включение - Lada 4x4 3D, 1,7 л, 2015
Нива шевроле схема подключения вентилятора радиатора Chevy-Niva * Просмотр темы - не включается левый вентилятор
Chevy-Niva * Просмотр темы - не включается левый вентилятор
Нива шевроле схема подключения вентилятора радиатора Доп свет, подключение Спарки по уму) - Lada 4x4 3D, 1,7 л, 1996 года тюнинг DRIV
Доп свет, подключение Спарки по уму) - Lada 4x4 3D, 1,7 л, 1996 года тюнинг DRIV
Нива шевроле схема подключения вентилятора радиатора Не включается второй вентилятор на ниве
Не включается второй вентилятор на ниве
Нива шевроле схема подключения вентилятора радиатора Вентиляторы ДВС - принудительно (ЭБУ Bosch ME 17.9.7) Ч.1 Теория - Lada 4x4 3D,
Вентиляторы ДВС - принудительно (ЭБУ Bosch ME 17.9.7) Ч.1 Теория - Lada 4x4 3D,
Нива шевроле схема подключения вентилятора радиатора Печка и термостат. - Chevrolet Niva, 1,7 л, 2005 года своими руками DRIVE2
Печка и термостат. - Chevrolet Niva, 1,7 л, 2005 года своими руками DRIVE2
Нива шевроле схема подключения вентилятора радиатора Подключение вентиляторов охлаждения по новой схеме. - Chevrolet Niva, 1,7 л, 200
Подключение вентиляторов охлаждения по новой схеме. - Chevrolet Niva, 1,7 л, 200
Нива шевроле схема подключения вентилятора радиатора Электро вентиляторы от кондиционера в Газель - ГАЗ Газель, 2,6 л, 1998 года элек
Электро вентиляторы от кондиционера в Газель - ГАЗ Газель, 2,6 л, 1998 года элек
Нива шевроле схема подключения вентилятора радиатора принудительное выключение вентиляторов - Сообщество "Chevrolet Niva" на DRIVE2
принудительное выключение вентиляторов - Сообщество "Chevrolet Niva" на DRIVE2
Нива шевроле схема подключения вентилятора радиатора Датчик включения вентиляторов в штатную схему ВАЗ 2123 (Шевроле Нива) - DRIVE2
Датчик включения вентиляторов в штатную схему ВАЗ 2123 (Шевроле Нива) - DRIVE2
Нива шевроле схема подключения вентилятора радиатора Шпаргалка № 2. Проверка вентиляторов Chevrolet Niva. - Chevrolet Niva, 1,7 л, 20
Шпаргалка № 2. Проверка вентиляторов Chevrolet Niva. - Chevrolet Niva, 1,7 л, 20
Нива шевроле схема подключения вентилятора радиатора Вентилятор радиатора Нива 21213 схема подключения
Вентилятор радиатора Нива 21213 схема подключения
Нива шевроле схема подключения вентилятора радиатора двух скоростной карлсон с датчиком включения - Lada 4x4 3D, 2 л, 1995 года элект
двух скоростной карлсон с датчиком включения - Lada 4x4 3D, 2 л, 1995 года элект
Нива шевроле схема подключения вентилятора радиатора Мутные схемы и замена вентиляторов - Chevrolet Niva, 1,7 л, 2004 года своими рук
Мутные схемы и замена вентиляторов - Chevrolet Niva, 1,7 л, 2004 года своими рук
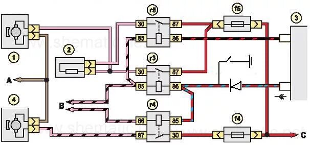
Нива шевроле схема подключения вентилятора радиатора Схема электрической цепи вентиляторов системы охлаждения Шевроле Нива. Автотема
Схема электрической цепи вентиляторов системы охлаждения Шевроле Нива. Автотема
Нива шевроле схема подключения вентилятора радиатора Подогрев щеток (дворников) лобового стекла Ч.2 (электро схема) - Lada 4x4 3D, 2
Подогрев щеток (дворников) лобового стекла Ч.2 (электро схема) - Lada 4x4 3D, 2