Нива шевроле 2005 датчик коленвала схема подключения

Нива шевроле 2005 датчик коленвала схема подключения Датчик распредвала двигателя Датчик положения распределительного вала 405, 406,
Датчик распредвала двигателя Датчик положения распределительного вала 405, 406,
Нива шевроле 2005 датчик коленвала схема подключения Установил ДФ - Сообщество "ВАЗ: Ремонт и Доработка" на DRIVE2
Установил ДФ - Сообщество "ВАЗ: Ремонт и Доработка" на DRIVE2
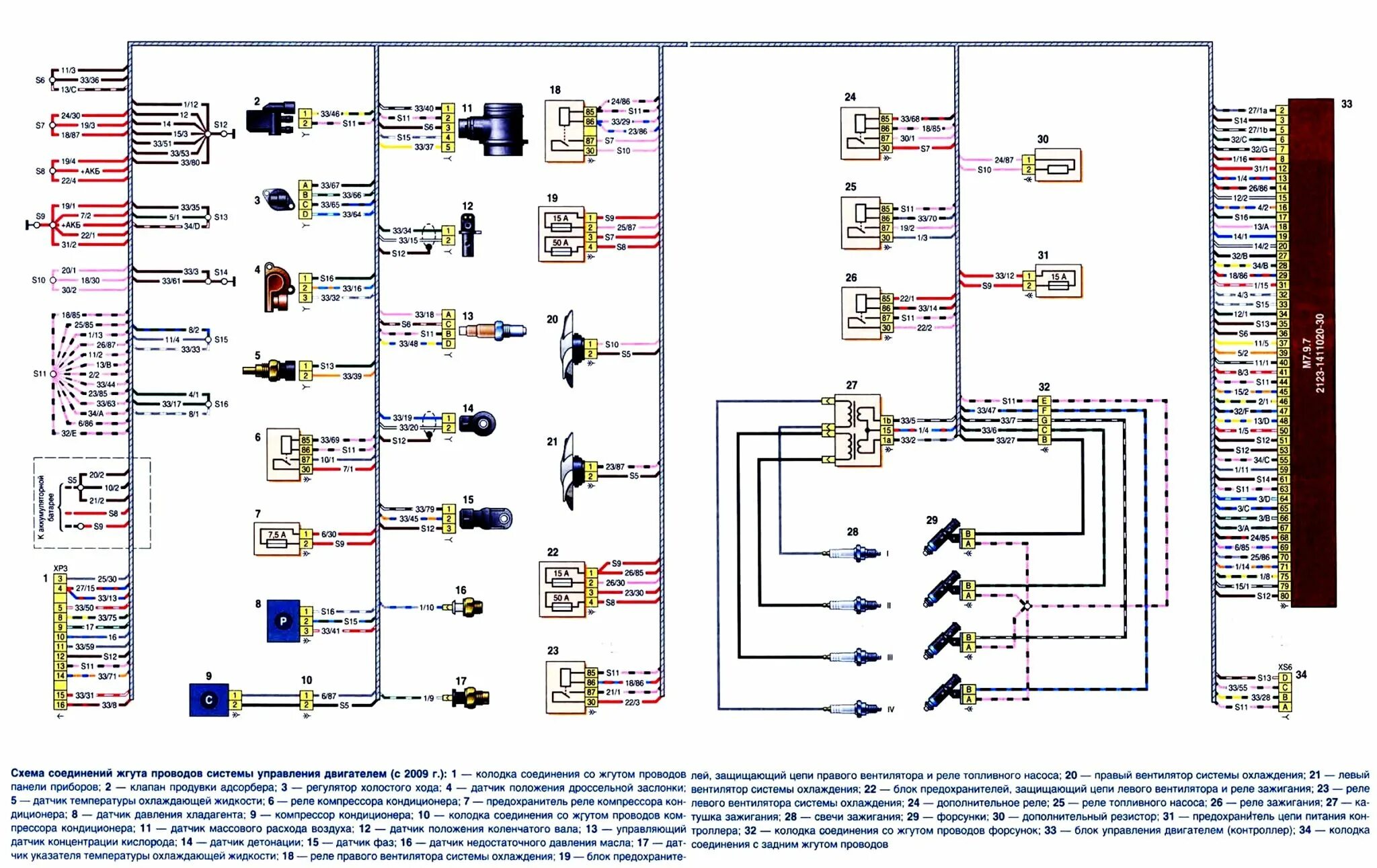
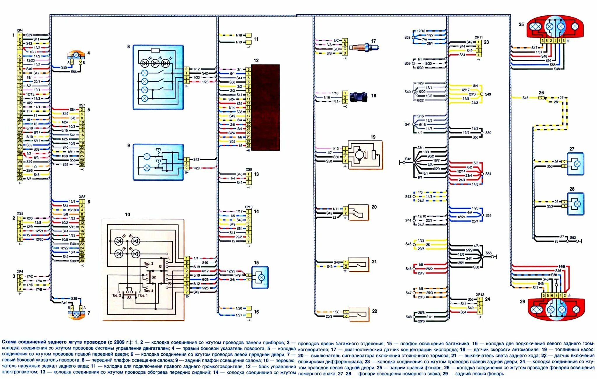
Нива шевроле 2005 датчик коленвала схема подключения Схема электрооборудования автомобилей ВАЗ-2123 Chevrolet Niva
Схема электрооборудования автомобилей ВАЗ-2123 Chevrolet Niva
Нива шевроле 2005 датчик коленвала схема подключения Опять ДПДЗ! - Chevrolet Niva, 1,7 л, 2009 года своими руками DRIVE2
Опять ДПДЗ! - Chevrolet Niva, 1,7 л, 2009 года своими руками DRIVE2
Нива шевроле 2005 датчик коленвала схема подключения Установил ДФ - Сообщество "ВАЗ: Ремонт и Доработка" на DRIVE2
Установил ДФ - Сообщество "ВАЗ: Ремонт и Доработка" на DRIVE2
Нива шевроле 2005 датчик коленвала схема подключения Комплексная диагностика автомобиля в СПб. Электрика, двигатель, подвеска, ошибки
Комплексная диагностика автомобиля в СПб. Электрика, двигатель, подвеска, ошибки
Нива шевроле 2005 датчик коленвала схема подключения P0116. Диагностическая карта кода неисправности ЭСУД LADA GRANTA, LADA KALINA 2
P0116. Диагностическая карта кода неисправности ЭСУД LADA GRANTA, LADA KALINA 2
Нива шевроле 2005 датчик коленвала схема подключения Электросхемы ВАЗ 2123 Chevrolet Niva
Электросхемы ВАЗ 2123 Chevrolet Niva
Нива шевроле 2005 датчик коленвала схема подключения Плохо заводится (инжекторная) @ Нива 4x4
Плохо заводится (инжекторная) @ Нива 4x4
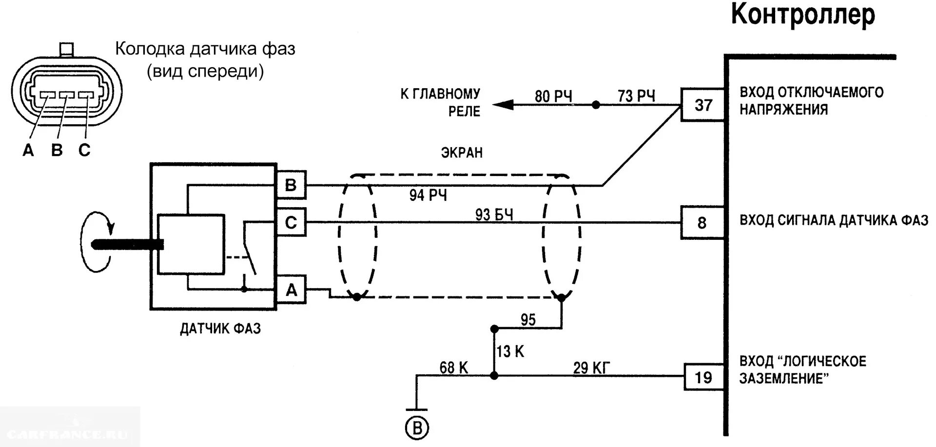
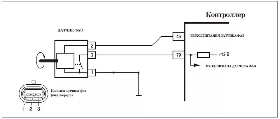
Нива шевроле 2005 датчик коленвала схема подключения Датчик фаз (ДПРВ). Ошибки 0342, 0343. - Chevrolet Niva, 1,7 л, 2009 года своими
Датчик фаз (ДПРВ). Ошибки 0342, 0343. - Chevrolet Niva, 1,7 л, 2009 года своими
Нива шевроле 2005 датчик коленвала схема подключения Замена датчиков управления двигателем Niva Chevrolet
Замена датчиков управления двигателем Niva Chevrolet
Нива шевроле 2005 датчик коленвала схема подключения Электросхемы ВАЗ 2123 Chevrolet Niva
Электросхемы ВАЗ 2123 Chevrolet Niva
Нива шевроле 2005 датчик коленвала схема подключения Как заменить двигатель ВАЗ-2123
Как заменить двигатель ВАЗ-2123
Нива шевроле 2005 датчик коленвала схема подключения Проверка датчиков уаз: найдено 84 изображений
Проверка датчиков уаз: найдено 84 изображений
Нива шевроле 2005 датчик коленвала схема подключения Симптомы выхода из строя датчика детонации. Заметки автодиагноста Дзен
Симптомы выхода из строя датчика детонации. Заметки автодиагноста Дзен
Нива шевроле 2005 датчик коленвала схема подключения Руководство по ремонту Chevrolet Aveo (Шевроле Авео) 2003-2008 г.в. 2.9. Система
Руководство по ремонту Chevrolet Aveo (Шевроле Авео) 2003-2008 г.в. 2.9. Система
Нива шевроле 2005 датчик коленвала схема подключения Поиск информации по переделке двигателя на Январь 5.1 кто чем может помогаем! -
Поиск информации по переделке двигателя на Январь 5.1 кто чем может помогаем! -
Нива шевроле 2005 датчик коленвала схема подключения Что такое провод дпкв - фото - АвтоМастер Инфо
Что такое провод дпкв - фото - АвтоМастер Инфо
Нива шевроле 2005 датчик коленвала схема подключения Руководство Chevrolet Niva (2009+). Снятие датчика положения коленчатого вала дв
Руководство Chevrolet Niva (2009+). Снятие датчика положения коленчатого вала дв
Нива шевроле 2005 датчик коленвала схема подключения Восстановление датчика фаз - ЗАЗ Chance, 1,3 л, 2011 года своими руками DRIVE2
Восстановление датчика фаз - ЗАЗ Chance, 1,3 л, 2011 года своими руками DRIVE2
Нива шевроле 2005 датчик коленвала схема подключения Датчик коленвала (ДПКВ): что это такое
Датчик коленвала (ДПКВ): что это такое
Нива шевроле 2005 датчик коленвала схема подключения Как проверить датчик коленвала нива шевроле LkbAuto.ru
Как проверить датчик коленвала нива шевроле LkbAuto.ru
Нива шевроле 2005 датчик коленвала схема подключения Руководство Chevrolet Niva (2009+). Снятие датчика положения коленчатого вала дв
Руководство Chevrolet Niva (2009+). Снятие датчика положения коленчатого вала дв
Нива шевроле 2005 датчик коленвала схема подключения Установка датчика фаз - Chevrolet Niva, 1,9 л, 2004 года тюнинг DRIVE2
Установка датчика фаз - Chevrolet Niva, 1,9 л, 2004 года тюнинг DRIVE2
Нива шевроле 2005 датчик коленвала схема подключения Датчик положения распределительного вала - Lada 2109, 1,5 л, 1995 года тюнинг DR
Датчик положения распределительного вала - Lada 2109, 1,5 л, 1995 года тюнинг DR
Нива шевроле 2005 датчик коленвала схема подключения Электросхема датчика коленвала: найдено 90 изображений
Электросхема датчика коленвала: найдено 90 изображений
Нива шевроле 2005 датчик коленвала схема подключения Страница 59 Все статьи рубрики "Тесты"
Страница 59 Все статьи рубрики "Тесты"
Нива шевроле 2005 датчик коленвала схема подключения Штекер датчика коленвала - Lada 21099, 1,6 л, 2003 года своими руками DRIVE2
Штекер датчика коленвала - Lada 21099, 1,6 л, 2003 года своими руками DRIVE2
Нива шевроле 2005 датчик коленвала схема подключения Датчик положения коленчатого вала.(ДПКВ) - Volkswagen Passat B3, 1,6 л, 1989 год
Датчик положения коленчатого вала.(ДПКВ) - Volkswagen Passat B3, 1,6 л, 1989 год