Нива схема подключения насоса

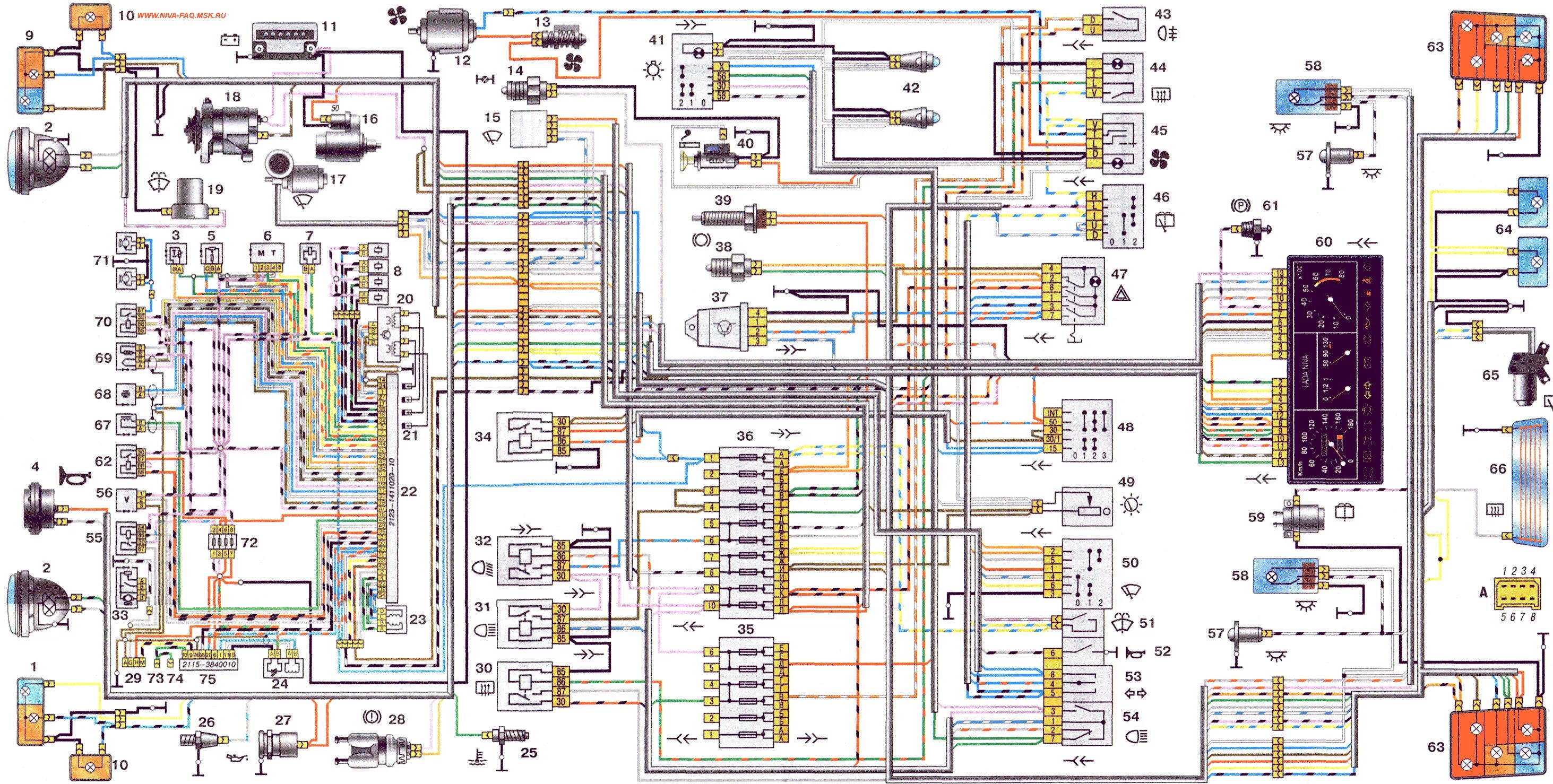
Нива схема подключения насоса Альбом схем электрических соединений 21214/2131 (2009 г.
Альбом схем электрических соединений 21214/2131 (2009 г.
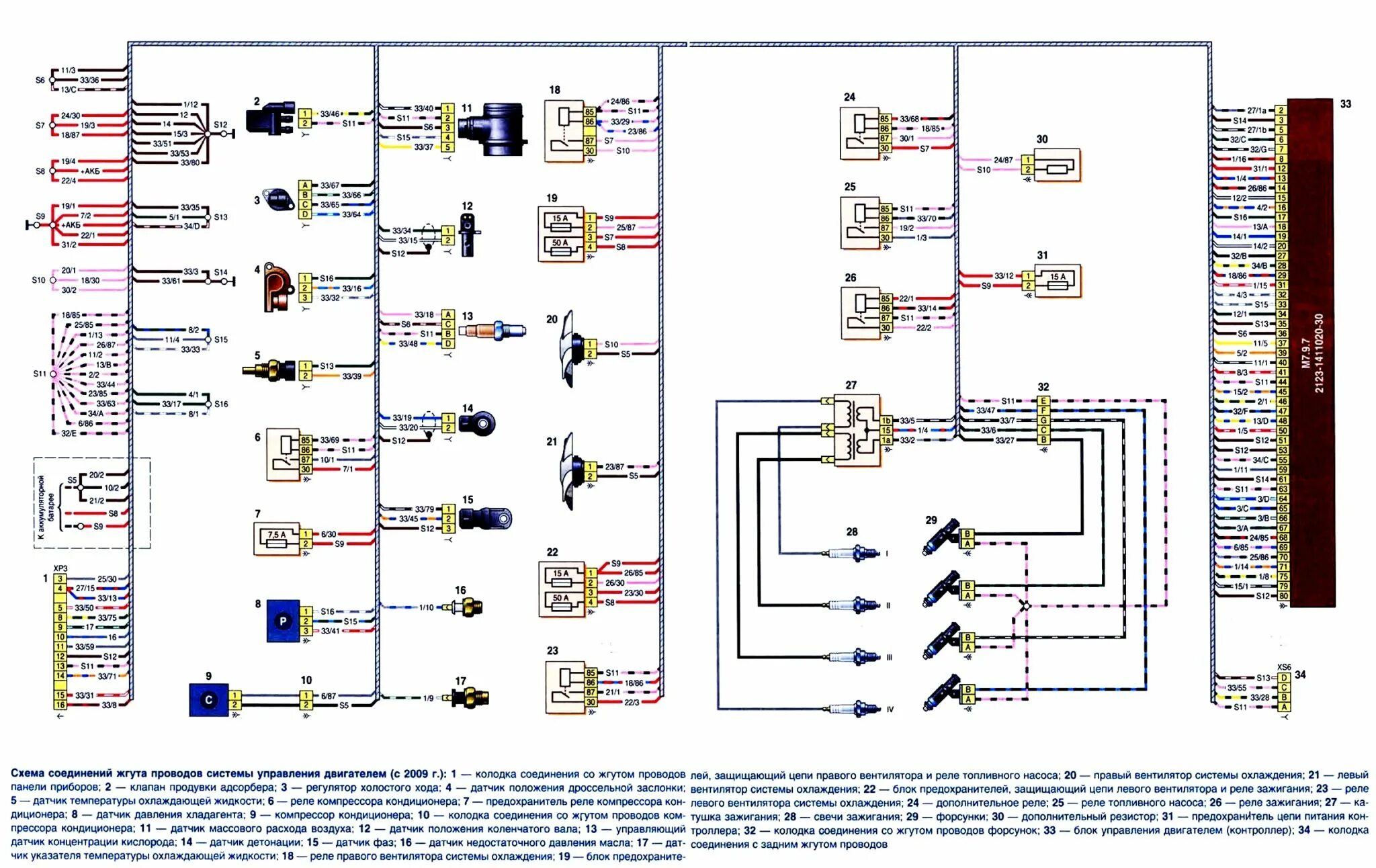
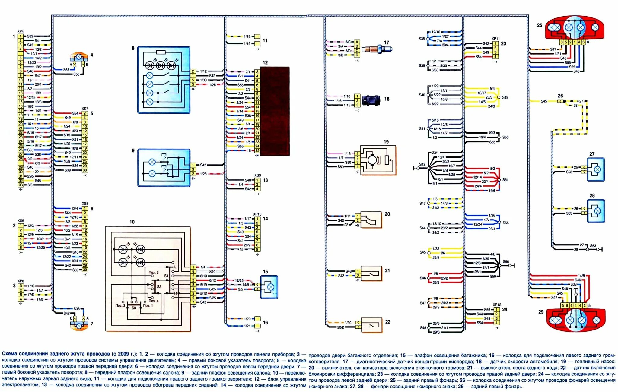
Нива схема подключения насоса Электросхемы (электрические схемы) Нива Шевроле - Niva Chevrolet (ВАЗ 2123, Шеви
Электросхемы (электрические схемы) Нива Шевроле - Niva Chevrolet (ВАЗ 2123, Шеви
Нива схема подключения насоса Печка работает на первой скорости. Решение проблемы. - Lada 4x4 3D, 1,7 л, 2019
Печка работает на первой скорости. Решение проблемы. - Lada 4x4 3D, 1,7 л, 2019
Нива схема подключения насоса Наши руки не для скуки или задний дворник с режимом регулируемой паузы - Lada 4x
Наши руки не для скуки или задний дворник с режимом регулируемой паузы - Lada 4x
Нива схема подключения насоса Схема подключения поворотников автомобиля Нива 21213
Схема подключения поворотников автомобиля Нива 21213
Нива схема подключения насоса Ремонт проводки Great Wall deer g3 (колхозинг) - DRIVE2
Ремонт проводки Great Wall deer g3 (колхозинг) - DRIVE2
Нива схема подключения насоса Symptoms of a Faulty or Faulty Windshield Washer Pump - AvtoTachki
Symptoms of a Faulty or Faulty Windshield Washer Pump - AvtoTachki
Нива схема подключения насоса Электросхемы ВАЗ 2123 Chevrolet Niva
Электросхемы ВАЗ 2123 Chevrolet Niva
Нива схема подключения насоса Фаркоп - Lada 4x4 3D, 1,7 л, 2011 года своими руками DRIVE2
Фаркоп - Lada 4x4 3D, 1,7 л, 2011 года своими руками DRIVE2
Нива схема подключения насоса Электросхема ВАЗ 21214 Нива " Ремонт, тюнинг и диагностика автомобилей своими ру
Электросхема ВАЗ 21214 Нива " Ремонт, тюнинг и диагностика автомобилей своими ру
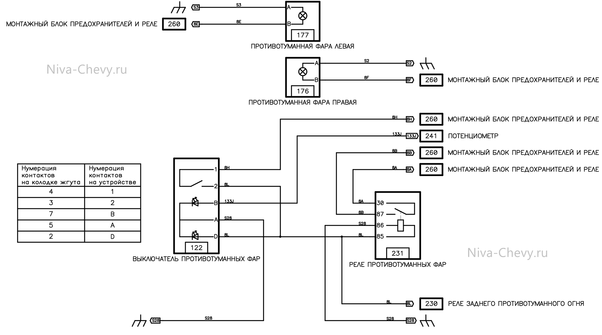
Нива схема подключения насоса LED ПТФ - Chevrolet Niva, 1,7 л, 2013 года электроника DRIVE2
LED ПТФ - Chevrolet Niva, 1,7 л, 2013 года электроника DRIVE2
Нива схема подключения насоса Доработка света нива 21214 Фары, Уход за автомобилем, Деталь автомобиля
Доработка света нива 21214 Фары, Уход за автомобилем, Деталь автомобиля
Нива схема подключения насоса Вентилятор радиатора Нива 21213 схема подключения
Вентилятор радиатора Нива 21213 схема подключения
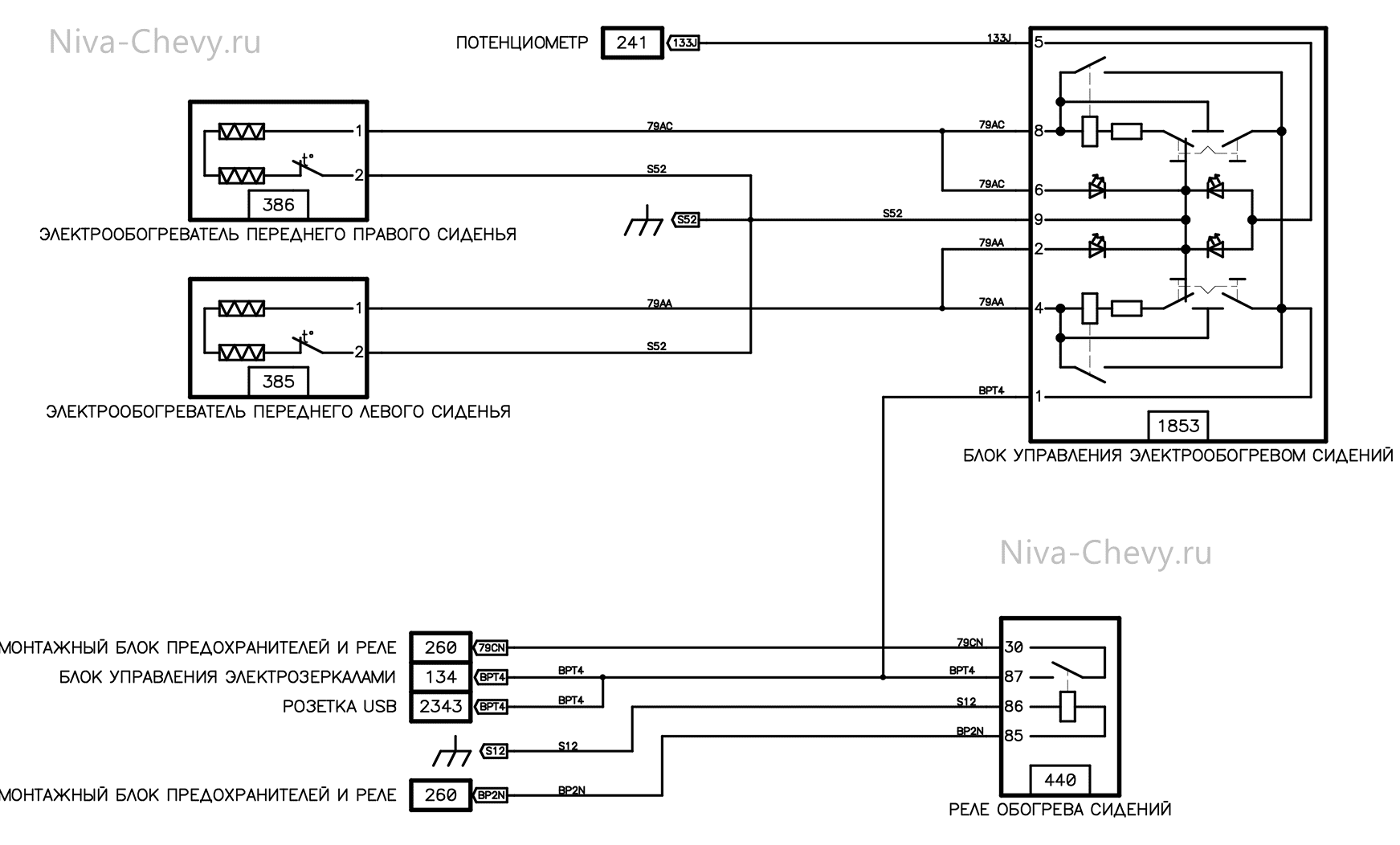
Нива схема подключения насоса Электросхемы (электрические схемы) Нива Шевроле - Niva Chevrolet (ВАЗ 2123, Шеви
Электросхемы (электрические схемы) Нива Шевроле - Niva Chevrolet (ВАЗ 2123, Шеви
Нива схема подключения насоса Подкапотная проводка - Lada 4x4 3D, 1,7 л, 2012 года своими руками DRIVE2
Подкапотная проводка - Lada 4x4 3D, 1,7 л, 2012 года своими руками DRIVE2
Нива схема подключения насоса Sound signal (Chevrolet Niva 1 2002-2016: Electrical equipment: Lighting and app
Sound signal (Chevrolet Niva 1 2002-2016: Electrical equipment: Lighting and app
Нива схема подключения насоса Электросхемы (электрические схемы) Нива Шевроле - Niva Chevrolet (ВАЗ 2123, Шеви
Электросхемы (электрические схемы) Нива Шевроле - Niva Chevrolet (ВАЗ 2123, Шеви
Нива схема подключения насоса Схема подключения указателя уровня топлива Нива 21213
Схема подключения указателя уровня топлива Нива 21213
Нива схема подключения насоса Такие одинаковые снаружи и такие разные внутри. Кнопки включения противотуманных
Такие одинаковые снаружи и такие разные внутри. Кнопки включения противотуманных
Нива схема подключения насоса И снова Шнива! Не работают вентиляторы охлаждения радиатора. -- Форум водномотор
И снова Шнива! Не работают вентиляторы охлаждения радиатора. -- Форум водномотор
Нива схема подключения насоса Электросхемы (электрические схемы) Нива Шевроле - Niva Chevrolet (ВАЗ 2123, Шеви
Электросхемы (электрические схемы) Нива Шевроле - Niva Chevrolet (ВАЗ 2123, Шеви
Нива схема подключения насоса Ищу схемы - Lada 2131, 1,7 л, 2010 года другое DRIVE2
Ищу схемы - Lada 2131, 1,7 л, 2010 года другое DRIVE2
Нива схема подключения насоса Замена распределительной колодки - Lada 4x4 3D, 2 л, 1981 года электроника DRIVE
Замена распределительной колодки - Lada 4x4 3D, 2 л, 1981 года электроника DRIVE
Нива схема подключения насоса Электросхемы ВАЗ 2123 Chevrolet Niva
Электросхемы ВАЗ 2123 Chevrolet Niva
Нива схема подключения насоса Дворники с регулировкой паузы. - НИВА.КЛУБ
Дворники с регулировкой паузы. - НИВА.КЛУБ
Нива схема подключения насоса Схема электро соединения. - DRIVE2
Схема электро соединения. - DRIVE2
Нива схема подключения насоса Вакуумник ваз - КарЛайн.ру
Вакуумник ваз - КарЛайн.ру
Нива схема подключения насоса Removal and installation of the control sensor of oxygen concentration Chevrolet
Removal and installation of the control sensor of oxygen concentration Chevrolet
Нива схема подключения насоса Электросхемы (электрические схемы) Нива Шевроле - Niva Chevrolet (ВАЗ 2123, Шеви
Электросхемы (электрические схемы) Нива Шевроле - Niva Chevrolet (ВАЗ 2123, Шеви
Нива схема подключения насоса Изменение электросхемы автомобиля - Lada 2115, 1,5 л, 2001 года своими руками DR
Изменение электросхемы автомобиля - Lada 2115, 1,5 л, 2001 года своими руками DR