Нива схема карбюратор подключения

Нива схема карбюратор подключения ВАЗ 2131, 2130, 2129, 21217, 21214, 21215, 21216, 21217, 21213 "Нива" - Привод а
ВАЗ 2131, 2130, 2129, 21217, 21214, 21215, 21216, 21217, 21213 "Нива" - Привод а
Нива схема карбюратор подключения Руководство по эксплуатации и ремонту автомобиля "Нива" ВАЗ-21213 и его модифика
Руководство по эксплуатации и ремонту автомобиля "Нива" ВАЗ-21213 и его модифика
Нива схема карбюратор подключения Здравствуйте. Интересует система снижения токсичности для 2108 AXTEC. Можно коне
Здравствуйте. Интересует система снижения токсичности для 2108 AXTEC. Можно коне
Нива схема карбюратор подключения Экономайзер принудительного холостого хода (ЭПХХ) карбюратора Солекс на ВАЗ 2106
Экономайзер принудительного холостого хода (ЭПХХ) карбюратора Солекс на ВАЗ 2106
Нива схема карбюратор подключения Dismantling the carburetor (VAZ-21213 "Niva" 1994-2006 / Power unit / Supply sys
Dismantling the carburetor (VAZ-21213 "Niva" 1994-2006 / Power unit / Supply sys
Нива схема карбюратор подключения День 43.Проводка. - Автокам 3101, 1,6 л, 1990 года своими руками DRIVE2
День 43.Проводка. - Автокам 3101, 1,6 л, 1990 года своими руками DRIVE2
Нива схема карбюратор подключения Dismantling the carburetor (VAZ-2121 "Niva" 1977-1994 / Power unit / Supply syst
Dismantling the carburetor (VAZ-2121 "Niva" 1977-1994 / Power unit / Supply syst
Нива схема карбюратор подключения Система управления рециркуляцией (110,134,137,138,176) ВАЗ-21213-214i (NIVA) (Че
Система управления рециркуляцией (110,134,137,138,176) ВАЗ-21213-214i (NIVA) (Че
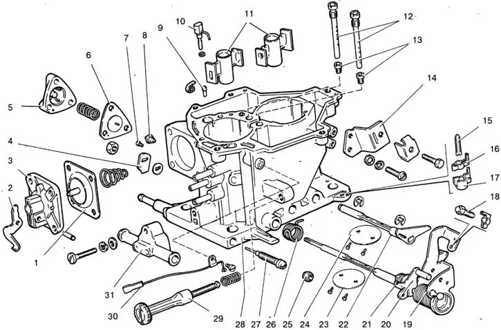
Нива схема карбюратор подключения Корпус карбюратора (A311) ВАЗ-21213-214i (NIVA) (Чертеж № 111: список деталей, с
Корпус карбюратора (A311) ВАЗ-21213-214i (NIVA) (Чертеж № 111: список деталей, с
Нива схема карбюратор подключения Вакуумник ваз - КарЛайн.ру
Вакуумник ваз - КарЛайн.ру
Нива схема карбюратор подключения Нива 4х4 ВАЗ-21213 1994-2006: Схема системы впрыска топлива (Информация для влад
Нива 4х4 ВАЗ-21213 1994-2006: Схема системы впрыска топлива (Информация для влад
Нива схема карбюратор подключения Карбюратор и воздушный фильтр ВАЗ-2121 (NIVA) (Чертеж № 47: список деталей, стои
Карбюратор и воздушный фильтр ВАЗ-2121 (NIVA) (Чертеж № 47: список деталей, стои
Нива схема карбюратор подключения Дефицит или совок спасает - Audi Coupe (81,85), 2,1 л, 1981 года своими руками D
Дефицит или совок спасает - Audi Coupe (81,85), 2,1 л, 1981 года своими руками D
Нива схема карбюратор подключения Изменение электросхемы автомобиля - Lada 2115, 1,5 л, 2001 года своими руками DR
Изменение электросхемы автомобиля - Lada 2115, 1,5 л, 2001 года своими руками DR
Нива схема карбюратор подключения Система уменьшения токсичности ВАЗ-2121 (NIVA) (Чертеж № 55: список деталей, сто
Система уменьшения токсичности ВАЗ-2121 (NIVA) (Чертеж № 55: список деталей, сто
Нива схема карбюратор подключения Нива 4х4 ВАЗ-21213 1994-2006: Особенности устройства карбюратора (Двигатель и си
Нива 4х4 ВАЗ-21213 1994-2006: Особенности устройства карбюратора (Двигатель и си
Нива схема карбюратор подключения ВАЗ-21213 (Нива). Система управления электромагнитным клапаном карбюратора
ВАЗ-21213 (Нива). Система управления электромагнитным клапаном карбюратора
Нива схема карбюратор подключения Как подключить карбюратор на ваз 2121 - фото - АвтоМастер Инфо
Как подключить карбюратор на ваз 2121 - фото - АвтоМастер Инфо
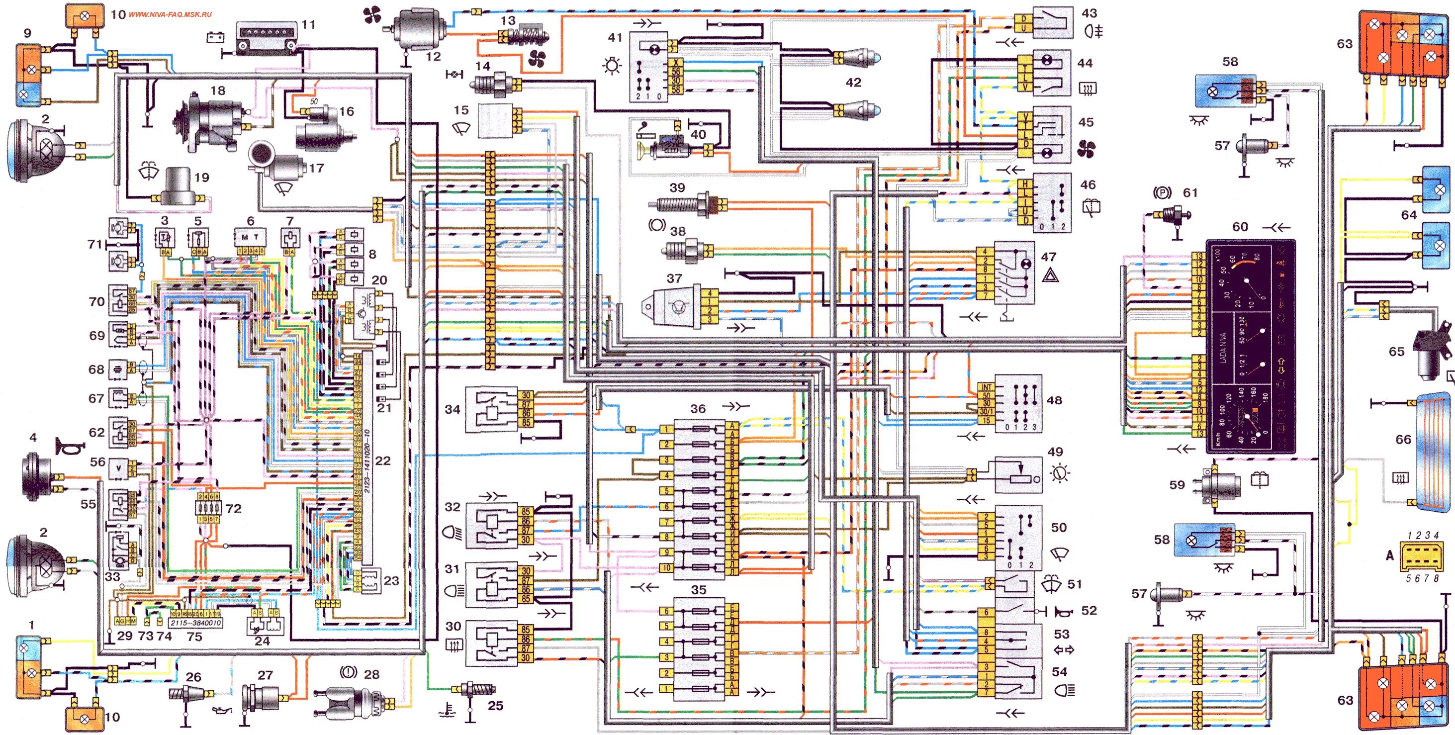
Нива схема карбюратор подключения Электросхема ваз 21213 нива карбюратор с описанием
Электросхема ваз 21213 нива карбюратор с описанием
Нива схема карбюратор подключения Система управления рециркуляцией ВАЗ-2131 (NIVA) (Чертеж № 129: список деталей,
Система управления рециркуляцией ВАЗ-2131 (NIVA) (Чертеж № 129: список деталей,
Нива схема карбюратор подключения LADA NIVA/LADA 4X4 Руководство по эксплуатации, техническому обслуживанию и ремо
LADA NIVA/LADA 4X4 Руководство по эксплуатации, техническому обслуживанию и ремо
Нива схема карбюратор подключения Электропроводка ВАЗ 21213 Тайга - YouTube
Электропроводка ВАЗ 21213 Тайга - YouTube
Нива схема карбюратор подключения Описание электросхемы Нива 2121
Описание электросхемы Нива 2121
Нива схема карбюратор подключения Схемы электрооборудования ВАЗ. Часть 2 (Нива 2121, 21213, 21214М) - Сообщество "
Схемы электрооборудования ВАЗ. Часть 2 (Нива 2121, 21213, 21214М) - Сообщество "
Нива схема карбюратор подключения Дворники с регулировкой паузы. - НИВА.КЛУБ
Дворники с регулировкой паузы. - НИВА.КЛУБ
Нива схема карбюратор подключения Схема электро соединения. - DRIVE2
Схема электро соединения. - DRIVE2
Нива схема карбюратор подключения Scheme of the electrical equipment of the car VAZ-21213 (VAZ-21213 "Niva" 1994-2
Scheme of the electrical equipment of the car VAZ-21213 (VAZ-21213 "Niva" 1994-2
Нива схема карбюратор подключения Замена распределительной колодки - Lada 4x4 3D, 2 л, 1981 года электроника DRIVE
Замена распределительной колодки - Lada 4x4 3D, 2 л, 1981 года электроника DRIVE
Нива схема карбюратор подключения Cистема управления рециркуляцией ВАЗ-21213-214i (NIVA) (Чертеж № 127: список дет
Cистема управления рециркуляцией ВАЗ-21213-214i (NIVA) (Чертеж № 127: список дет