Нива принципиальная схема электрическая

Нива принципиальная схема электрическая Электросхемы (электрические схемы) Нива Шевроле - Niva Chevrolet (ВАЗ 2123, Шеви
Электросхемы (электрические схемы) Нива Шевроле - Niva Chevrolet (ВАЗ 2123, Шеви
Нива принципиальная схема электрическая Removal and installation of the control sensor of oxygen concentration Chevrolet
Removal and installation of the control sensor of oxygen concentration Chevrolet
Нива принципиальная схема электрическая Электросхемы ВАЗ 21214, 2131 (Lada 4 × 4, Legend, Urban) после 2019 года
Электросхемы ВАЗ 21214, 2131 (Lada 4 × 4, Legend, Urban) после 2019 года
Нива принципиальная схема электрическая Электрическая схема - Chevrolet Niva, 1,7 л, 2005 года электроника DRIVE2
Электрическая схема - Chevrolet Niva, 1,7 л, 2005 года электроника DRIVE2
Нива принципиальная схема электрическая Диагностический сканер для нивы из Китая - ELM 327 - Lada 4x4 3D, 1,8 л, 2005 го
Диагностический сканер для нивы из Китая - ELM 327 - Lada 4x4 3D, 1,8 л, 2005 го
Нива принципиальная схема электрическая Схемы chevrolet niva
Схемы chevrolet niva
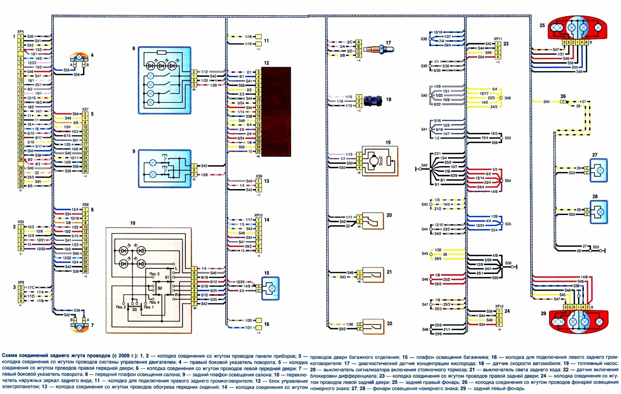
Нива принципиальная схема электрическая Альбом схем электрических соединений 21214/2131 (2009 г.
Альбом схем электрических соединений 21214/2131 (2009 г.
Нива принципиальная схема электрическая Электросхемы ВАЗ 2123 Chevrolet Niva
Электросхемы ВАЗ 2123 Chevrolet Niva
Нива принципиальная схема электрическая Мануал по ремонту ВАЗ 2131 - купить автокнигу "ВАЗ 2131 / 21213 / 21214 / 2129 б
Мануал по ремонту ВАЗ 2131 - купить автокнигу "ВАЗ 2131 / 21213 / 21214 / 2129 б
Нива принципиальная схема электрическая Схема электропроводки ваз 21215 - фото - АвтоМастер Инфо
Схема электропроводки ваз 21215 - фото - АвтоМастер Инфо
Нива принципиальная схема электрическая Электросхема L55 - Chevrolet Niva, 1,7 л, 2011 года электроника DRIVE2
Электросхема L55 - Chevrolet Niva, 1,7 л, 2011 года электроника DRIVE2
Нива принципиальная схема электрическая Ищу схемы - Lada 2131, 1,7 л, 2010 года другое DRIVE2
Ищу схемы - Lada 2131, 1,7 л, 2010 года другое DRIVE2
Нива принципиальная схема электрическая Схема электрооборудования комплектации GLC с АБС и подушками - Chevrolet Niva, 1
Схема электрооборудования комплектации GLC с АБС и подушками - Chevrolet Niva, 1
Нива принципиальная схема электрическая Схемы электрооборудования ВАЗ. Часть 2 (Нива 2121, 21213, 21214М) - Сообщество "
Схемы электрооборудования ВАЗ. Часть 2 (Нива 2121, 21213, 21214М) - Сообщество "
Нива принципиальная схема электрическая Схема проводки. - Lada 4x4 3D, 1,7 л, 2011 года своими руками DRIVE2
Схема проводки. - Lada 4x4 3D, 1,7 л, 2011 года своими руками DRIVE2
Нива принципиальная схема электрическая Ремонт схемы включения фонарей заднего хода - Chevrolet Niva, 1,7 л, 2009 года э
Ремонт схемы включения фонарей заднего хода - Chevrolet Niva, 1,7 л, 2009 года э
Нива принципиальная схема электрическая Прошу совета - Технический - Isuzu & Opel 4x4 Club
Прошу совета - Технический - Isuzu & Opel 4x4 Club
Нива принципиальная схема электрическая Подгорела проводка - Chevrolet Niva, 1,7 л, 2004 года поломка DRIVE2
Подгорела проводка - Chevrolet Niva, 1,7 л, 2004 года поломка DRIVE2
Нива принципиальная схема электрическая LADA NIVA/LADA 4X4 Руководство по эксплуатации, техническому обслуживанию и ремо
LADA NIVA/LADA 4X4 Руководство по эксплуатации, техническому обслуживанию и ремо
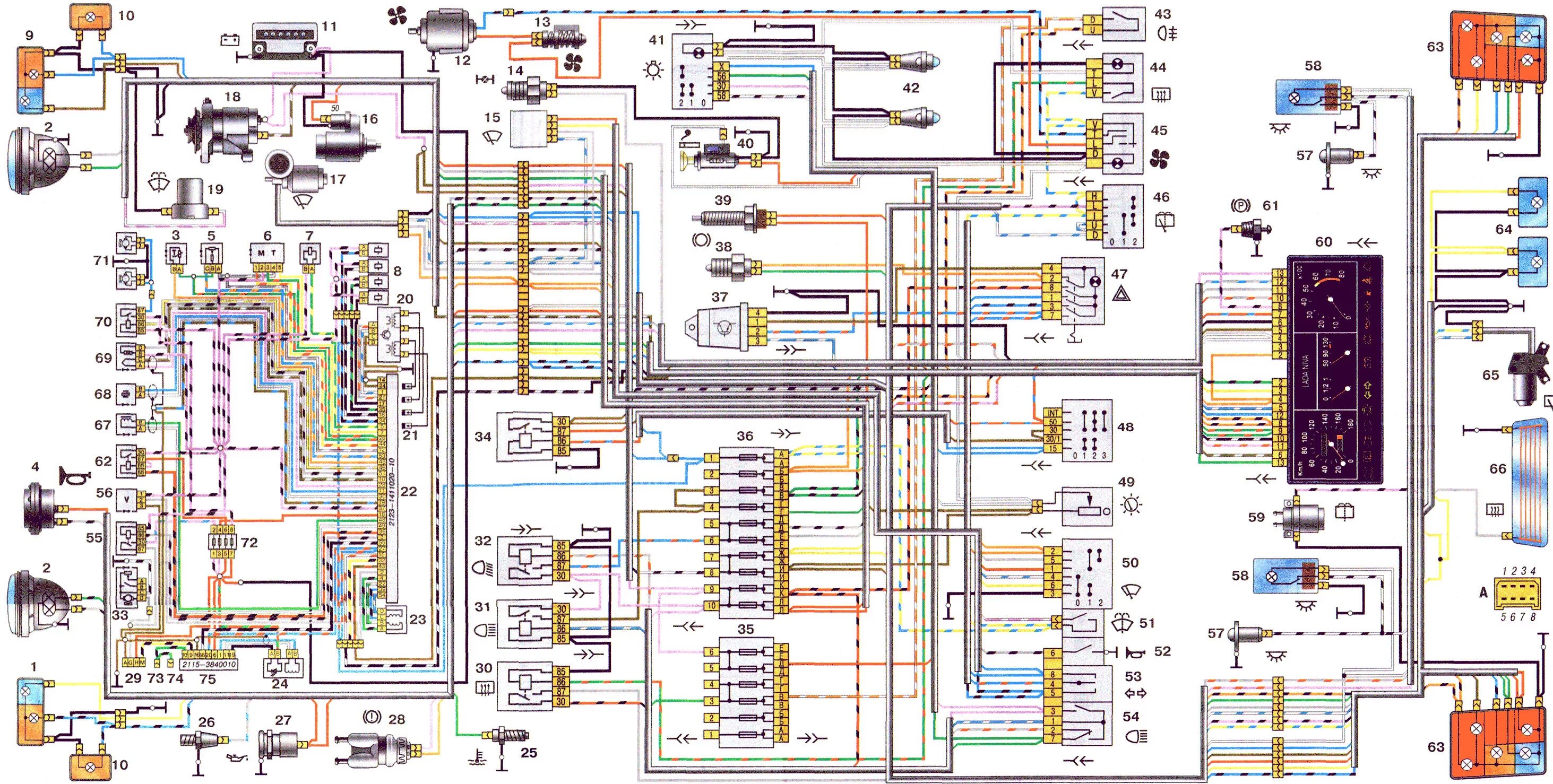
Нива принципиальная схема электрическая Электросхема ВАЗ 21214 Нива " Ремонт, тюнинг и диагностика автомобилей своими ру
Электросхема ВАЗ 21214 Нива " Ремонт, тюнинг и диагностика автомобилей своими ру
Нива принципиальная схема электрическая Схемы ваз нива 2121
Схемы ваз нива 2121
Нива принципиальная схема электрическая День 43.Проводка. - Автокам 3101, 1,6 л, 1990 года своими руками DRIVE2
День 43.Проводка. - Автокам 3101, 1,6 л, 1990 года своими руками DRIVE2
Нива принципиальная схема электрическая Схемы электрооборудования ВАЗ. Часть 2 (Нива 2121, 21213, 21214М) - Сообщество "
Схемы электрооборудования ВАЗ. Часть 2 (Нива 2121, 21213, 21214М) - Сообщество "
Нива принципиальная схема электрическая Схема электро соединения. - DRIVE2
Схема электро соединения. - DRIVE2
Нива принципиальная схема электрическая Схема электрооборудования автомобиля ВАЗ-2121 "Нива" - Электропортал
Схема электрооборудования автомобиля ВАЗ-2121 "Нива" - Электропортал
Нива принципиальная схема электрическая Замена распределительной колодки - Lada 4x4 3D, 2 л, 1981 года электроника DRIVE
Замена распределительной колодки - Lada 4x4 3D, 2 л, 1981 года электроника DRIVE
Нива принципиальная схема электрическая Дворники с регулировкой паузы. - НИВА.КЛУБ
Дворники с регулировкой паузы. - НИВА.КЛУБ
Нива принципиальная схема электрическая Описание электросхемы Нива 2121
Описание электросхемы Нива 2121
Нива принципиальная схема электрическая Scheme of the electrical equipment of the car VAZ-21213 (VAZ-21213 "Niva" 1994-2
Scheme of the electrical equipment of the car VAZ-21213 (VAZ-21213 "Niva" 1994-2
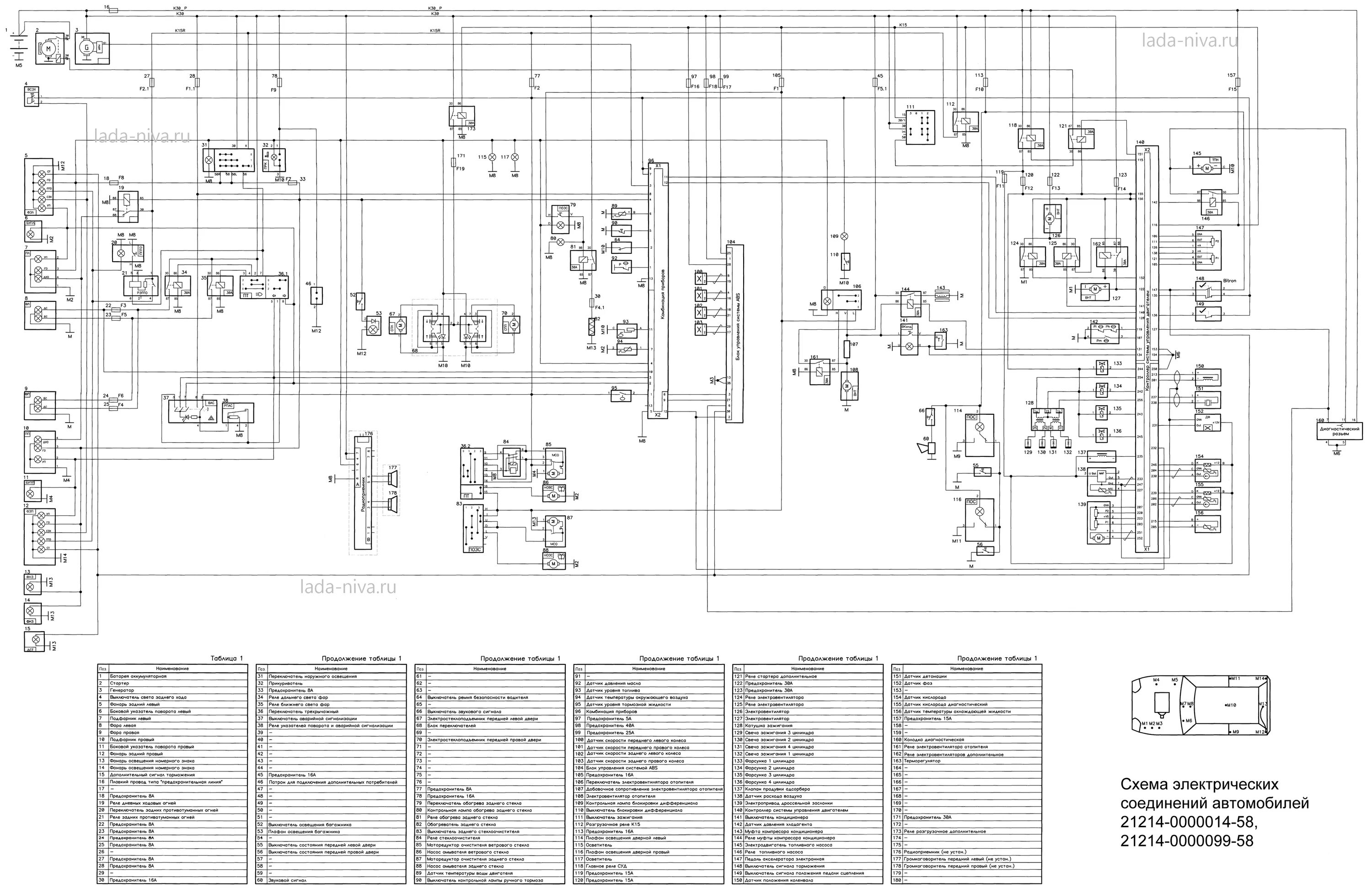
Нива принципиальная схема электрическая Электрическая схема ВАЗ-21214 с распределенным впрыском
Электрическая схема ВАЗ-21214 с распределенным впрыском