Нива электросхема зажигания

Нива электросхема зажигания Электросхемы проводов на Нива Шевроле с подробным описанием реле и блока предохр
Электросхемы проводов на Нива Шевроле с подробным описанием реле и блока предохр
Нива электросхема зажигания Схема подключения поворотников автомобиля Нива 21213
Схема подключения поворотников автомобиля Нива 21213
Нива электросхема зажигания Схема проводки. - Lada 4x4 3D, 1,7 л, 2011 года своими руками DRIVE2
Схема проводки. - Lada 4x4 3D, 1,7 л, 2011 года своими руками DRIVE2
Нива электросхема зажигания Пропуски зажигания - ошибки 0300, 0301–0304, 0363, 1301–1304 @ Нива 4x4
Пропуски зажигания - ошибки 0300, 0301–0304, 0363, 1301–1304 @ Нива 4x4
Нива электросхема зажигания Электросхема ВАЗ 21214 Нива " Ремонт, тюнинг и диагностика автомобилей своими ру
Электросхема ВАЗ 21214 Нива " Ремонт, тюнинг и диагностика автомобилей своими ру
Нива электросхема зажигания Схема соединений стартера 35.3708 Нива 21213
Схема соединений стартера 35.3708 Нива 21213
Нива электросхема зажигания ура снова БСЗ - Lada 4x4 3D, 1,6 л, 1985 года своими руками DRIVE2
ура снова БСЗ - Lada 4x4 3D, 1,6 л, 1985 года своими руками DRIVE2
Нива электросхема зажигания Система зажигания ВАЗ 2109
Система зажигания ВАЗ 2109
Нива электросхема зажигания Схема подключения стартера автомобиля Нива 21214 инжектор
Схема подключения стартера автомобиля Нива 21214 инжектор
Нива электросхема зажигания И снова Шнива! Не работают вентиляторы охлаждения радиатора. -- Форум водномотор
И снова Шнива! Не работают вентиляторы охлаждения радиатора. -- Форум водномотор
Нива электросхема зажигания Мануал по ремонту ВАЗ 2131 - купить автокнигу "ВАЗ 2131 / 21213 / 21214 / 2129 б
Мануал по ремонту ВАЗ 2131 - купить автокнигу "ВАЗ 2131 / 21213 / 21214 / 2129 б
Нива электросхема зажигания Концевик (лягушка) ручника Нива 21213, схема подключения
Концевик (лягушка) ручника Нива 21213, схема подключения
Нива электросхема зажигания кнопка аварийки(евро) 21213 переделка - сделано! - Lada 4x4 3D, 1,7 л, 2000 года
кнопка аварийки(евро) 21213 переделка - сделано! - Lada 4x4 3D, 1,7 л, 2000 года
Нива электросхема зажигания День 43.Проводка. - Автокам 3101, 1,6 л, 1990 года своими руками DRIVE2
День 43.Проводка. - Автокам 3101, 1,6 л, 1990 года своими руками DRIVE2
Нива электросхема зажигания Подробная электросхема ваз 21213 карбюратор где находится реле регулятор?" - Янд
Подробная электросхема ваз 21213 карбюратор где находится реле регулятор?" - Янд
Нива электросхема зажигания Помогите с крокодилом 2131 - Нива: Электрика и Оптика - Lada-forum.ru
Помогите с крокодилом 2131 - Нива: Электрика и Оптика - Lada-forum.ru
Нива электросхема зажигания Диагностический сканер для нивы из Китая - ELM 327 - Lada 4x4 3D, 1,8 л, 2005 го
Диагностический сканер для нивы из Китая - ELM 327 - Lada 4x4 3D, 1,8 л, 2005 го
Нива электросхема зажигания LADA NIVA/LADA 4X4 Руководство по эксплуатации, техническому обслуживанию и ремо
LADA NIVA/LADA 4X4 Руководство по эксплуатации, техническому обслуживанию и ремо
Нива электросхема зажигания Схема системы зажигания карбюраторного двигателя Нива 21213
Схема системы зажигания карбюраторного двигателя Нива 21213
Нива электросхема зажигания Вакуумник ваз - КарЛайн.ру
Вакуумник ваз - КарЛайн.ру
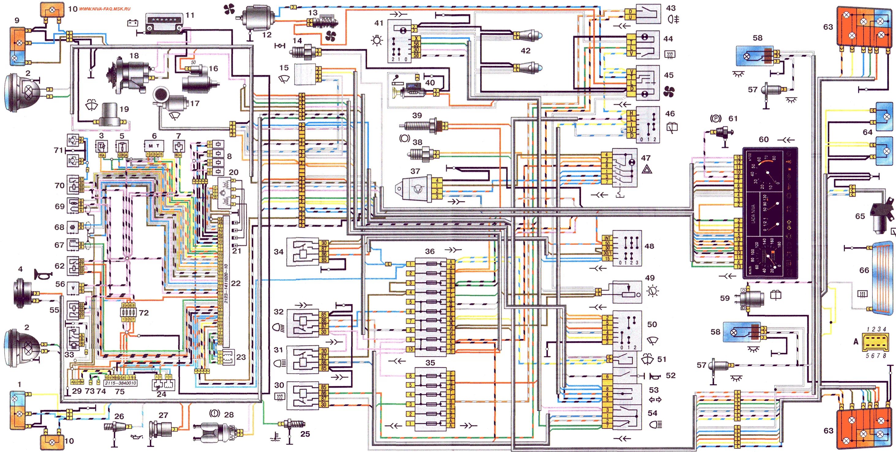
Нива электросхема зажигания Схемы электрооборудования ВАЗ. Часть 2 (Нива 2121, 21213, 21214М) - Сообщество "
Схемы электрооборудования ВАЗ. Часть 2 (Нива 2121, 21213, 21214М) - Сообщество "
Нива электросхема зажигания Схемы ваз нива 2121
Схемы ваз нива 2121
Нива электросхема зажигания Scheme of the electrical equipment of the car VAZ-21213 (VAZ-21213 "Niva" 1994-2
Scheme of the electrical equipment of the car VAZ-21213 (VAZ-21213 "Niva" 1994-2
Нива электросхема зажигания Описание электросхемы Нива 2121
Описание электросхемы Нива 2121
Нива электросхема зажигания Электропроводка ВАЗ 21213 Тайга - YouTube
Электропроводка ВАЗ 21213 Тайга - YouTube
Нива электросхема зажигания Схемы электрооборудования ВАЗ. Часть 2 (Нива 2121, 21213, 21214М) - Сообщество "
Схемы электрооборудования ВАЗ. Часть 2 (Нива 2121, 21213, 21214М) - Сообщество "
Нива электросхема зажигания Система зажигания. ВАЗ 21213, 21214 (Нива) / 1d8f4d
Система зажигания. ВАЗ 21213, 21214 (Нива) / 1d8f4d
Нива электросхема зажигания Замена распределительной колодки - Lada 4x4 3D, 2 л, 1981 года электроника DRIVE
Замена распределительной колодки - Lada 4x4 3D, 2 л, 1981 года электроника DRIVE
Нива электросхема зажигания Электрическая схема ВАЗ-2121 - Lada 4x4 3D, 1,6 л, 1993 года электроника DRIVE2
Электрическая схема ВАЗ-2121 - Lada 4x4 3D, 1,6 л, 1993 года электроника DRIVE2
Нива электросхема зажигания Дворники с регулировкой паузы. - НИВА.КЛУБ
Дворники с регулировкой паузы. - НИВА.КЛУБ