Нива 2131 электросхема

Нива 2131 электросхема Электросхемы проводов на Нива Шевроле с подробным описанием реле и блока предохр
Электросхемы проводов на Нива Шевроле с подробным описанием реле и блока предохр
Нива 2131 электросхема Электрические схемы ваз 21214 инжектор: найдено 76 картинок
Электрические схемы ваз 21214 инжектор: найдено 76 картинок
Нива 2131 электросхема Электросхема L55 - Chevrolet Niva, 1,7 л, 2011 года электроника DRIVE2
Электросхема L55 - Chevrolet Niva, 1,7 л, 2011 года электроника DRIVE2
Нива 2131 электросхема Ищу схемы - Lada 2131, 1,7 л, 2010 года другое DRIVE2
Ищу схемы - Lada 2131, 1,7 л, 2010 года другое DRIVE2
Нива 2131 электросхема "Ленивые" поворотники - Chevrolet Niva GLX, 1,7 л, 2010 года тюнинг DRIVE2
"Ленивые" поворотники - Chevrolet Niva GLX, 1,7 л, 2010 года тюнинг DRIVE2
Нива 2131 электросхема День 43.Проводка. - Автокам 3101, 1,6 л, 1990 года своими руками DRIVE2
День 43.Проводка. - Автокам 3101, 1,6 л, 1990 года своими руками DRIVE2
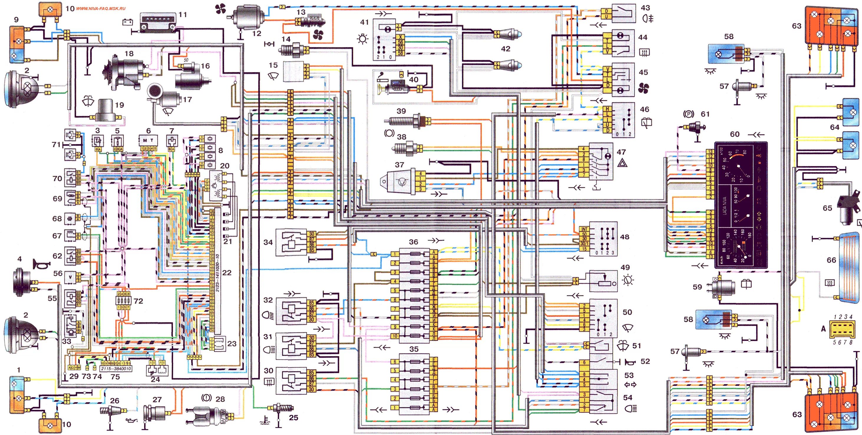
Нива 2131 электросхема Схемы электрооборудования ВАЗ. Часть 2 (Нива 2121, 21213, 21214М) - Сообщество "
Схемы электрооборудования ВАЗ. Часть 2 (Нива 2121, 21213, 21214М) - Сообщество "
Нива 2131 электросхема NIVA illusztrációk
NIVA illusztrációk
Нива 2131 электросхема Подробная электросхема ваз 21213 карбюратор где находится реле регулятор?" - Янд
Подробная электросхема ваз 21213 карбюратор где находится реле регулятор?" - Янд
Нива 2131 электросхема Музыка в Оку, как сделать. - Lada 11113 Ока, 0,7 л, 2000 года автозвук DRIVE2
Музыка в Оку, как сделать. - Lada 11113 Ока, 0,7 л, 2000 года автозвук DRIVE2
Нива 2131 электросхема Электросхемы Нивы 21214М - Lada 4x4 3D, 1,6 л, 1995 года электроника DRIVE2
Электросхемы Нивы 21214М - Lada 4x4 3D, 1,6 л, 1995 года электроника DRIVE2
Нива 2131 электросхема И снова Шнива! Не работают вентиляторы охлаждения радиатора. -- Форум водномотор
И снова Шнива! Не работают вентиляторы охлаждения радиатора. -- Форум водномотор
Нива 2131 электросхема Альбом схем электрических соединений 21214/2131 (2009 г.
Альбом схем электрических соединений 21214/2131 (2009 г.
Нива 2131 электросхема LADA NIVA/LADA 4X4 Руководство по эксплуатации, техническому обслуживанию и ремо
LADA NIVA/LADA 4X4 Руководство по эксплуатации, техническому обслуживанию и ремо
Нива 2131 электросхема Схема электропроводки ваз 21215 - фото - АвтоМастер Инфо
Схема электропроводки ваз 21215 - фото - АвтоМастер Инфо
Нива 2131 электросхема Схема проводки. - Lada 4x4 3D, 1,7 л, 2011 года своими руками DRIVE2
Схема проводки. - Lada 4x4 3D, 1,7 л, 2011 года своими руками DRIVE2
Нива 2131 электросхема кнопка аварийки(евро) 21213 переделка - сделано! - Lada 4x4 3D, 1,7 л, 2000 года
кнопка аварийки(евро) 21213 переделка - сделано! - Lada 4x4 3D, 1,7 л, 2000 года
Нива 2131 электросхема Изменение электросхемы автомобиля - Lada 2115, 1,5 л, 2001 года своими руками DR
Изменение электросхемы автомобиля - Lada 2115, 1,5 л, 2001 года своими руками DR
Нива 2131 электросхема Электросхема ВАЗ 21214 Нива " Ремонт, тюнинг и диагностика автомобилей своими ру
Электросхема ВАЗ 21214 Нива " Ремонт, тюнинг и диагностика автомобилей своими ру
Нива 2131 электросхема Схемы ваз нива 2121
Схемы ваз нива 2121
Нива 2131 электросхема Электросхема ваз 21213 нива карбюратор с описанием
Электросхема ваз 21213 нива карбюратор с описанием
Нива 2131 электросхема Ищу схемы - Lada 2131, 1,7 л, 2010 года другое DRIVE2
Ищу схемы - Lada 2131, 1,7 л, 2010 года другое DRIVE2
Нива 2131 электросхема Замена распределительной колодки - Lada 4x4 3D, 2 л, 1981 года электроника DRIVE
Замена распределительной колодки - Lada 4x4 3D, 2 л, 1981 года электроника DRIVE
Нива 2131 электросхема Описание электросхемы Нива 2121
Описание электросхемы Нива 2121
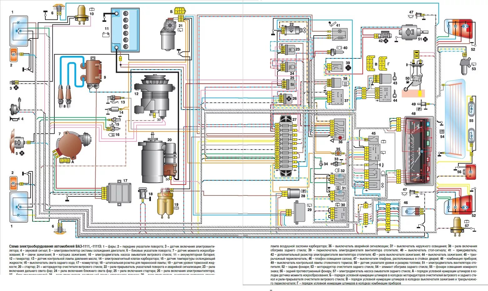
Нива 2131 электросхема Электропроводка ВАЗ 21213 Тайга - YouTube
Электропроводка ВАЗ 21213 Тайга - YouTube
Нива 2131 электросхема Схемы электрооборудования ВАЗ. Часть 2 (Нива 2121, 21213, 21214М) - Сообщество "
Схемы электрооборудования ВАЗ. Часть 2 (Нива 2121, 21213, 21214М) - Сообщество "
Нива 2131 электросхема Scheme of the electrical equipment of the car VAZ-21213 (VAZ-21213 "Niva" 1994-2
Scheme of the electrical equipment of the car VAZ-21213 (VAZ-21213 "Niva" 1994-2
Нива 2131 электросхема Схемы электрооборудования ВАЗ. Часть 2 (Нива 2121, 21213, 21214М) - Сообщество "
Схемы электрооборудования ВАЗ. Часть 2 (Нива 2121, 21213, 21214М) - Сообщество "
Нива 2131 электросхема Вакуумник ваз - КарЛайн.ру
Вакуумник ваз - КарЛайн.ру
Нива 2131 электросхема Электросхема 21213 - Lada 4x4 3D, 1,8 л, 2005 года электроника DRIVE2
Электросхема 21213 - Lada 4x4 3D, 1,8 л, 2005 года электроника DRIVE2