Нива 21214 вентиляторы охлаждения схема подключения

Нива 21214 вентиляторы охлаждения схема подключения принудительное выключение вентиляторов - Сообщество "Chevrolet Niva" на DRIVE2
принудительное выключение вентиляторов - Сообщество "Chevrolet Niva" на DRIVE2
Нива 21214 вентиляторы охлаждения схема подключения 2 скорость вентилятора с помощью j7es - Lada 2113, 1,6 л, 2007 года тюнинг DRIVE
2 скорость вентилятора с помощью j7es - Lada 2113, 1,6 л, 2007 года тюнинг DRIVE
Нива 21214 вентиляторы охлаждения схема подключения Датчик включения вентиляторов в штатную схему ВАЗ 2123 (Шевроле Нива) - DRIVE2
Датчик включения вентиляторов в штатную схему ВАЗ 2123 (Шевроле Нива) - DRIVE2
Нива 21214 вентиляторы охлаждения схема подключения Схема вентиляторов охлаждения нива урбан - фото - АвтоМастер Инфо
Схема вентиляторов охлаждения нива урбан - фото - АвтоМастер Инфо
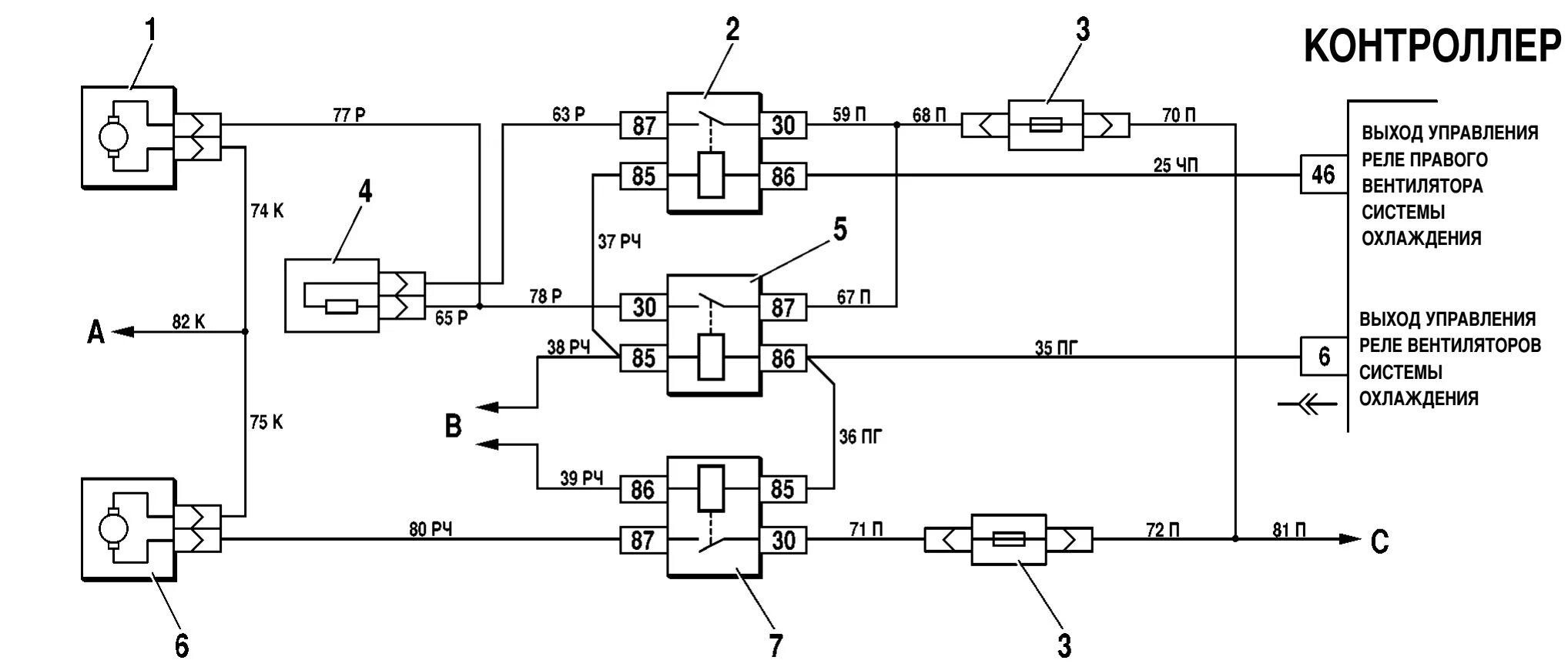
Нива 21214 вентиляторы охлаждения схема подключения Схема электрической цепи вентиляторов системы охлаждения Шевроле Нива. Автотема
Схема электрической цепи вентиляторов системы охлаждения Шевроле Нива. Автотема
Нива 21214 вентиляторы охлаждения схема подключения Схема вентиляторов охлаждения нива урбан - фото - АвтоМастер Инфо
Схема вентиляторов охлаждения нива урбан - фото - АвтоМастер Инфо
Нива 21214 вентиляторы охлаждения схема подключения Chevy-Niva * Просмотр темы - не включается левый вентилятор
Chevy-Niva * Просмотр темы - не включается левый вентилятор
Нива 21214 вентиляторы охлаждения схема подключения Вентиляторы охлаждения 21214; ошибки 0480, 0481 @ Нива 4x4
Вентиляторы охлаждения 21214; ошибки 0480, 0481 @ Нива 4x4
Нива 21214 вентиляторы охлаждения схема подключения Не включается второй вентилятор на ниве
Не включается второй вентилятор на ниве
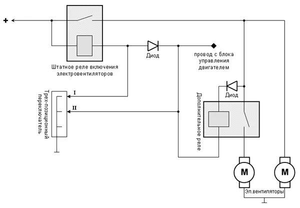
Нива 21214 вентиляторы охлаждения схема подключения Дополнение к установке вентиляторов охлаждения от Нивы (Электрическая схема), кр
Дополнение к установке вентиляторов охлаждения от Нивы (Электрическая схема), кр
Нива 21214 вентиляторы охлаждения схема подключения Подключение вентиляторов охлаждения по новой схеме. - Chevrolet Niva, 1,7 л, 200
Подключение вентиляторов охлаждения по новой схеме. - Chevrolet Niva, 1,7 л, 200
Нива 21214 вентиляторы охлаждения схема подключения Печка и термостат. - Chevrolet Niva, 1,7 л, 2005 года своими руками DRIVE2
Печка и термостат. - Chevrolet Niva, 1,7 л, 2005 года своими руками DRIVE2
Нива 21214 вентиляторы охлаждения схема подключения двух скоростной карлсон с датчиком включения - Lada 4x4 3D, 2 л, 1995 года элект
двух скоростной карлсон с датчиком включения - Lada 4x4 3D, 2 л, 1995 года элект
Нива 21214 вентиляторы охлаждения схема подключения Вентиляторы нива 21214 - ГАЗ 31105, 2,5 л, 2006 года тюнинг DRIVE2
Вентиляторы нива 21214 - ГАЗ 31105, 2,5 л, 2006 года тюнинг DRIVE2
Нива 21214 вентиляторы охлаждения схема подключения Вентиляторы охлаждения - последовательное и параллельное включение - Lada 4x4 3D
Вентиляторы охлаждения - последовательное и параллельное включение - Lada 4x4 3D
Нива 21214 вентиляторы охлаждения схема подключения Установка вентиляторов охлаждения 21214(схема). - Lada 21093, 1,6 л, 1997 года э
Установка вентиляторов охлаждения 21214(схема). - Lada 21093, 1,6 л, 1997 года э
Нива 21214 вентиляторы охлаждения схема подключения Вентилятор радиатора нива 21213, схема подключения
Вентилятор радиатора нива 21213, схема подключения
Нива 21214 вентиляторы охлаждения схема подключения Последовательное включение вентиляторов охлаждения и замена радиатора охлаждения
Последовательное включение вентиляторов охлаждения и замена радиатора охлаждения
Нива 21214 вентиляторы охлаждения схема подключения Подключение електровентиляторов - Lada 4x4 3D, 1,7 л, 1999 года тюнинг DRIVE2
Подключение електровентиляторов - Lada 4x4 3D, 1,7 л, 1999 года тюнинг DRIVE2
Нива 21214 вентиляторы охлаждения схема подключения Подогрев щеток (дворников) лобового стекла Ч.2 (электро схема) - Lada 4x4 3D, 2
Подогрев щеток (дворников) лобового стекла Ч.2 (электро схема) - Lada 4x4 3D, 2
Нива 21214 вентиляторы охлаждения схема подключения Раздельное включение сдвоенного вентилятора на ВАЗ-21214 Томский Клуб Автомобили
Раздельное включение сдвоенного вентилятора на ВАЗ-21214 Томский Клуб Автомобили
Нива 21214 вентиляторы охлаждения схема подключения Операция кондиционер - Москвич 2141, 2 л, 1990 года тюнинг DRIVE2
Операция кондиционер - Москвич 2141, 2 л, 1990 года тюнинг DRIVE2
Нива 21214 вентиляторы охлаждения схема подключения вентиляторы - последовательно-параллельное включение - Lada 4x4 3D, 1,7 л, 2015
вентиляторы - последовательно-параллельное включение - Lada 4x4 3D, 1,7 л, 2015
Нива 21214 вентиляторы охлаждения схема подключения Замена вискомуфты на электровентиляторы Ч.2 - УАЗ Patriot, 2,7 л, 2015 года элек
Замена вискомуфты на электровентиляторы Ч.2 - УАЗ Patriot, 2,7 л, 2015 года элек
Нива 21214 вентиляторы охлаждения схема подключения Электро вентиляторы от кондиционера в Газель - ГАЗ Газель, 2,6 л, 1998 года элек
Электро вентиляторы от кондиционера в Газель - ГАЗ Газель, 2,6 л, 1998 года элек
Нива 21214 вентиляторы охлаждения схема подключения Вентиляторы. Проблемы и решения. - Страница 5 - НИВА.КЛУБ
Вентиляторы. Проблемы и решения. - Страница 5 - НИВА.КЛУБ
Нива 21214 вентиляторы охлаждения схема подключения Вентиляторы ДВС - принудительно (ЭБУ Bosch ME 17.9.7) Ч.1 Теория - Lada 4x4 3D,
Вентиляторы ДВС - принудительно (ЭБУ Bosch ME 17.9.7) Ч.1 Теория - Lada 4x4 3D,
Нива 21214 вентиляторы охлаждения схема подключения Электровентиляторы 21214 в 2121 - Lada 4x4 3D, 1,6 л, 1986 года электроника DRIV
Электровентиляторы 21214 в 2121 - Lada 4x4 3D, 1,6 л, 1986 года электроника DRIV
Нива 21214 вентиляторы охлаждения схема подключения Доп свет, подключение Спарки по уму) - Lada 4x4 3D, 1,7 л, 1996 года тюнинг DRIV
Доп свет, подключение Спарки по уму) - Lada 4x4 3D, 1,7 л, 1996 года тюнинг DRIV
Нива 21214 вентиляторы охлаждения схема подключения Вентилятор радиатора Нива 21213 схема подключения
Вентилятор радиатора Нива 21213 схема подключения