Ниссан вингроуд замок багажника схема подключения

Ниссан вингроуд замок багажника схема подключения Поломка ЦЗ и непонятное реле - Nissan Wingroad (Y11), 1,5 л, 1999 года поломка D
Поломка ЦЗ и непонятное реле - Nissan Wingroad (Y11), 1,5 л, 1999 года поломка D
Ниссан вингроуд замок багажника схема подключения Removal and installation of the front impact sensor Nissan Qashqai 2007 - 2013
Removal and installation of the front impact sensor Nissan Qashqai 2007 - 2013
Ниссан вингроуд замок багажника схема подключения Замок багажника. - Nissan Cube II, 1,4 л, 2003 года поломка DRIVE2
Замок багажника. - Nissan Cube II, 1,4 л, 2003 года поломка DRIVE2
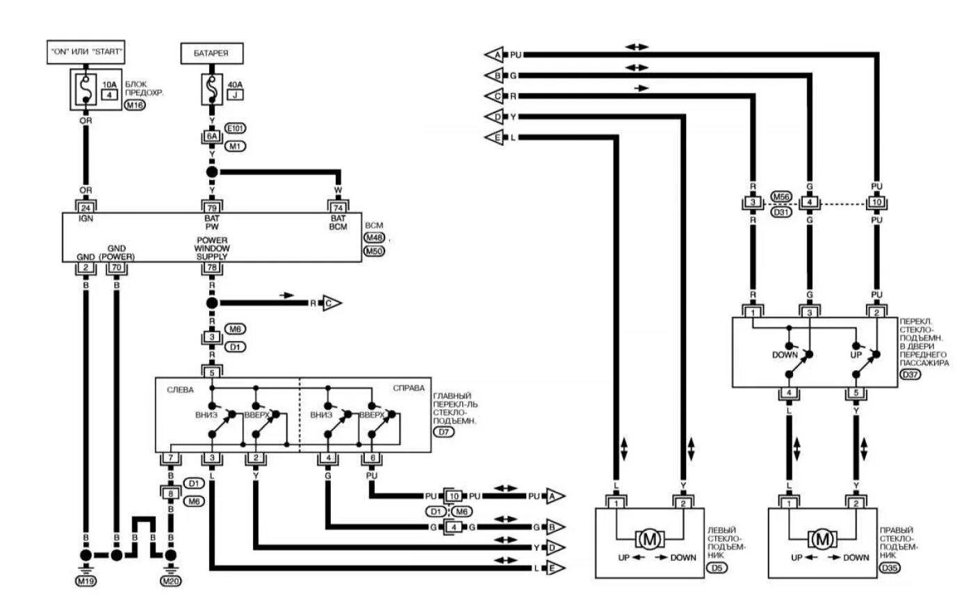
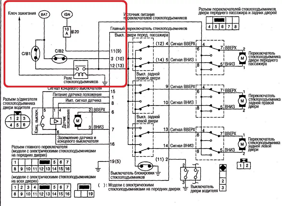
Ниссан вингроуд замок багажника схема подключения Нужны схемы кнопок и фишек эл.стеклоподъемников ) - Nissan Note (1G), 1,6 л, 201
Нужны схемы кнопок и фишек эл.стеклоподъемников ) - Nissan Note (1G), 1,6 л, 201
Ниссан вингроуд замок багажника схема подключения Замок двери на Nissan Wingroad WFY11. Заднее расположение - Купить запчасть ш/к
Замок двери на Nissan Wingroad WFY11. Заднее расположение - Купить запчасть ш/к
Ниссан вингроуд замок багажника схема подключения Central locking (Nissan Almera 1 N15, 1995-2000) - "Electrical equipment: Equipm
Central locking (Nissan Almera 1 N15, 1995-2000) - "Electrical equipment: Equipm
Ниссан вингроуд замок багажника схема подключения Замена механических зеркал на электро + подогрев - Nissan AD (Y11), 1,5 л, 2000
Замена механических зеркал на электро + подогрев - Nissan AD (Y11), 1,5 л, 2000
Ниссан вингроуд замок багажника схема подключения Ниссан вингроад y11 электрическая схема - фото - АвтоМастер Инфо
Ниссан вингроад y11 электрическая схема - фото - АвтоМастер Инфо
Ниссан вингроуд замок багажника схема подключения Замена вЁсел на электростеклоподъемники (2 часть) - Nissan AD (Y11), 1,5 л, 2000
Замена вЁсел на электростеклоподъемники (2 часть) - Nissan AD (Y11), 1,5 л, 2000
Ниссан вингроуд замок багажника схема подключения Замена вЁсел на электростеклоподъемники (2 часть) - Nissan AD (Y11), 1,5 л, 2000
Замена вЁсел на электростеклоподъемники (2 часть) - Nissan AD (Y11), 1,5 л, 2000
Ниссан вингроуд замок багажника схема подключения Центральный замок - Nissan Primera (P10), 2 л, 1993 года электроника DRIVE2
Центральный замок - Nissan Primera (P10), 2 л, 1993 года электроника DRIVE2
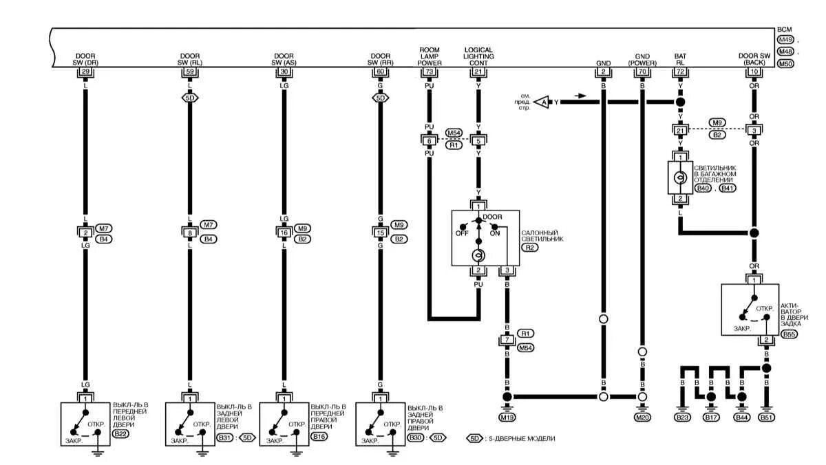
Ниссан вингроуд замок багажника схема подключения Ниссан Микра. Схема и отдельные цепи внутреннего освещения. Nissan Micra / 900ef
Ниссан Микра. Схема и отдельные цепи внутреннего освещения. Nissan Micra / 900ef
Ниссан вингроуд замок багажника схема подключения Ремонт центрального замка - Nissan Serena Mk II (C24), 2 л, 2000 года своими рук
Ремонт центрального замка - Nissan Serena Mk II (C24), 2 л, 2000 года своими рук
Ниссан вингроуд замок багажника схема подключения Замена приборной панели - Nissan Sunny (B15), 1,5 л, 2000 года электроника DRIVE
Замена приборной панели - Nissan Sunny (B15), 1,5 л, 2000 года электроника DRIVE
Ниссан вингроуд замок багажника схема подключения Схема адзінага замка (Нісан Мікра 3, Micra K12, бензін, 2002-2010) - "Электраабс
Схема адзінага замка (Нісан Мікра 3, Micra K12, бензін, 2002-2010) - "Электраабс
Ниссан вингроуд замок багажника схема подключения Скрытые режимы POWER/SNOW АКПП Nissan - Nissan Wingroad (Y11), 1,5 л, 2002 года
Скрытые режимы POWER/SNOW АКПП Nissan - Nissan Wingroad (Y11), 1,5 л, 2002 года
Ниссан вингроуд замок багажника схема подключения Автомобиль Nissan Primera (2002+). Электросхемы - часть 8
Автомобиль Nissan Primera (2002+). Электросхемы - часть 8
Ниссан вингроуд замок багажника схема подключения Установка подушки безопасности переднего пассажира на NISSAN AD - Nissan AD (Y11
Установка подушки безопасности переднего пассажира на NISSAN AD - Nissan AD (Y11
Ниссан вингроуд замок багажника схема подключения Центральный замок - нужна помощь " Nissan Sylphy Club
Центральный замок - нужна помощь " Nissan Sylphy Club
Ниссан вингроуд замок багажника схема подключения Замок и ручка передней двери для Nissan VANETTE GC22, год: 1986 - 2012. OEM запч
Замок и ручка передней двери для Nissan VANETTE GC22, год: 1986 - 2012. OEM запч
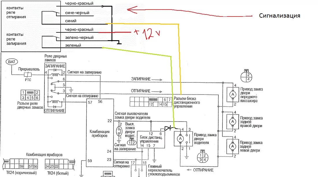
Ниссан вингроуд замок багажника схема подключения Подключение сигнализации к центральному замку. Ниссан Блюберд G10 - Nissan Blueb
Подключение сигнализации к центральному замку. Ниссан Блюберд G10 - Nissan Blueb
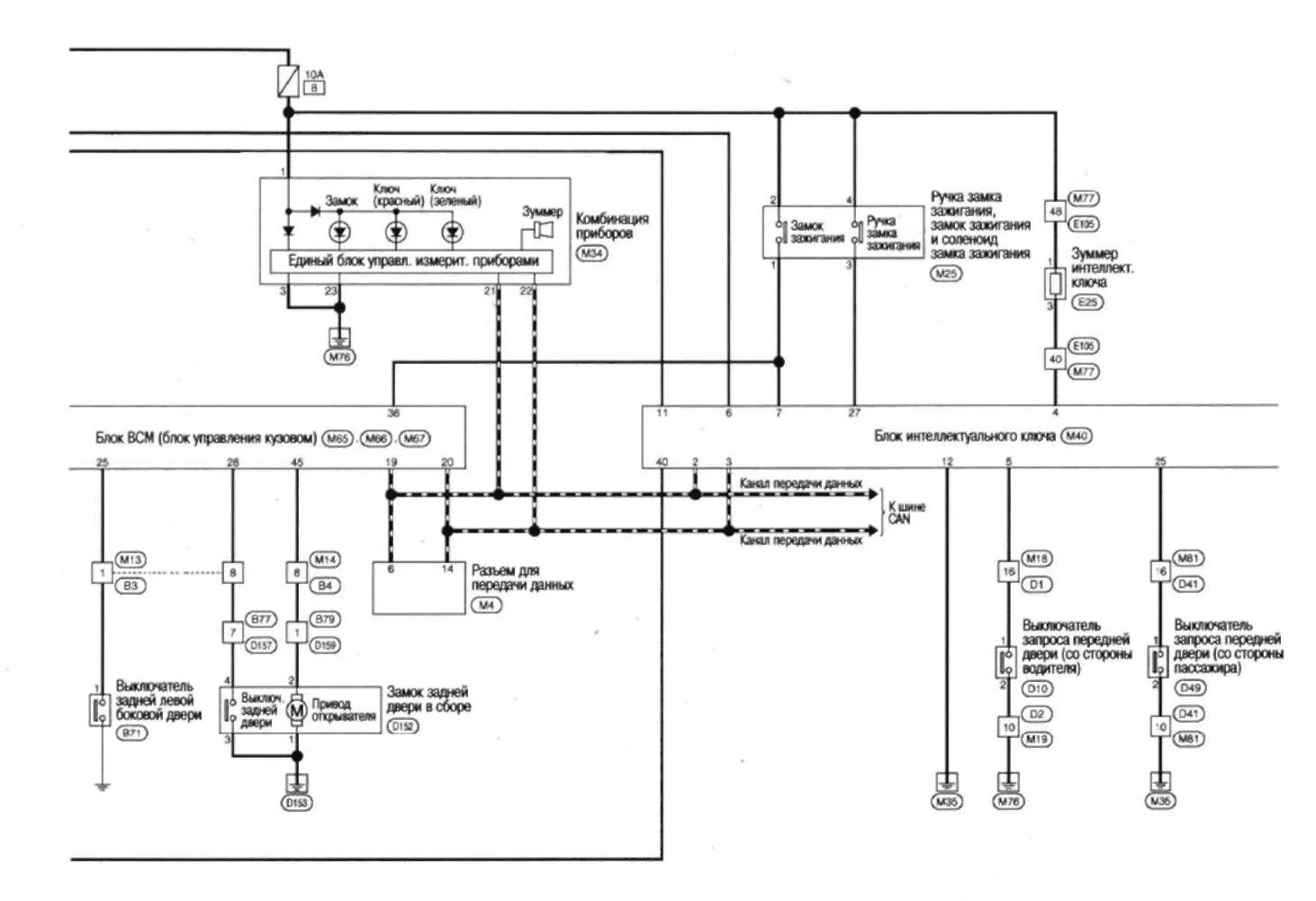
Ниссан вингроуд замок багажника схема подключения Руководство по ремонту Nissan Qashqai (Ниссан Кашкай) 2007+ г.в. 16.19.3 Схема э
Руководство по ремонту Nissan Qashqai (Ниссан Кашкай) 2007+ г.в. 16.19.3 Схема э
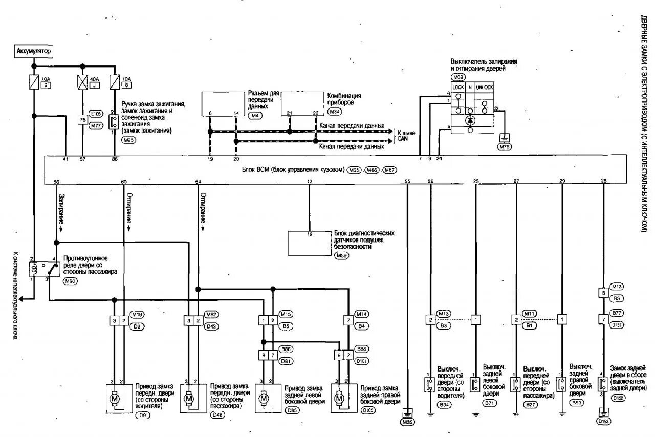
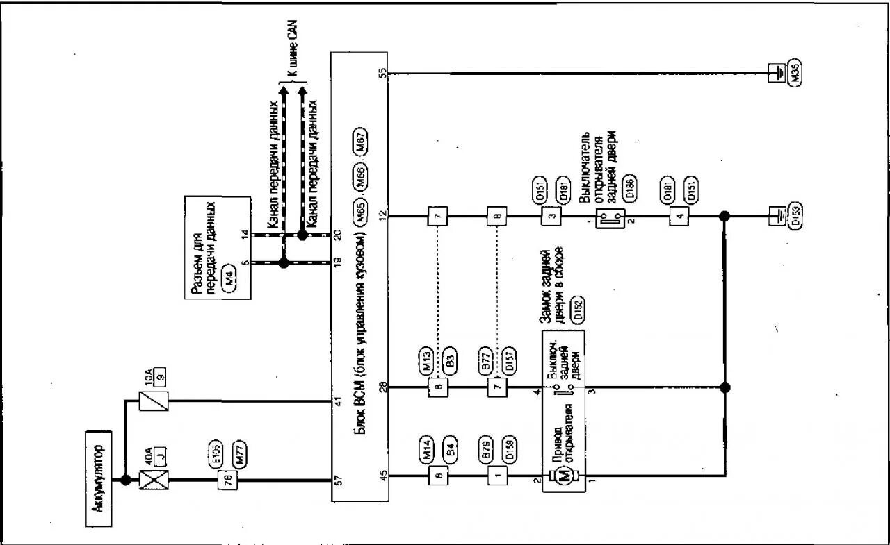
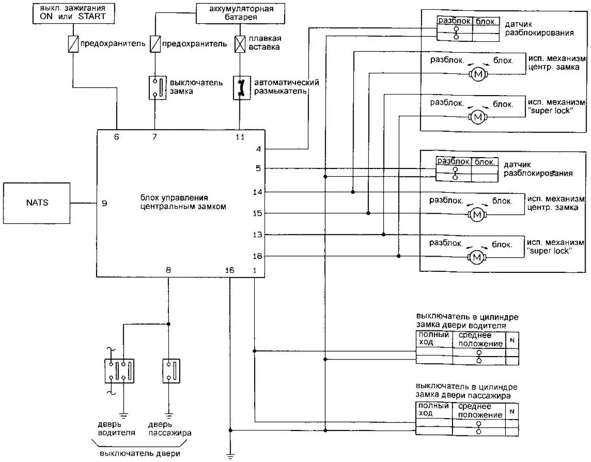
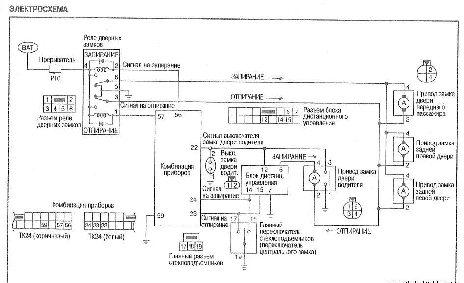
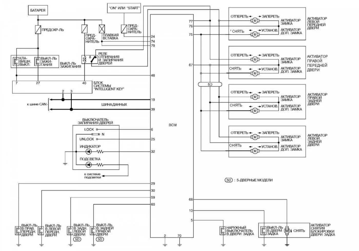
Ниссан вингроуд замок багажника схема подключения Принципиальная схема системы управления дверными замками с электроприводом (с ин
Принципиальная схема системы управления дверными замками с электроприводом (с ин
Ниссан вингроуд замок багажника схема подключения 90500AQ000 Замок багажника NISSAN INFINITI Запчасти на DRIVE2
90500AQ000 Замок багажника NISSAN INFINITI Запчасти на DRIVE2
Ниссан вингроуд замок багажника схема подключения Подключение обогрева зеркал по правильному - Nissan Wingroad (Y11), 1,5 л, 2002
Подключение обогрева зеркал по правильному - Nissan Wingroad (Y11), 1,5 л, 2002
Ниссан вингроуд замок багажника схема подключения Ремонт замка багажника и уплотнение дверных стекол - Chery M11, 1,6 л, 2011 года
Ремонт замка багажника и уплотнение дверных стекол - Chery M11, 1,6 л, 2011 года
Ниссан вингроуд замок багажника схема подключения Замена подрулевых переключателей - Nissan Wingroad (Y11), 1,5 л, 2001 года элект
Замена подрулевых переключателей - Nissan Wingroad (Y11), 1,5 л, 2001 года элект
Ниссан вингроуд замок багажника схема подключения Подключение сигнализации к центральному замку. Ниссан Блюберд G10 - Nissan Blueb
Подключение сигнализации к центральному замку. Ниссан Блюберд G10 - Nissan Blueb
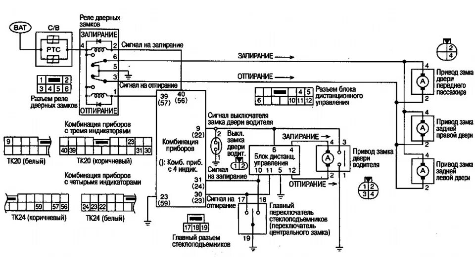
Ниссан вингроуд замок багажника схема подключения Центральный замок - Nissan AD (Y11), 1,5 л, 1999 года электроника DRIVE2
Центральный замок - Nissan AD (Y11), 1,5 л, 1999 года электроника DRIVE2
Ниссан вингроуд замок багажника схема подключения Установка задних электро стеклоподъемников. - Nissan Wingroad (Y11), 1,5 л, 2001
Установка задних электро стеклоподъемников. - Nissan Wingroad (Y11), 1,5 л, 2001