Ниссан мистраль генератор подключение

Ниссан мистраль генератор подключение Ниссан Ноут генератор
Ниссан Ноут генератор
Ниссан мистраль генератор подключение Nissan generátor töltéshiba - Töltésszabályzó megdöglött? Nem! MEGOLDVA! Elektro
Nissan generátor töltéshiba - Töltésszabályzó megdöglött? Nem! MEGOLDVA! Elektro
Ниссан мистраль генератор подключение Ревизия генератора - Nissan Mistral, 2,7 л, 1995 года своими руками DRIVE2
Ревизия генератора - Nissan Mistral, 2,7 л, 1995 года своими руками DRIVE2
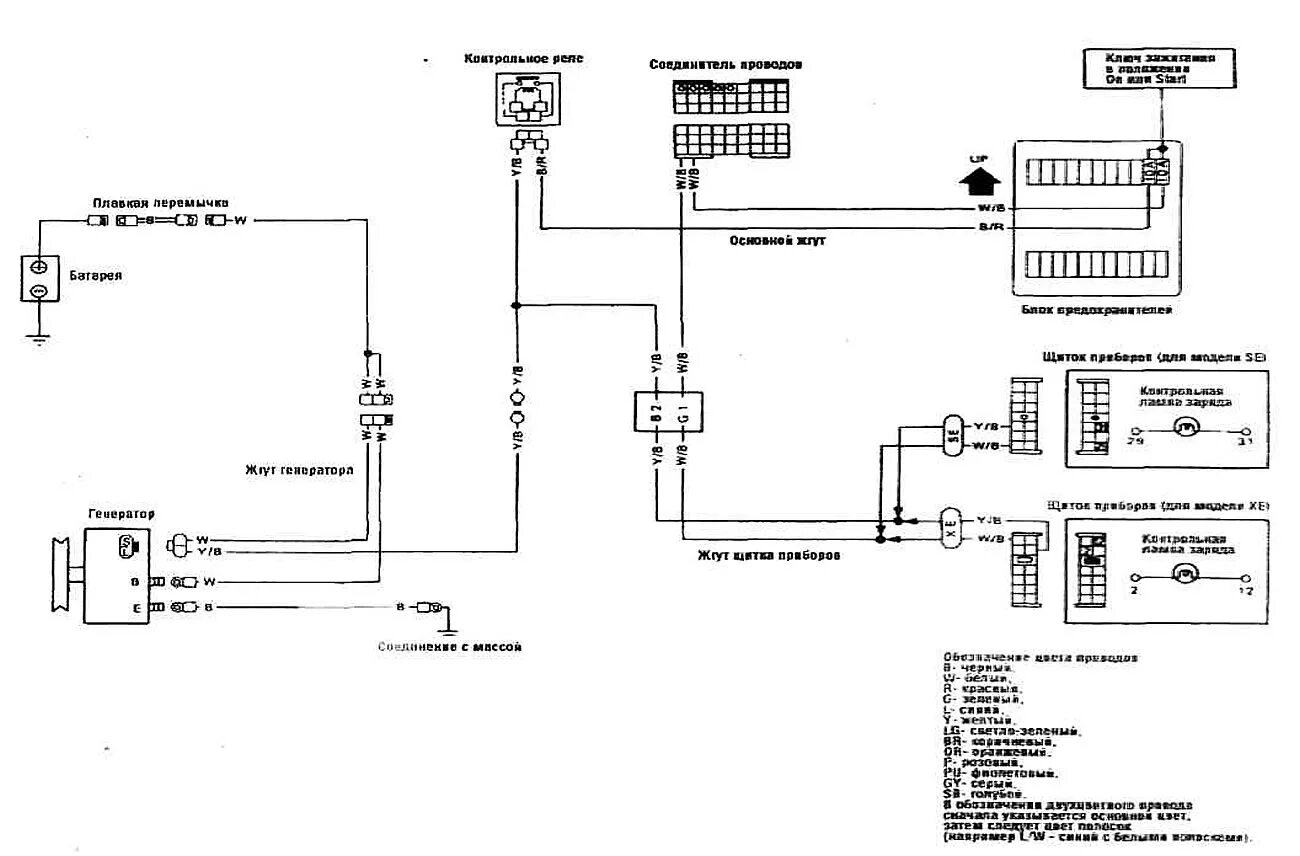
Ниссан мистраль генератор подключение Схема электропроводки ниссан мистраль - фото - АвтоМастер Инфо
Схема электропроводки ниссан мистраль - фото - АвтоМастер Инфо
Ниссан мистраль генератор подключение Пропала зарядка - Nissan Pathfinder (3G), 3 л, 2010 года поломка DRIVE2
Пропала зарядка - Nissan Pathfinder (3G), 3 л, 2010 года поломка DRIVE2
Ниссан мистраль генератор подключение Генератор ваз 2110 на Ниссан Санни GA-16 - DRIVE2
Генератор ваз 2110 на Ниссан Санни GA-16 - DRIVE2
Ниссан мистраль генератор подключение Nissan generátor töltéshiba - Töltésszabályzó megdöglött? Nem! MEGOLDVA! Elektro
Nissan generátor töltéshiba - Töltésszabályzó megdöglött? Nem! MEGOLDVA! Elektro
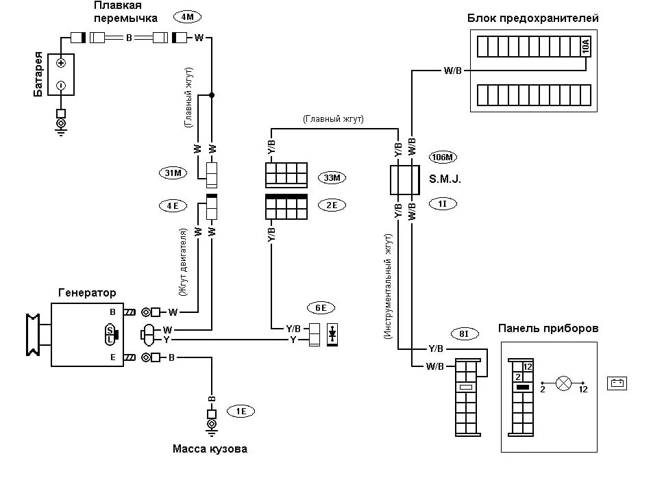
Ниссан мистраль генератор подключение Электросхемы 1 - Nissan Terrano I, 2,7 л, 1992 года электроника DRIVE2
Электросхемы 1 - Nissan Terrano I, 2,7 л, 1992 года электроника DRIVE2
Ниссан мистраль генератор подключение Electrical diagram of the generator (Kia Avella 1994-2000: Power unit: Battery a
Electrical diagram of the generator (Kia Avella 1994-2000: Power unit: Battery a
Ниссан мистраль генератор подключение генератор от иномарки - ГАЗ Газель, 2,5 л, 1999 года тюнинг DRIVE2
генератор от иномарки - ГАЗ Газель, 2,5 л, 1999 года тюнинг DRIVE2
Ниссан мистраль генератор подключение Новый генератор QD32 12V купить во Владивостоке по цене: 5 500 ₽ - частное объяв
Новый генератор QD32 12V купить во Владивостоке по цене: 5 500 ₽ - частное объяв
Ниссан мистраль генератор подключение Электросхемы 1 - Nissan Terrano I, 2,7 л, 1992 года электроника DRIVE2
Электросхемы 1 - Nissan Terrano I, 2,7 л, 1992 года электроника DRIVE2
Ниссан мистраль генератор подключение Генератор на Nissan Atlas Владивосток
Генератор на Nissan Atlas Владивосток
Ниссан мистраль генератор подключение Генератор Nissan Hitachi - Lada 4x4 5D, 2 л, 2007 года электроника DRIVE2
Генератор Nissan Hitachi - Lada 4x4 5D, 2 л, 2007 года электроника DRIVE2
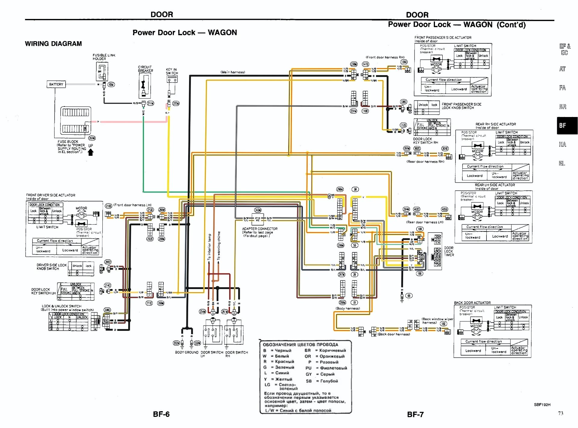
Ниссан мистраль генератор подключение Борьба с проводкой, сигналкой и приборкой - Nissan Terrano I, 3,2 л, 1993 года с
Борьба с проводкой, сигналкой и приборкой - Nissan Terrano I, 3,2 л, 1993 года с
Ниссан мистраль генератор подключение беда не приходит одна или не крутит стартер - Nissan Terrano I, 2,7 л, 1993 года
беда не приходит одна или не крутит стартер - Nissan Terrano I, 2,7 л, 1993 года
Ниссан мистраль генератор подключение Генератор на QD-32 - Страница 11 - Клуб любителей микроавтобусов и минивэнов
Генератор на QD-32 - Страница 11 - Клуб любителей микроавтобусов и минивэнов
Ниссан мистраль генератор подключение Генератор 150 ампер. Часть 1. - Nissan Mistral, 2,7 л, 1995 года своими руками D
Генератор 150 ампер. Часть 1. - Nissan Mistral, 2,7 л, 1995 года своими руками D
Ниссан мистраль генератор подключение Ремонт генератора HITACHI 23100-0L701 часть 2 - Nissan Maxima QX (A32), 3 л, 199
Ремонт генератора HITACHI 23100-0L701 часть 2 - Nissan Maxima QX (A32), 3 л, 199
Ниссан мистраль генератор подключение Помогите с генератором! - Nissan Wingroad (Y11), 1,8 л, 2000 года поломка DRIVE2
Помогите с генератором! - Nissan Wingroad (Y11), 1,8 л, 2000 года поломка DRIVE2
Ниссан мистраль генератор подключение Взаимозаменяемость генераторов - 8 - Электрооборудование - Primera Club
Взаимозаменяемость генераторов - 8 - Электрооборудование - Primera Club
Ниссан мистраль генератор подключение Вопрос Помогите определить модель генератора? - Mitsubishi Pajero, 2.6 л., 1986
Вопрос Помогите определить модель генератора? - Mitsubishi Pajero, 2.6 л., 1986
Ниссан мистраль генератор подключение Установка двух АКБ как на леворуких TERRANO 2(R20) (Для Северной Европпы) - Niss
Установка двух АКБ как на леворуких TERRANO 2(R20) (Для Северной Европпы) - Niss
Ниссан мистраль генератор подключение Схема электропроводки ниссан мистраль - фото - АвтоМастер Инфо
Схема электропроводки ниссан мистраль - фото - АвтоМастер Инфо
Ниссан мистраль генератор подключение 16. Генератор - Nissan Terrano I, 2,4 л, 1989 года визит на сервис DRIVE2
16. Генератор - Nissan Terrano I, 2,4 л, 1989 года визит на сервис DRIVE2
Ниссан мистраль генератор подключение Ремонт тахометра. - Nissan Mistral, 2,7 л, 1995 года своими руками DRIVE2
Ремонт тахометра. - Nissan Mistral, 2,7 л, 1995 года своими руками DRIVE2
Ниссан мистраль генератор подключение Генератор - Nissan Mistral, 2,7 л, 1995 года своими руками DRIVE2
Генератор - Nissan Mistral, 2,7 л, 1995 года своими руками DRIVE2
Ниссан мистраль генератор подключение Схемы мантажныя і электрычныя прынцыповыя (Нісан Тэрана 1 Terrano 1, бензін, 198
Схемы мантажныя і электрычныя прынцыповыя (Нісан Тэрана 1 Terrano 1, бензін, 198
Ниссан мистраль генератор подключение Установил новый генератор на 110А - Nissan Terrano I, 3 л, 1989 года электроника
Установил новый генератор на 110А - Nissan Terrano I, 3 л, 1989 года электроника
Ниссан мистраль генератор подключение Генератор, аккумулятор, лопасти, втягивающее. - Nissan Mistral, 2,7 л, 1994 года
Генератор, аккумулятор, лопасти, втягивающее. - Nissan Mistral, 2,7 л, 1994 года