Ниссан кашкай электросхема

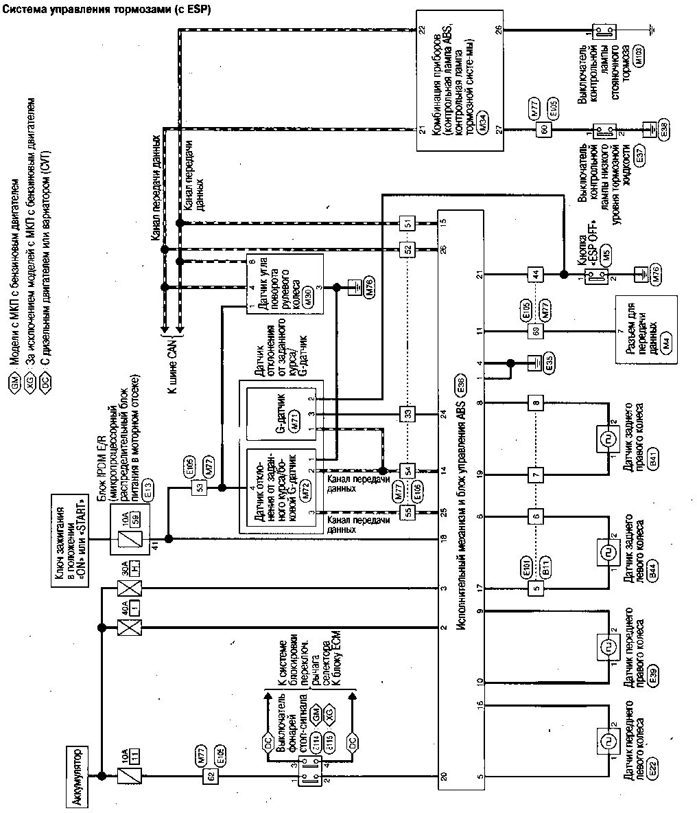
Ниссан кашкай электросхема Ремонт Ниссан Кашкай : СХЕМА ЭЛЕКТРИЧЕСКИХ СОЕДИНЕНИЙ - СИСТЕМА УПРАВЛЕНИЯ ТОРМО
Ремонт Ниссан Кашкай : СХЕМА ЭЛЕКТРИЧЕСКИХ СОЕДИНЕНИЙ - СИСТЕМА УПРАВЛЕНИЯ ТОРМО
Ниссан кашкай электросхема Электросхемы - часть 6 Nissan Руководство Nissan
Электросхемы - часть 6 Nissan Руководство Nissan
Ниссан кашкай электросхема Установка ПТФ и вопрос по подключению - Nissan Qashqai (1G), 1,6 л, 2010 года св
Установка ПТФ и вопрос по подключению - Nissan Qashqai (1G), 1,6 л, 2010 года св
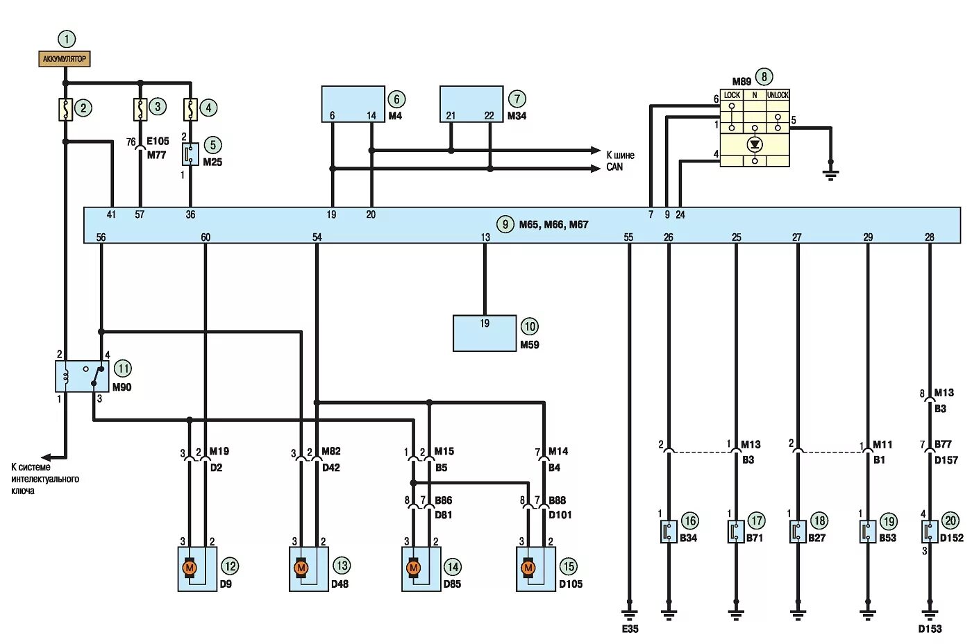
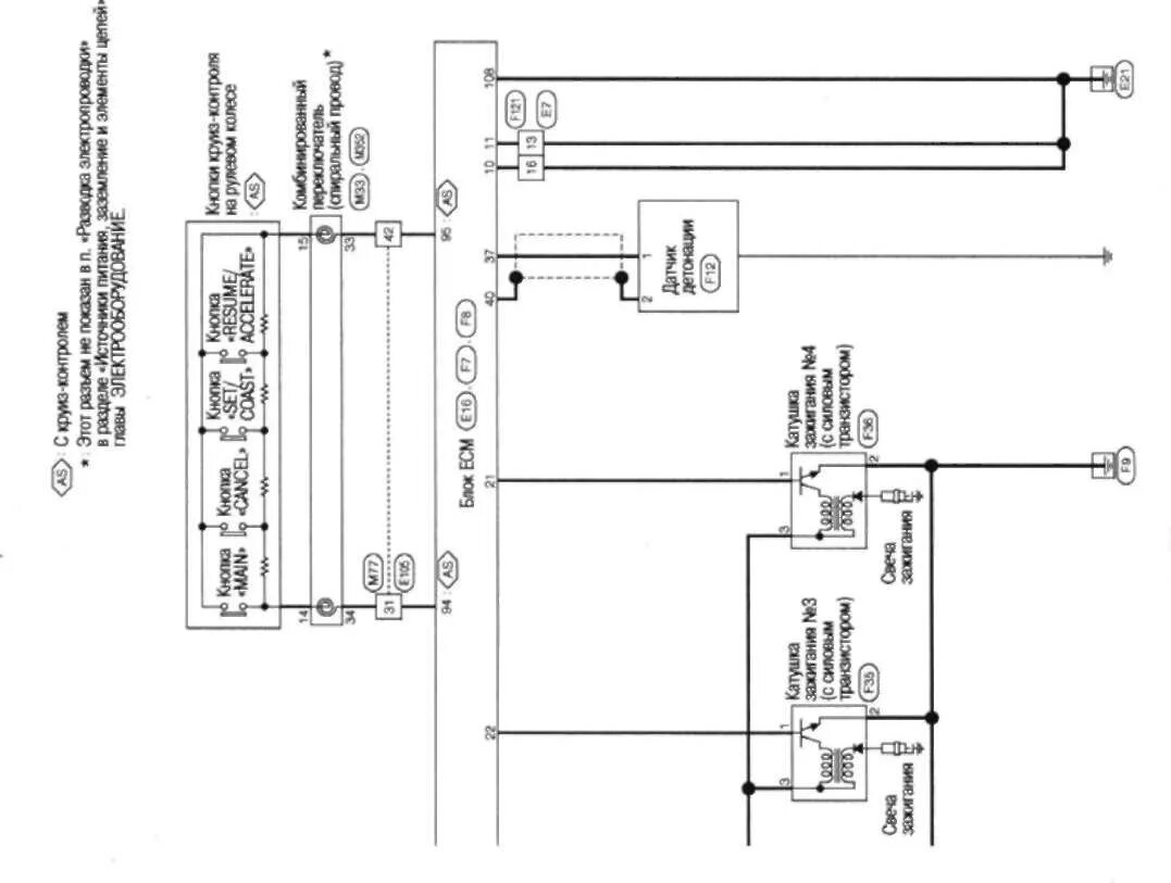
Ниссан кашкай электросхема Nissan Qashqai, Qashqai+2. Электросхемы - часть 9
Nissan Qashqai, Qashqai+2. Электросхемы - часть 9
Ниссан кашкай электросхема Nissan Qashqai (Ніссан Кашкай) з 2014 р, посібник з експлуатації
Nissan Qashqai (Ніссан Кашкай) з 2014 р, посібник з експлуатації
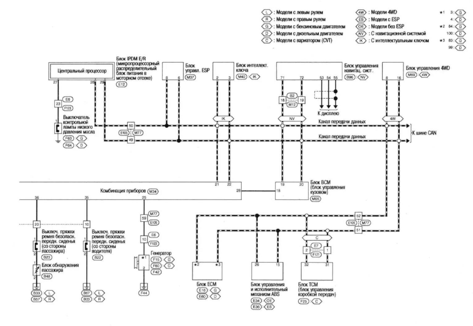
Ниссан кашкай электросхема Автомобиль Nissan Qashqai, Qashqai+2. Электросхемы - часть 8
Автомобиль Nissan Qashqai, Qashqai+2. Электросхемы - часть 8
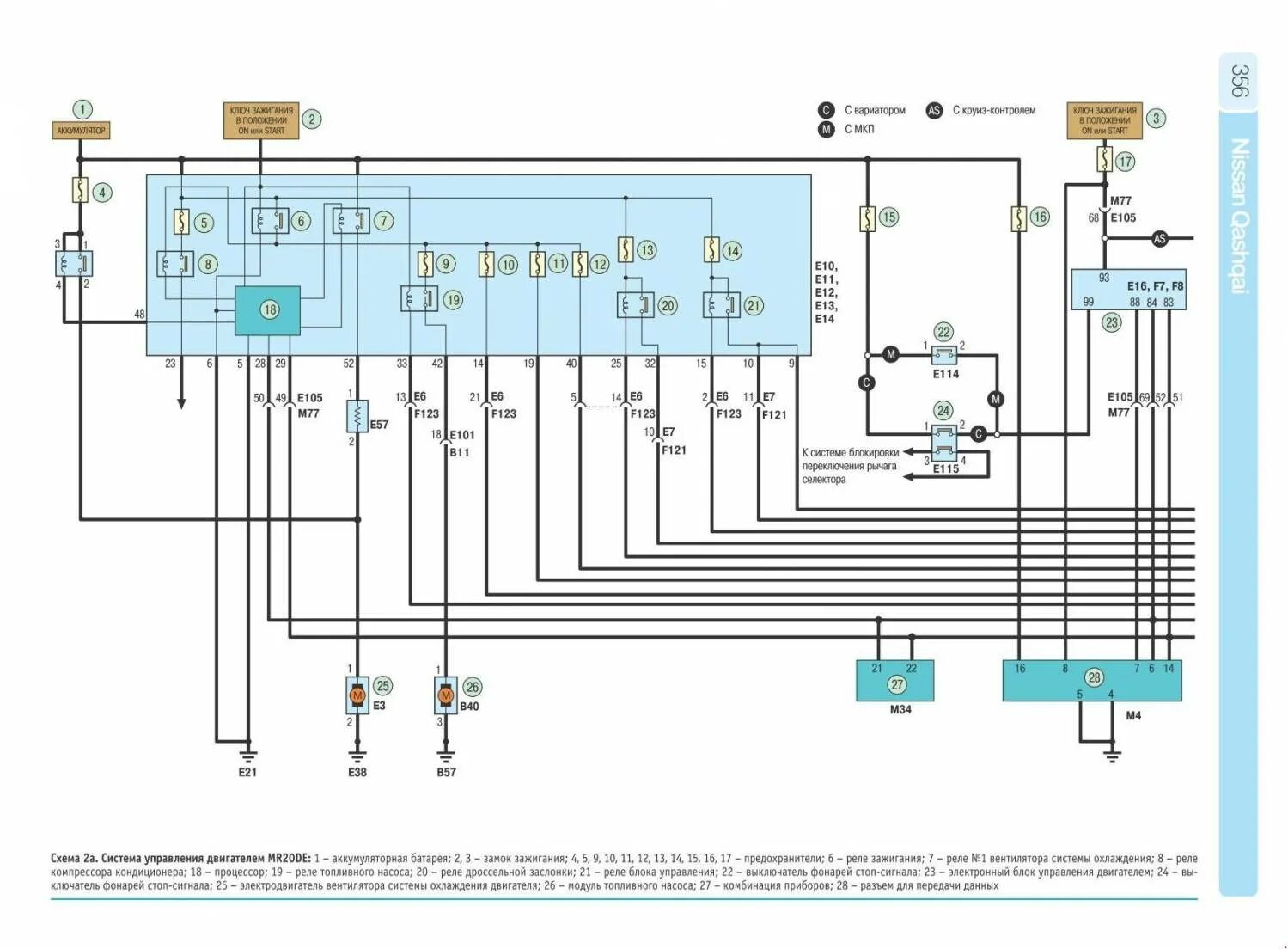
Ниссан кашкай электросхема Руководство по ремонту Nissan Qashqai (Ниссан Кашкай) 2007+ г.в. 5.6 Схема элект
Руководство по ремонту Nissan Qashqai (Ниссан Кашкай) 2007+ г.в. 5.6 Схема элект
Ниссан кашкай электросхема Nissan Qashqai, Qashqai+2. Электросхемы - часть 7
Nissan Qashqai, Qashqai+2. Электросхемы - часть 7
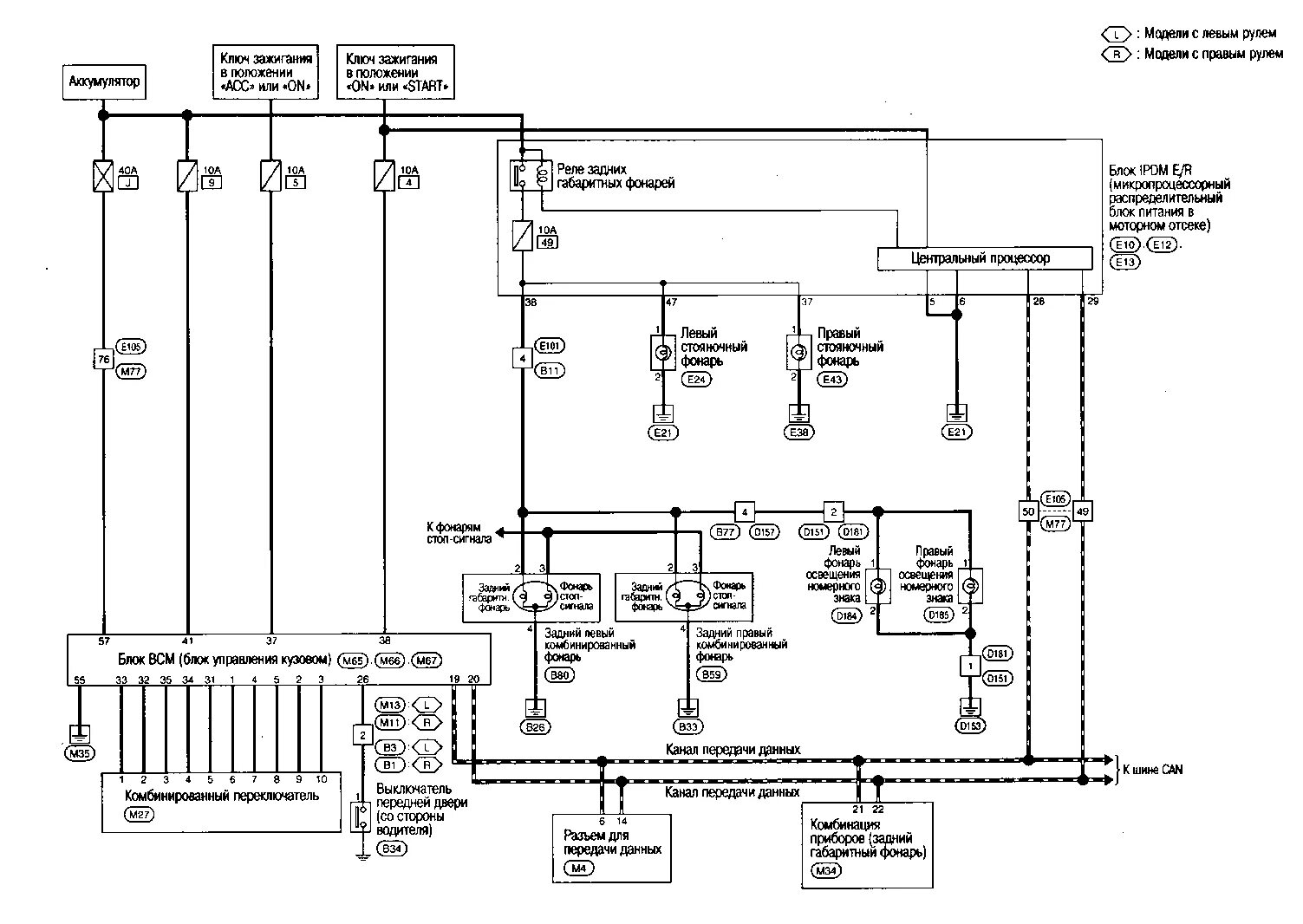
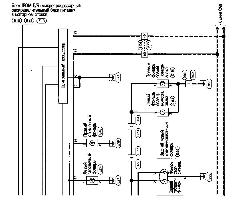
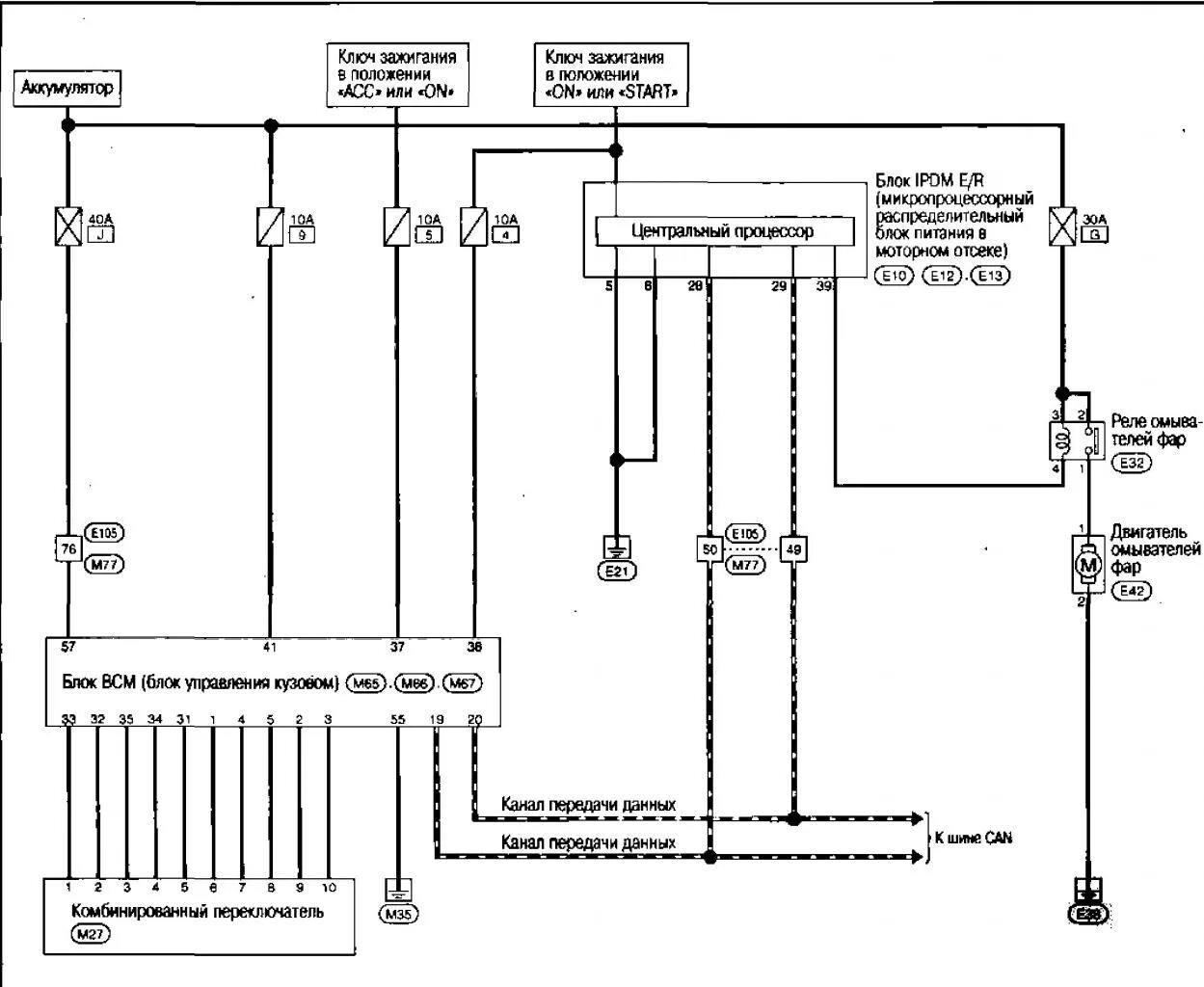
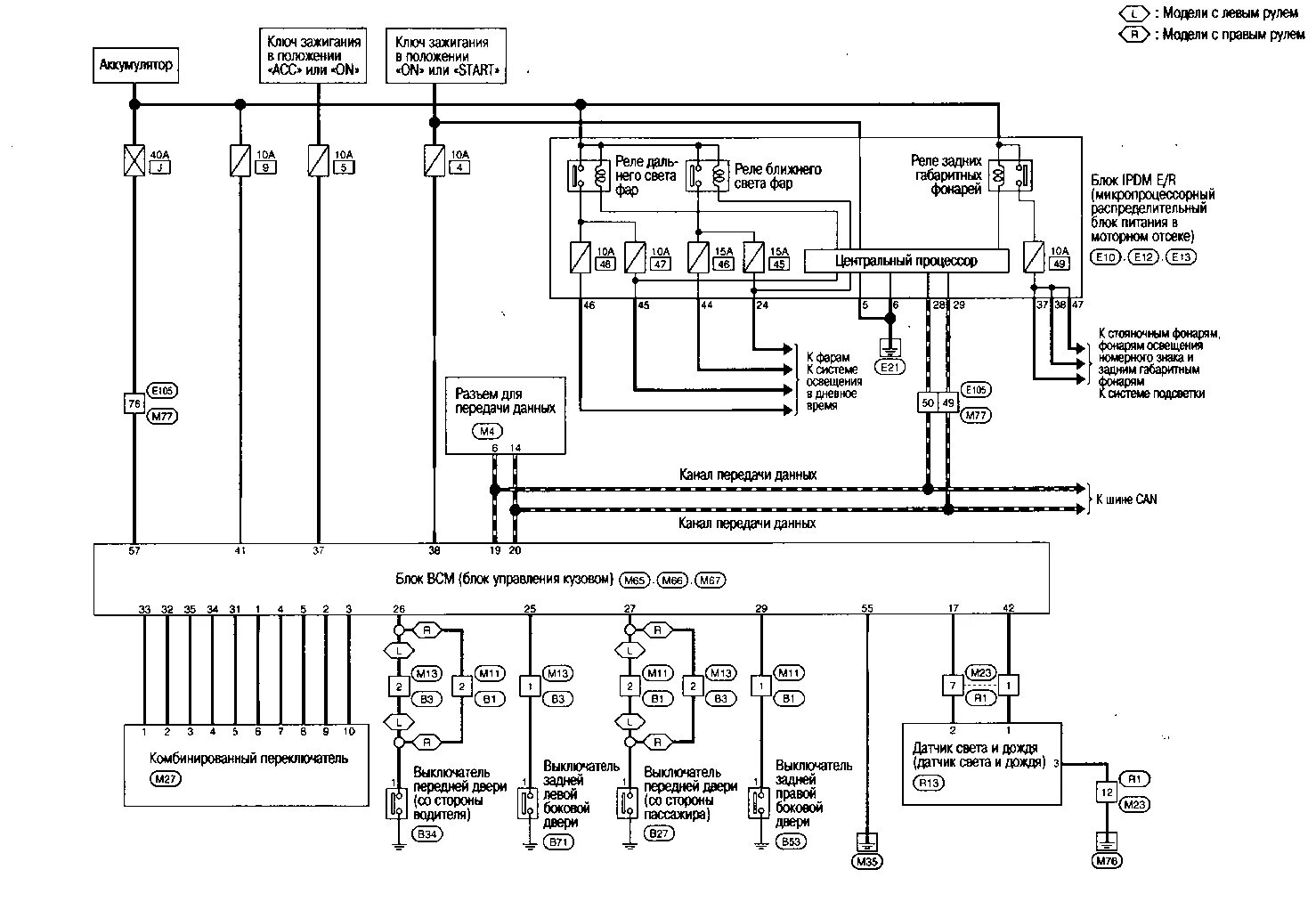
Ниссан кашкай электросхема Электросхема Nissan Note задние фонари - Электросхемы автомобилей
Электросхема Nissan Note задние фонари - Электросхемы автомобилей
Ниссан кашкай электросхема Торопыга платит дважды, или как я ставил ДХО - Nissan Qashqai+2, 2 л, 2013 года
Торопыга платит дважды, или как я ставил ДХО - Nissan Qashqai+2, 2 л, 2013 года
Ниссан кашкай электросхема Руководство по ремонту Ниссан Кашкай +2 - купить автокнигу "Книга NISSAN QASHQAI
Руководство по ремонту Ниссан Кашкай +2 - купить автокнигу "Книга NISSAN QASHQAI
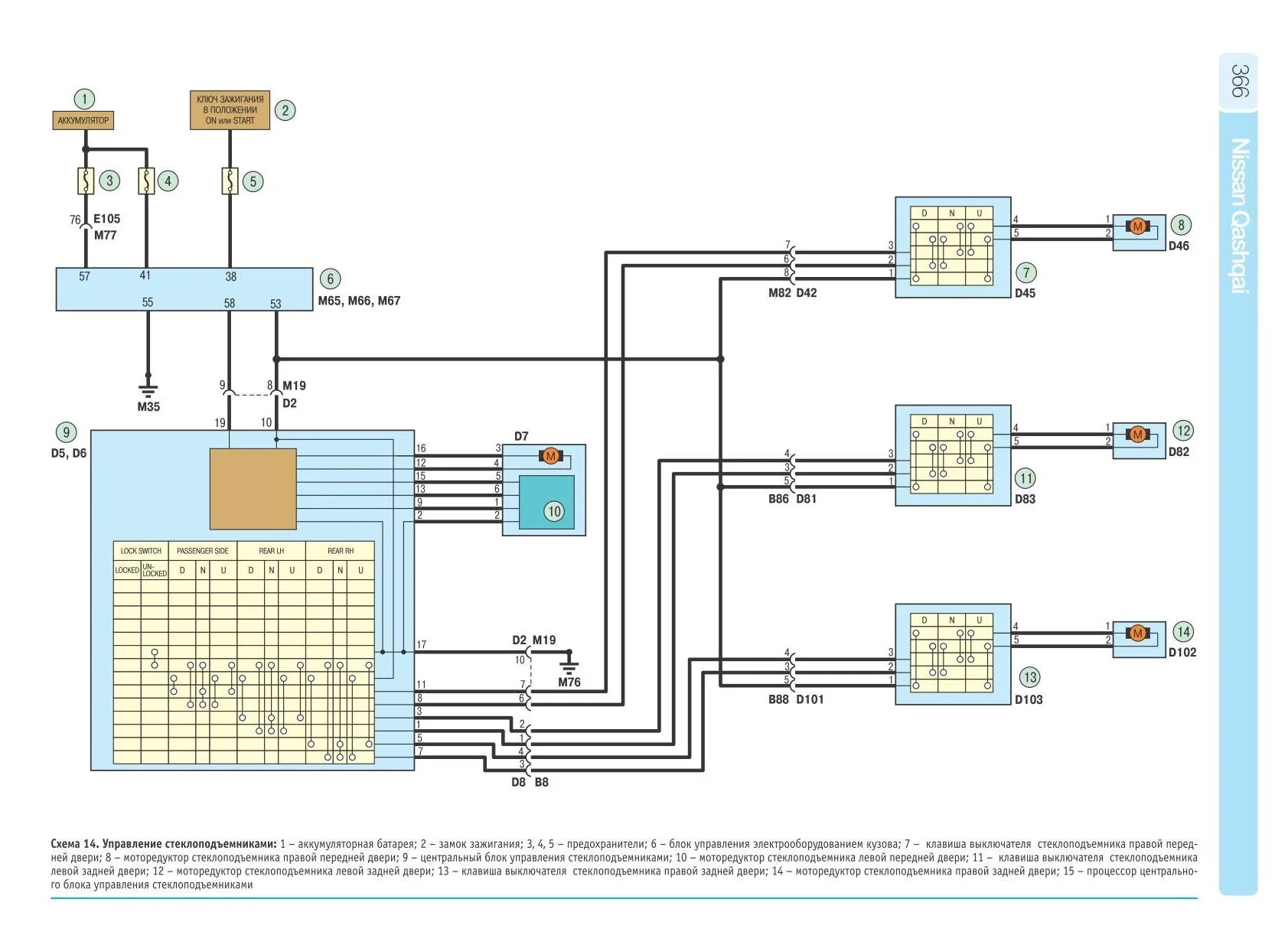
Ниссан кашкай электросхема Ремонт кнопки стеклоподъемника и блока управления стеклоподъемниками - Nissan Qa
Ремонт кнопки стеклоподъемника и блока управления стеклоподъемниками - Nissan Qa
Ниссан кашкай электросхема Автомобиль Nissan Qashqai, Qashqai+2. Электросхемы - часть 5
Автомобиль Nissan Qashqai, Qashqai+2. Электросхемы - часть 5
Ниссан кашкай электросхема Replacement side turn signal lamp Nissan Qashqai 2007 - 2013
Replacement side turn signal lamp Nissan Qashqai 2007 - 2013
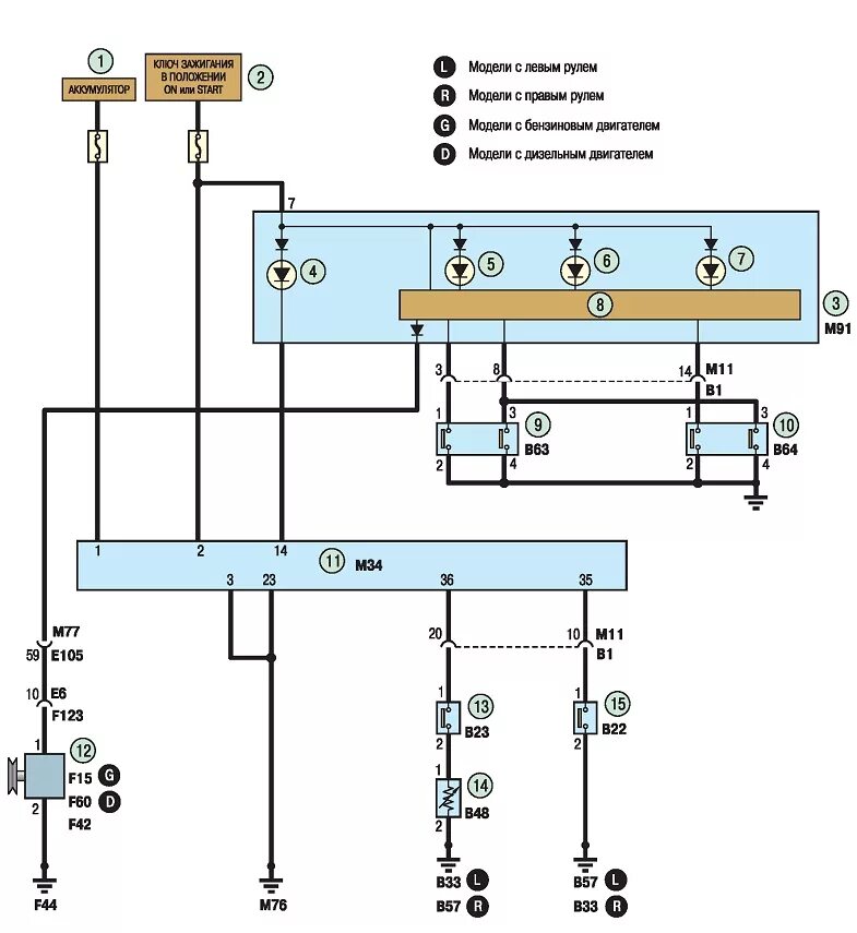
Ниссан кашкай электросхема Руководство Nissan Qashqai, Qashqai+2. Электросхемы - часть 4
Руководство Nissan Qashqai, Qashqai+2. Электросхемы - часть 4
Ниссан кашкай электросхема Руководство по ремонту Nissan Qashqai (Ниссан Кашкай) 2007+ г.в. 17.6 Система ос
Руководство по ремонту Nissan Qashqai (Ниссан Кашкай) 2007+ г.в. 17.6 Система ос
Ниссан кашкай электросхема Книга по ремонту Nissan Qashqai - купить автокнигу "NISSAN QASHQAI / NISSAN QASH
Книга по ремонту Nissan Qashqai - купить автокнигу "NISSAN QASHQAI / NISSAN QASH
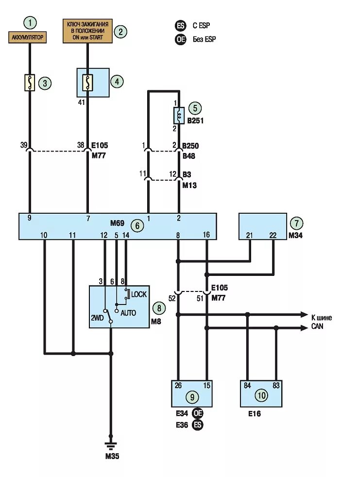
Ниссан кашкай электросхема Руководство по ремонту Nissan Qashqai (Ниссан Кашкай) 2007+ г.в. 17. ПРИБОРЫ, УП
Руководство по ремонту Nissan Qashqai (Ниссан Кашкай) 2007+ г.в. 17. ПРИБОРЫ, УП
Ниссан кашкай электросхема Руководство по ремонту Nissan Qashqai (Ниссан Кашкай) 2007+ г.в. 17. ПРИБОРЫ, УП
Руководство по ремонту Nissan Qashqai (Ниссан Кашкай) 2007+ г.в. 17. ПРИБОРЫ, УП
Ниссан кашкай электросхема Руководство по ремонту Nissan Qashqai (Ниссан Кашкай) 2007+ г.в. 19.1.2 ДИАГНОСТ
Руководство по ремонту Nissan Qashqai (Ниссан Кашкай) 2007+ г.в. 19.1.2 ДИАГНОСТ
Ниссан кашкай электросхема Электросхемы - часть 9 Nissan Руководство Nissan
Электросхемы - часть 9 Nissan Руководство Nissan
Ниссан кашкай электросхема Электросхемы - часть 9 Nissan Руководство Nissan
Электросхемы - часть 9 Nissan Руководство Nissan
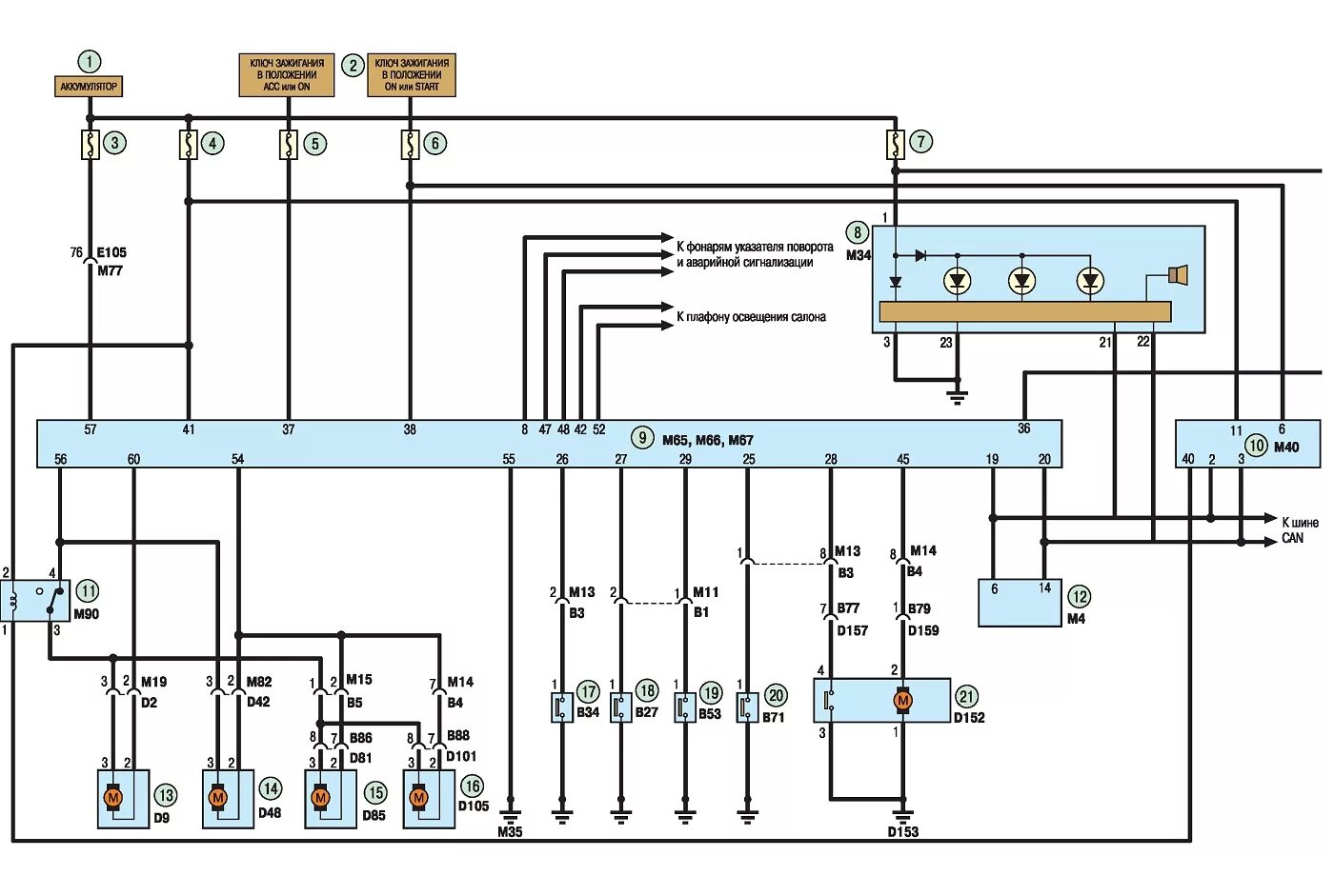
Ниссан кашкай электросхема Руководство Nissan Qashqai, Qashqai+2. Электросхемы - часть 6
Руководство Nissan Qashqai, Qashqai+2. Электросхемы - часть 6
Ниссан кашкай электросхема Цветные схемы электрооборудования Nissan Qashqai (с 2007г) и Nissan Qashqai +2 (
Цветные схемы электрооборудования Nissan Qashqai (с 2007г) и Nissan Qashqai +2 (
Ниссан кашкай электросхема Электросхемы - часть 3 Nissan Руководство Nissan
Электросхемы - часть 3 Nissan Руководство Nissan
Ниссан кашкай электросхема Цветные схемы электрооборудования Nissan Qashqai (с 2007г) и Nissan Qashqai +2 (
Цветные схемы электрооборудования Nissan Qashqai (с 2007г) и Nissan Qashqai +2 (
Ниссан кашкай электросхема Replacing low and high beam bulbs Nissan Qashqai
Replacing low and high beam bulbs Nissan Qashqai
Ниссан кашкай электросхема Электросхемы - часть 6 Nissan Руководство Nissan
Электросхемы - часть 6 Nissan Руководство Nissan
Ниссан кашкай электросхема Снятие и установка блока управления стеклоподъемниками Nissan Qashqai 2007 - 201
Снятие и установка блока управления стеклоподъемниками Nissan Qashqai 2007 - 201
Ниссан кашкай электросхема Книга по ремонту Nissan Qashqai - купить автокнигу "NISSAN QASHQAI / NISSAN QASH
Книга по ремонту Nissan Qashqai - купить автокнигу "NISSAN QASHQAI / NISSAN QASH