Ниссан х трейл точки подключения

Ниссан х трейл точки подключения установка 2 дин магнитолы на Nissan X-trail (T30) - DRIVE2
установка 2 дин магнитолы на Nissan X-trail (T30) - DRIVE2
Ниссан х трейл точки подключения Неисправная панель приборов, влияет на работу генератора и заряд аккумулятора. -
Неисправная панель приборов, влияет на работу генератора и заряд аккумулятора. -
Ниссан х трейл точки подключения Автоматическая блокировка дверей на Nissan X-Trail T32 - Nissan X-Trail III (t32
Автоматическая блокировка дверей на Nissan X-Trail T32 - Nissan X-Trail III (t32
Ниссан х трейл точки подключения правильное подключение магнитолы на андройде - Nissan X-Trail III (t32), 2,5 л,
правильное подключение магнитолы на андройде - Nissan X-Trail III (t32), 2,5 л,
Ниссан х трейл точки подключения Публикации Andrey_66 - Страница 27 - Клуб любителей Nissan X-trail
Публикации Andrey_66 - Страница 27 - Клуб любителей Nissan X-trail
Ниссан х трейл точки подключения Установка автосигнализации на Nissan X-Trail 2012
Установка автосигнализации на Nissan X-Trail 2012
Ниссан х трейл точки подключения Схема акпп ниссан х трейл т30 - фото - АвтоМастер Инфо
Схема акпп ниссан х трейл т30 - фото - АвтоМастер Инфо
Ниссан х трейл точки подключения Изменение алгоритма работы вентиляторов - Nissan X-Trail II (t31), 2 л, 2014 год
Изменение алгоритма работы вентиляторов - Nissan X-Trail II (t31), 2 л, 2014 год
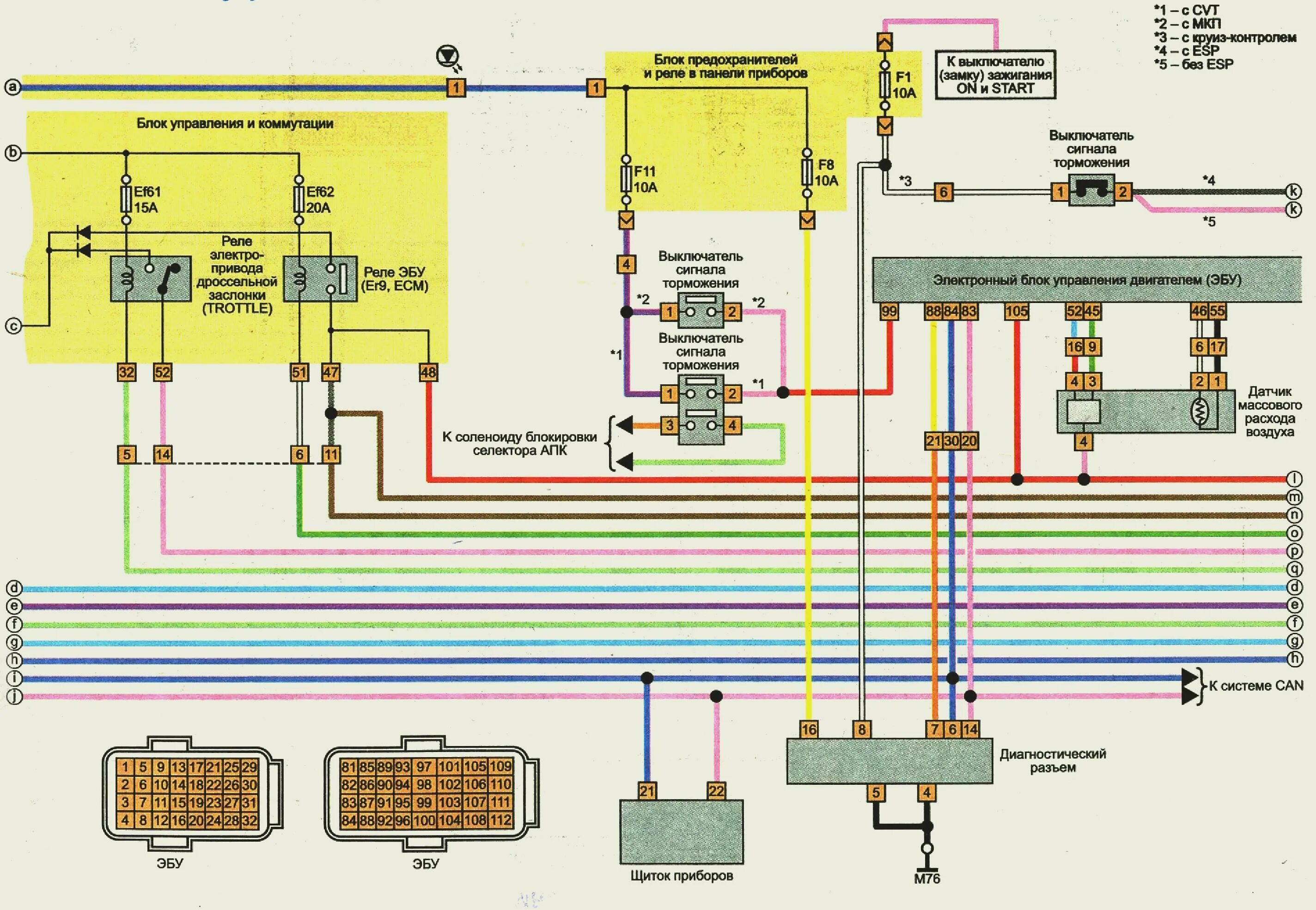
Ниссан х трейл точки подключения Руководство Nissan X-Trail T31. Электросхемы - часть 1
Руководство Nissan X-Trail T31. Электросхемы - часть 1
Ниссан х трейл точки подключения Разблокировка замков всех дверей при открытии водительской с салона. - Nissan Mu
Разблокировка замков всех дверей при открытии водительской с салона. - Nissan Mu
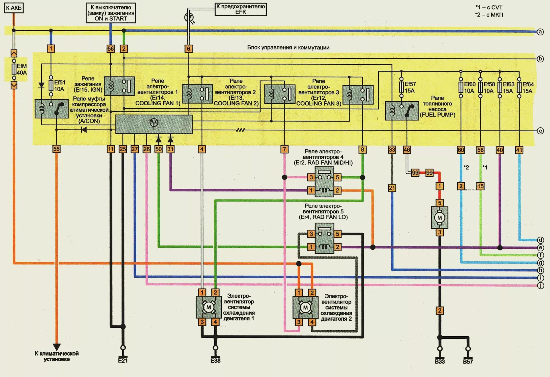
Ниссан х трейл точки подключения Nissan X-Trail T31. Электросхемы - часть 6
Nissan X-Trail T31. Электросхемы - часть 6
Ниссан х трейл точки подключения Инструкция по установке сигнализации, точки подключения для Nissan X-Trail T32 с
Инструкция по установке сигнализации, точки подключения для Nissan X-Trail T32 с
Ниссан х трейл точки подключения Установка автосигнализации на Nissan X-Trail 2005
Установка автосигнализации на Nissan X-Trail 2005
Ниссан х трейл точки подключения Переделка режима работы стеклоподъемников Х-Трейл Т-31 - Nissan X-Trail II (t31)
Переделка режима работы стеклоподъемников Х-Трейл Т-31 - Nissan X-Trail II (t31)
Ниссан х трейл точки подключения Автомобиль Nissan X-Trail T31. Электросхемы - часть 2
Автомобиль Nissan X-Trail T31. Электросхемы - часть 2
Ниссан х трейл точки подключения Nissan x trail 2002 manual pdf - Руководство Nissan X-Trail T31. sushimag.com.ua
Nissan x trail 2002 manual pdf - Руководство Nissan X-Trail T31. sushimag.com.ua
Ниссан х трейл точки подключения Замена приборной панели X-Trail t31 - Nissan X-Trail II (t31), 2,5 л, 2007 года
Замена приборной панели X-Trail t31 - Nissan X-Trail II (t31), 2,5 л, 2007 года
Ниссан х трейл точки подключения Снова работают штатные кнопки на руле X-Trail с адаптером ACV SWI-X1 - Nissan X-
Снова работают штатные кнопки на руле X-Trail с адаптером ACV SWI-X1 - Nissan X-
Ниссан х трейл точки подключения Публикации Andrey_66 - Страница 27 - Клуб любителей Nissan X-trail
Публикации Andrey_66 - Страница 27 - Клуб любителей Nissan X-trail
Ниссан х трейл точки подключения Карты установок автосигнализаций на Nissan X-Trail
Карты установок автосигнализаций на Nissan X-Trail
Ниссан х трейл точки подключения Установка сигнализации Jaguar XJ-777 на Nissan X-Trail
Установка сигнализации Jaguar XJ-777 на Nissan X-Trail
Ниссан х трейл точки подключения Инструкция по установке сигнализации, точки подключения для Nissan X-Trail T32 с
Инструкция по установке сигнализации, точки подключения для Nissan X-Trail T32 с
Ниссан х трейл точки подключения Установка сигнализации Jaguar XJ-777 на Nissan X-Trail
Установка сигнализации Jaguar XJ-777 на Nissan X-Trail
Ниссан х трейл точки подключения Точки подключения сигнализации ниссан х трейл т31 - КарЛайн.ру
Точки подключения сигнализации ниссан х трейл т31 - КарЛайн.ру
Ниссан х трейл точки подключения Установка автосигнализации Pandora DX50 на Nissan X-Trail 2012
Установка автосигнализации Pandora DX50 на Nissan X-Trail 2012
Ниссан х трейл точки подключения Инструкция по установке сигнализации, точки подключения для Nissan X-Trail T32 с
Инструкция по установке сигнализации, точки подключения для Nissan X-Trail T32 с
Ниссан х трейл точки подключения Установка сигнализации Jaguar XJ-777 на Nissan X-Trail
Установка сигнализации Jaguar XJ-777 на Nissan X-Trail
Ниссан х трейл точки подключения Карты установок автосигнализаций на Nissan X-Trail
Карты установок автосигнализаций на Nissan X-Trail
Ниссан х трейл точки подключения Точки подключения сигнализации на Nissan X-Trail 2014 при обходе иммобилайзера п
Точки подключения сигнализации на Nissan X-Trail 2014 при обходе иммобилайзера п
Ниссан х трейл точки подключения Точки подключения сигнализации на ниссан x-trail t31 - YouTube
Точки подключения сигнализации на ниссан x-trail t31 - YouTube