Ниссан х трейл схема подключения магнитолы

Ниссан х трейл схема подключения магнитолы Замена штатной магнитолы на магнитолу с Nissan Note или Clarion PN-2787N на Clar
Замена штатной магнитолы на магнитолу с Nissan Note или Clarion PN-2787N на Clar
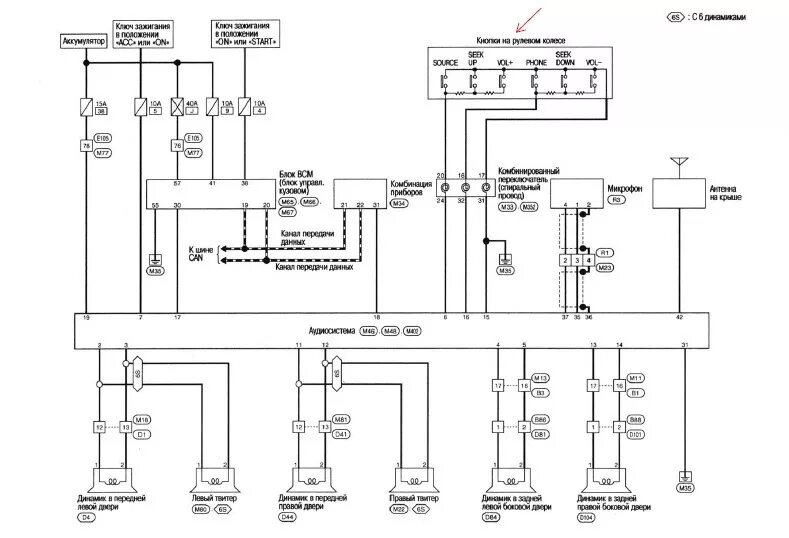
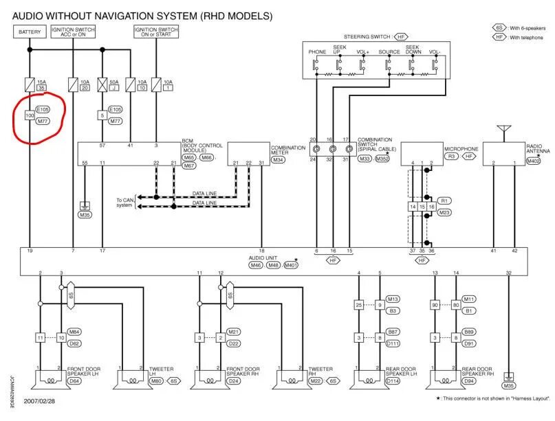
Ниссан х трейл схема подключения магнитолы Схема подключения динамиков к штатному ГУ Nissan connect 3 с 6 динамиками и без
Схема подключения динамиков к штатному ГУ Nissan connect 3 с 6 динамиками и без
Ниссан х трейл схема подключения магнитолы Замена Клары на Клару или псевдоДеу (Clarion PN-3439f-a) Часть 2. Продолжение сл
Замена Клары на Клару или псевдоДеу (Clarion PN-3439f-a) Часть 2. Продолжение сл
Ниссан х трейл схема подключения магнитолы Установка кнопок с подсветкой и штатного микрофона - Nissan Note (1G), 1,6 л, 20
Установка кнопок с подсветкой и штатного микрофона - Nissan Note (1G), 1,6 л, 20
Ниссан х трейл схема подключения магнитолы Магнитола (часть 4) докупки - Nissan Note (1G), 1,6 л, 2008 года аксессуары DRIV
Магнитола (часть 4) докупки - Nissan Note (1G), 1,6 л, 2008 года аксессуары DRIV
Ниссан х трейл схема подключения магнитолы Музыка. Часть 3. Установка 2din магнитолы Daewoo AGC-0071RF - Nissan March (K12)
Музыка. Часть 3. Установка 2din магнитолы Daewoo AGC-0071RF - Nissan March (K12)
Ниссан х трейл схема подключения магнитолы Новое ГУ и мультируль, как подружить? - Nissan Pathfinder (3G), 2,5 л, 2005 года
Новое ГУ и мультируль, как подружить? - Nissan Pathfinder (3G), 2,5 л, 2005 года
Ниссан х трейл схема подключения магнитолы камера заднего вида и подключение кнопок руля! - Nissan X-Trail I (t30), 2 л, 20
камера заднего вида и подключение кнопок руля! - Nissan X-Trail I (t30), 2 л, 20
Ниссан х трейл схема подключения магнитолы Восстановление работы штатного ГУ nissan x-trail T31 - DRIVE2
Восстановление работы штатного ГУ nissan x-trail T31 - DRIVE2
Ниссан х трейл схема подключения магнитолы MP 3 в Кашкай в родную магнитолу - Nissan Qashqai (1G), 1,6 л, 2008 года автозву
MP 3 в Кашкай в родную магнитолу - Nissan Qashqai (1G), 1,6 л, 2008 года автозву
Ниссан х трейл схема подключения магнитолы Снова работают штатные кнопки на руле X-Trail с адаптером ACV SWI-X1 - Nissan X-
Снова работают штатные кнопки на руле X-Trail с адаптером ACV SWI-X1 - Nissan X-
Ниссан х трейл схема подключения магнитолы Pioneer AVH-X4700DVD+Carav R100 - Nissan Maxima QX (A33), 3 л, 2005 года автозву
Pioneer AVH-X4700DVD+Carav R100 - Nissan Maxima QX (A33), 3 л, 2005 года автозву
Ниссан х трейл схема подключения магнитолы Замена штатной Clarion на Daewoo agc 0071rf от Кашкай. - Nissan Tiida (1G), 1,6
Замена штатной Clarion на Daewoo agc 0071rf от Кашкай. - Nissan Tiida (1G), 1,6
Ниссан х трейл схема подключения магнитолы установка 2 дин магнитолы на Nissan X-trail (T30) - DRIVE2
установка 2 дин магнитолы на Nissan X-trail (T30) - DRIVE2
Ниссан х трейл схема подключения магнитолы Nissan Qashqai (2006-2013) Radio Stereo распиновка и описание @ pinouts.ru
Nissan Qashqai (2006-2013) Radio Stereo распиновка и описание @ pinouts.ru
Ниссан х трейл схема подключения магнитолы Установка сабвуфер BOSE 28170-1BM0A в запаску - Nissan X-Trail III (t32), 2 л, 2
Установка сабвуфер BOSE 28170-1BM0A в запаску - Nissan X-Trail III (t32), 2 л, 2
Ниссан х трейл схема подключения магнитолы Куплю штатную магнитолу NISSAN Daewoo AGC-0071RF - Nissan Wingroad (Y11), 1,5 л,
Куплю штатную магнитолу NISSAN Daewoo AGC-0071RF - Nissan Wingroad (Y11), 1,5 л,
Ниссан х трейл схема подключения магнитолы 2012 Nissan Rogue Stock Stereo Wiring Harness Diagram Pictures - Faceitsalon.com
2012 Nissan Rogue Stock Stereo Wiring Harness Diagram Pictures - Faceitsalon.com
Ниссан х трейл схема подключения магнитолы Замена аудимагнитоллы PIONEER FH-X720BT и подключение кнопок на руле - Nissan X-
Замена аудимагнитоллы PIONEER FH-X720BT и подключение кнопок на руле - Nissan X-
Ниссан х трейл схема подключения магнитолы Daewoo AGC-0071RF в t30 (установка) - Nissan X-Trail I (t30), 2 л, 2006 года авт
Daewoo AGC-0071RF в t30 (установка) - Nissan X-Trail I (t30), 2 л, 2006 года авт
Ниссан х трейл схема подключения магнитолы Imx51_bbg магнитола как подключить wifi - фото - АвтоМастер Инфо
Imx51_bbg магнитола как подключить wifi - фото - АвтоМастер Инфо
Ниссан х трейл схема подключения магнитолы Pp 2609t распиновка магнитолы nissan LkbAuto.ru
Pp 2609t распиновка магнитолы nissan LkbAuto.ru
Ниссан х трейл схема подключения магнитолы Установка китайской магнитолы CARLAOER F-Z-701TA на Nissan X-trail T30 - Nissan
Установка китайской магнитолы CARLAOER F-Z-701TA на Nissan X-trail T30 - Nissan
Ниссан х трейл схема подключения магнитолы Магнитола Teyes Tpro2 - Nissan Teana (J32), 2,5 л, 2008 года автозвук DRIVE2
Магнитола Teyes Tpro2 - Nissan Teana (J32), 2,5 л, 2008 года автозвук DRIVE2
Ниссан х трейл схема подключения магнитолы Распиновка Pioneer C9P5(Avic MRZ-0247ZM) - Toyota Altezza, 2 л, 2000 года автозв
Распиновка Pioneer C9P5(Avic MRZ-0247ZM) - Toyota Altezza, 2 л, 2000 года автозв
Ниссан х трейл схема подключения магнитолы Уряяяяя! Заменил штатное головное устройство))) - Nissan Navara (2G), 2,5 л, 200
Уряяяяя! Заменил штатное головное устройство))) - Nissan Navara (2G), 2,5 л, 200
Ниссан х трейл схема подключения магнитолы Схема магнитолы ниссан: найдено 88 изображений
Схема магнитолы ниссан: найдено 88 изображений
Ниссан х трейл схема подключения магнитолы Распиновки для магнитол Nissan - Nissan X-Trail II (t31), 2 л, 2008 года автозву
Распиновки для магнитол Nissan - Nissan X-Trail II (t31), 2 л, 2008 года автозву
Ниссан х трейл схема подключения магнитолы Схема подключения и распиновки магнитолы Ниссан Х-Трейл 2007 - 2014
Схема подключения и распиновки магнитолы Ниссан Х-Трейл 2007 - 2014