Ниссан х трейл подключение сигнализации

Ниссан х трейл подключение сигнализации Автомобиль Nissan X-Trail T31. Электросхемы - часть 2
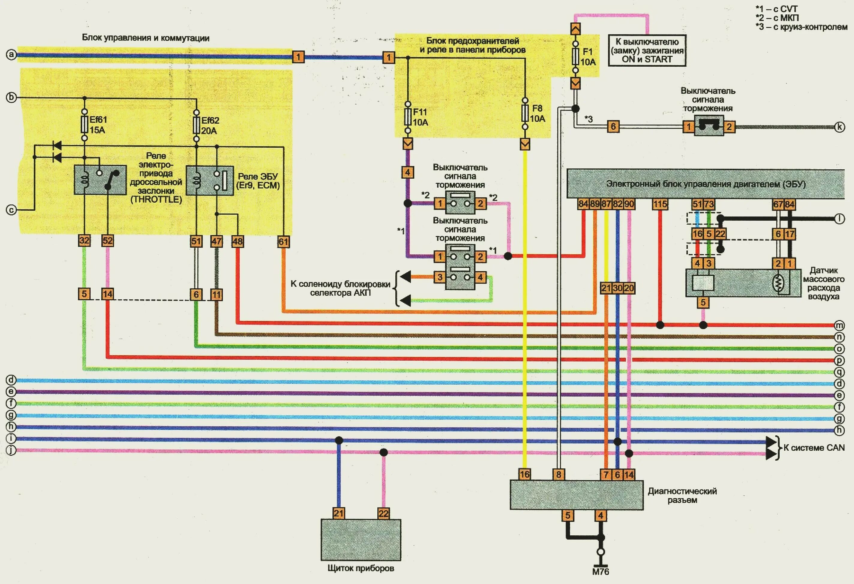
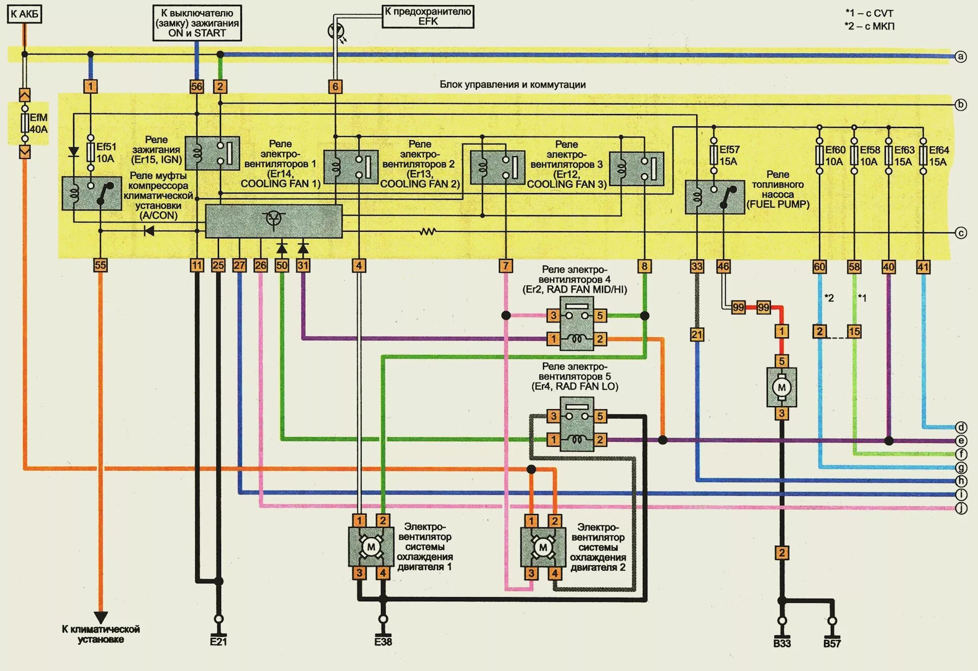
Автомобиль Nissan X-Trail T31. Электросхемы - часть 2
Ниссан х трейл подключение сигнализации Публикации Andrey_66 - Страница 27 - Клуб любителей Nissan X-trail
Публикации Andrey_66 - Страница 27 - Клуб любителей Nissan X-trail
Ниссан х трейл подключение сигнализации Публикации Бармалей - Клуб любителей Nissan X-trail
Публикации Бармалей - Клуб любителей Nissan X-trail
Ниссан х трейл подключение сигнализации Подключил магнитолу к рулю - Nissan X-Trail II (t31), 2 л, 2010 года автозвук DR
Подключил магнитолу к рулю - Nissan X-Trail II (t31), 2 л, 2010 года автозвук DR
Ниссан х трейл подключение сигнализации Установка парктронников и фаркопа - Nissan X-Trail II (t31), 2 л, 2012 года стай
Установка парктронников и фаркопа - Nissan X-Trail II (t31), 2 л, 2012 года стай
Ниссан х трейл подключение сигнализации Предохранитель или нет?! - Nissan X-Trail II (t31), 2 л, 2013 года поломка DRIVE
Предохранитель или нет?! - Nissan X-Trail II (t31), 2 л, 2013 года поломка DRIVE
Ниссан х трейл подключение сигнализации Омыватель фар, финал. - Nissan X-Trail II (t31), 2,5 л, 2013 года тюнинг DRIVE2
Омыватель фар, финал. - Nissan X-Trail II (t31), 2,5 л, 2013 года тюнинг DRIVE2
Ниссан х трейл подключение сигнализации Точки подключения сигнализации на Nissan X-Trail 2014 при обходе иммобилайзера п
Точки подключения сигнализации на Nissan X-Trail 2014 при обходе иммобилайзера п
Ниссан х трейл подключение сигнализации Неисправная панель приборов, влияет на работу генератора и заряд аккумулятора. -
Неисправная панель приборов, влияет на работу генератора и заряд аккумулятора. -
Ниссан х трейл подключение сигнализации Переделка режима работы стеклоподъемников Х-Трейл Т-31 - Nissan X-Trail II (t31)
Переделка режима работы стеклоподъемников Х-Трейл Т-31 - Nissan X-Trail II (t31)
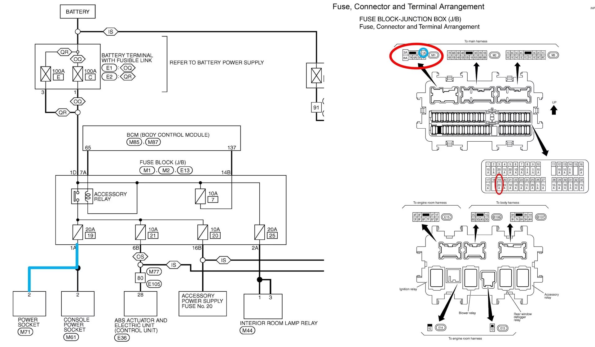
Ниссан х трейл подключение сигнализации Карта монтажа сигнализации Nissan X-Trail 2010 год! Точки подключения. - AUTOUNI
Карта монтажа сигнализации Nissan X-Trail 2010 год! Точки подключения. - AUTOUNI
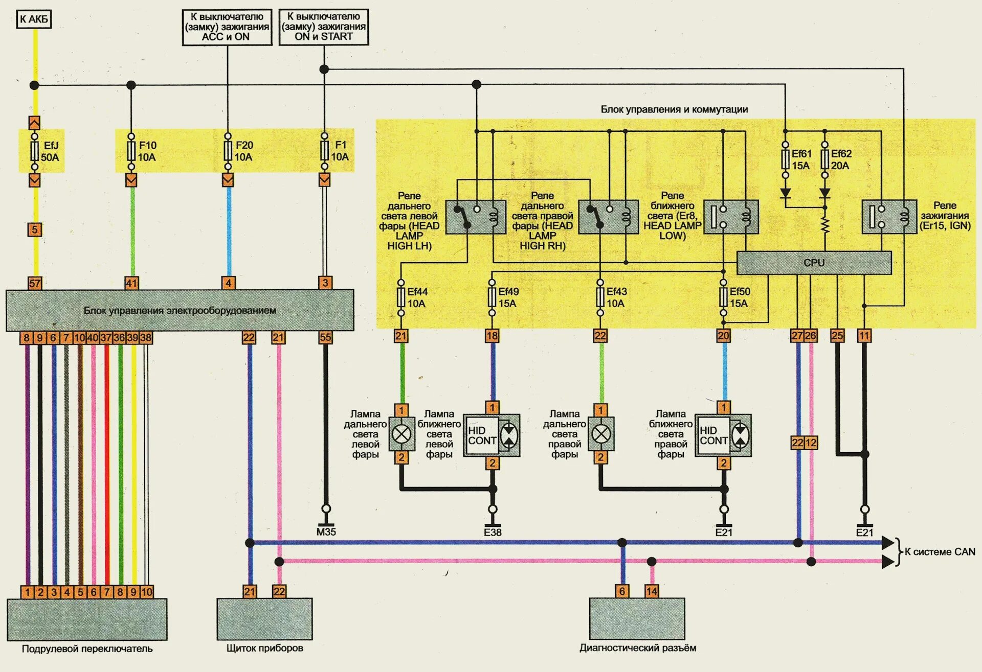
Ниссан х трейл подключение сигнализации Блок управления электрооборудованием - Nissan X-Trail II (t31), 2 л, 2013 года т
Блок управления электрооборудованием - Nissan X-Trail II (t31), 2 л, 2013 года т
Ниссан х трейл подключение сигнализации Электросхемы Nissan X Trail - Электросхемы автомобилей
Электросхемы Nissan X Trail - Электросхемы автомобилей
Ниссан х трейл подключение сигнализации Изменение алгоритма работы вентиляторов - Nissan X-Trail II (t31), 2 л, 2014 год
Изменение алгоритма работы вентиляторов - Nissan X-Trail II (t31), 2 л, 2014 год
Ниссан х трейл подключение сигнализации Руководство Nissan X-Trail T31. Электросхемы - часть 1
Руководство Nissan X-Trail T31. Электросхемы - часть 1
Ниссан х трейл подключение сигнализации правильное подключение магнитолы на андройде - Nissan X-Trail III (t32), 2,5 л,
правильное подключение магнитолы на андройде - Nissan X-Trail III (t32), 2,5 л,
Ниссан х трейл подключение сигнализации Автомобиль Nissan X-Trail T31. Электросхемы - часть 2
Автомобиль Nissan X-Trail T31. Электросхемы - часть 2
Ниссан х трейл подключение сигнализации Публикации Andrey_66 - Страница 27 - Клуб любителей Nissan X-trail
Публикации Andrey_66 - Страница 27 - Клуб любителей Nissan X-trail
Ниссан х трейл подключение сигнализации Снова работают штатные кнопки на руле X-Trail с адаптером ACV SWI-X1 - Nissan X-
Снова работают штатные кнопки на руле X-Trail с адаптером ACV SWI-X1 - Nissan X-
Ниссан х трейл подключение сигнализации 207. Штатная сигнализация Nissan X-Trail T31 - Nissan X-Trail II (t31), 2 л, 201
207. Штатная сигнализация Nissan X-Trail T31 - Nissan X-Trail II (t31), 2 л, 201
Ниссан х трейл подключение сигнализации Установка и скрытое подключение регистратора. - Nissan X-Trail III (t32), 2 л, 2
Установка и скрытое подключение регистратора. - Nissan X-Trail III (t32), 2 л, 2
Ниссан х трейл подключение сигнализации Nissan X-Trail T31. Электросхемы - часть 6
Nissan X-Trail T31. Электросхемы - часть 6
Ниссан х трейл подключение сигнализации Установка сигнализации на nissan x trail t30 - КарЛайн.ру
Установка сигнализации на nissan x trail t30 - КарЛайн.ру
Ниссан х трейл подключение сигнализации Установка сигнализации Jaguar XJ-777 на Nissan X-Trail
Установка сигнализации Jaguar XJ-777 на Nissan X-Trail
Ниссан х трейл подключение сигнализации Электросхемы Nissan X Trail - Электросхемы автомобилей
Электросхемы Nissan X Trail - Электросхемы автомобилей
Ниссан х трейл подключение сигнализации Разблокировка замков всех дверей при открытии водительской с салона. - Nissan Mu
Разблокировка замков всех дверей при открытии водительской с салона. - Nissan Mu
Ниссан х трейл подключение сигнализации Установка сигнализации Jaguar XJ-777 на Nissan X-Trail
Установка сигнализации Jaguar XJ-777 на Nissan X-Trail
Ниссан х трейл подключение сигнализации Инструкция по установке сигнализации, точки подключения для Nissan X-Trail T32 с
Инструкция по установке сигнализации, точки подключения для Nissan X-Trail T32 с
Ниссан х трейл подключение сигнализации Дорестайл в рестайл при включении дальнего света, ближний отключался. Исправил.
Дорестайл в рестайл при включении дальнего света, ближний отключался. Исправил.
Ниссан х трейл подключение сигнализации Точки подключения сигнализации на ниссан x-trail t31 - YouTube
Точки подключения сигнализации на ниссан x-trail t31 - YouTube