Hart подключение датчиков

Hart подключение датчиков Level sensor radar, ATEX 20/21, Flange 3"(80mm), 24VDC supply,4-20mA HART output
Level sensor radar, ATEX 20/21, Flange 3"(80mm), 24VDC supply,4-20mA HART output
Hart подключение датчиков How to connect HART & Calibrate a Pressure Transmitter in Field. - YouTube
How to connect HART & Calibrate a Pressure Transmitter in Field. - YouTube
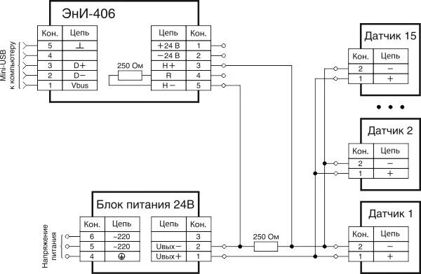
Hart подключение датчиков HART-модем ЭнИ-406
HART-модем ЭнИ-406
Hart подключение датчиков Holykell Oem Udara Cair 4-20ma China Tekanan Pemancar - Buy 4-20ma Pemancar Teka
Holykell Oem Udara Cair 4-20ma China Tekanan Pemancar - Buy 4-20ma Pemancar Teka
Hart подключение датчиков Методика расчета РППД. Выбор сужающего устройства, дифманометра и вторичного при
Методика расчета РППД. Выбор сужающего устройства, дифманометра и вторичного при
Hart подключение датчиков ЭнИ-БИС-320-Ех-AI-1к-Н
ЭнИ-БИС-320-Ех-AI-1к-Н
Hart подключение датчиков Hart Wiring Diagram
Hart Wiring Diagram
Hart подключение датчиков АМ-2000 датчики (преобразователи) давления с HART ГК "Теплоприбор"
АМ-2000 датчики (преобразователи) давления с HART ГК "Теплоприбор"
Hart подключение датчиков HART PROTOCOL - MSBLAB
HART PROTOCOL - MSBLAB
Hart подключение датчиков viazanosť zachrániť zátarasa bell202 gentleman stádo dynastie
viazanosť zachrániť zátarasa bell202 gentleman stádo dynastie
Hart подключение датчиков Как подключить коммуникатор: найдено 88 изображений
Как подключить коммуникатор: найдено 88 изображений
Hart подключение датчиков Монтаж устройства - Студопедия
Монтаж устройства - Студопедия
Hart подключение датчиков HART модем USB232 Инструменты АлиЭкспресс
HART модем USB232 Инструменты АлиЭкспресс
Hart подключение датчиков Схема подключения харт коммуникатор - TouristMaps.ru
Схема подключения харт коммуникатор - TouristMaps.ru
Hart подключение датчиков Основные характеристики запорнорегулирующего клапана с электрическим исполнитель
Основные характеристики запорнорегулирующего клапана с электрическим исполнитель
Hart подключение датчиков Термопреобразователи цифровые с унифицированным выходным сигналом и цифровой инд
Термопреобразователи цифровые с унифицированным выходным сигналом и цифровой инд
Hart подключение датчиков Как подключить коммуникатор: найдено 88 изображений
Как подключить коммуникатор: найдено 88 изображений
Hart подключение датчиков Why we use 250 ohm Resistor in series HART Communicator explained in Hindi Instr
Why we use 250 ohm Resistor in series HART Communicator explained in Hindi Instr
Hart подключение датчиков Коммуникатор Метран-650
Коммуникатор Метран-650
Hart подключение датчиков Как работают датчики с HART-протоколом ОВЕН. Приборы для автоматизации Дзен
Как работают датчики с HART-протоколом ОВЕН. Приборы для автоматизации Дзен
Hart подключение датчиков Подключение коммуникатора - найдено 83 фото
Подключение коммуникатора - найдено 83 фото
Hart подключение датчиков 4.1.3 Интеллектуальный датчик
4.1.3 Интеллектуальный датчик
Hart подключение датчиков Коммуникатор Метран-650
Коммуникатор Метран-650
Hart подключение датчиков Измерительные преобразователи температуры. Виды, устройство, монтаж, диагностика
Измерительные преобразователи температуры. Виды, устройство, монтаж, диагностика
Hart подключение датчиков Измерительный преобразователь давления (интеллектуальный) APC-2000 - Промышленны
Измерительный преобразователь давления (интеллектуальный) APC-2000 - Промышленны
Hart подключение датчиков SITRANS FX300. SITRANS F X (Vortex). Расходомеры. Контрольно-измерительные прибо
SITRANS FX300. SITRANS F X (Vortex). Расходомеры. Контрольно-измерительные прибо
Hart подключение датчиков ДТПХхх5Д.И термопары с выходным сигналом 4…20 мА EXD - ТО "ОВЕН-ЭНЕРГО"
ДТПХхх5Д.И термопары с выходным сигналом 4…20 мА EXD - ТО "ОВЕН-ЭНЕРГО"
Hart подключение датчиков Руководство по эксплуатации ДТСхх5М.И термопреобразователи сопротивления с выход
Руководство по эксплуатации ДТСхх5М.И термопреобразователи сопротивления с выход
Hart подключение датчиков АИР-20/М2 датчик (преобразователь) давления: описание, купить
АИР-20/М2 датчик (преобразователь) давления: описание, купить
Hart подключение датчиков Подключение коммуникатора - найдено 83 фото
Подключение коммуникатора - найдено 83 фото