Hansa схемы подключения переключателей

Hansa схемы подключения переключателей Переключатель режимов работы духовки Midea, 17471100000353, 9-поз
Переключатель режимов работы духовки Midea, 17471100000353, 9-поз
Hansa схемы подключения переключателей Ответы Mail.ru: Очень нужна электрическая схема плиты мечта 15м с тремя тэнами в
Ответы Mail.ru: Очень нужна электрическая схема плиты мечта 15м с тремя тэнами в
Hansa схемы подключения переключателей Плита hansa схема
Плита hansa схема
Hansa схемы подключения переключателей Переключатель духовки
Переключатель духовки
Hansa схемы подключения переключателей Схема подключения переключателя духовки фото - DelaDom.ru
Схема подключения переключателя духовки фото - DelaDom.ru
Hansa схемы подключения переключателей Схема плиты горения
Схема плиты горения
Hansa схемы подключения переключателей Переключатель 5-позиционный ST-880-501-L23 для электроплит
Переключатель 5-позиционный ST-880-501-L23 для электроплит
Hansa схемы подключения переключателей Схема подключения конфорок
Схема подключения конфорок
Hansa схемы подключения переключателей Переключатель электроплит замена схема
Переключатель электроплит замена схема
Hansa схемы подключения переключателей В духовом шкафу не работает таймер AnikStroy.ru
В духовом шкафу не работает таймер AnikStroy.ru
Hansa схемы подключения переключателей Ремонт переключателя духовки hansa 7la-gottak 820405 - Электроплиты ремонт - Кру
Ремонт переключателя духовки hansa 7la-gottak 820405 - Электроплиты ремонт - Кру
Hansa схемы подключения переключателей Духовка HANSA не работает переключатель режимов 7LA GOTTAK 800810 - Электроплиты
Духовка HANSA не работает переключатель режимов 7LA GOTTAK 800810 - Электроплиты
Hansa схемы подключения переключателей Духовка HANSA не работает переключатель режимов 7LA GOTTAK 800810 - Электроплиты
Духовка HANSA не работает переключатель режимов 7LA GOTTAK 800810 - Электроплиты
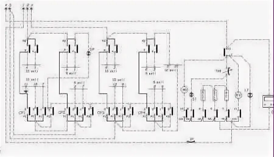
Hansa схемы подключения переключателей Электрические схемы hansa
Электрические схемы hansa
Hansa схемы подключения переключателей Ответы Mail.ru: Электроплита gorenje EC 777 w Не работает духовка, поменяли пере
Ответы Mail.ru: Электроплита gorenje EC 777 w Не работает духовка, поменяли пере
Hansa схемы подключения переключателей Переключатель Hansa 8002198, черный - купить в интернет-магазине по низкой цене
Переключатель Hansa 8002198, черный - купить в интернет-магазине по низкой цене
Hansa схемы подключения переключателей Переключатель мощности Hansa без гриля EGO 46.23866.650, новый, в наличии. Цена:
Переключатель мощности Hansa без гриля EGO 46.23866.650, новый, в наличии. Цена:
Hansa схемы подключения переключателей Схема подключения переключателя духовки фото - DelaDom.ru
Схема подключения переключателя духовки фото - DelaDom.ru
Hansa схемы подключения переключателей Ремонт переключателя духовки hansa 7la-gottak 820405 - Электроплиты ремонт - Кру
Ремонт переключателя духовки hansa 7la-gottak 820405 - Электроплиты ремонт - Кру
Hansa схемы подключения переключателей Переключатель режимов работы духовки Vestel, 32016037, 9-поз
Переключатель режимов работы духовки Vestel, 32016037, 9-поз
Hansa схемы подключения переключателей Не работает духовка в электрической плите hansa HeatProf.ru
Не работает духовка в электрической плите hansa HeatProf.ru
Hansa схемы подключения переключателей Как подключить переключатель духовки
Как подключить переключатель духовки
Hansa схемы подключения переключателей Духовка hansa не включается AnikStroy.ru
Духовка hansa не включается AnikStroy.ru
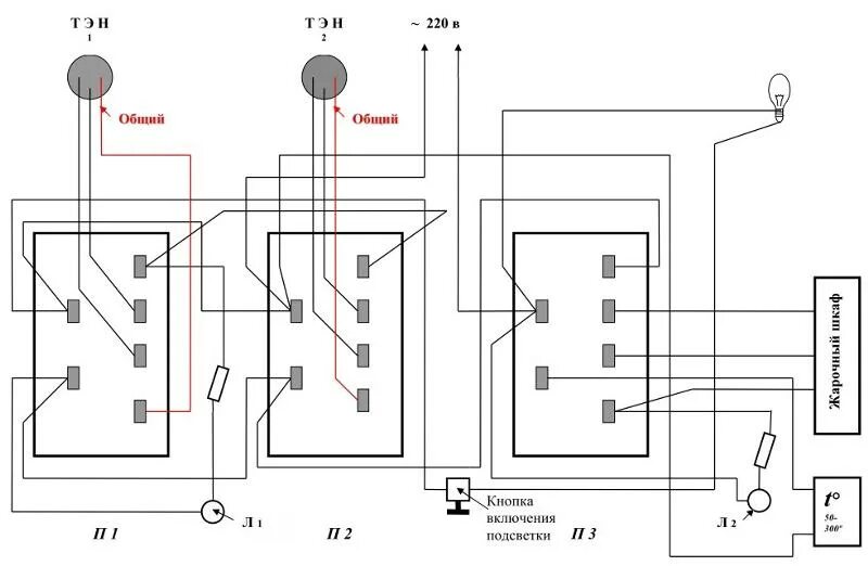
Hansa схемы подключения переключателей Электрическая схема духового шкафа - Аmk-Stroy.su
Электрическая схема духового шкафа - Аmk-Stroy.su
Hansa схемы подключения переключателей Распиновка переключателя духовки ханса
Распиновка переключателя духовки ханса
Hansa схемы подключения переключателей Ремонт электроплиты своими руками Мастер Винтик. Всё своими руками!
Ремонт электроплиты своими руками Мастер Винтик. Всё своими руками!
Hansa схемы подключения переключателей Электрическая схема духового шкафа - Аmk-Stroy.su
Электрическая схема духового шкафа - Аmk-Stroy.su
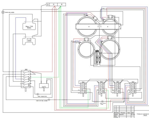
Hansa схемы подключения переключателей Схема подключения духового шкафа индезит - Аmk-Stroy.su
Схема подключения духового шкафа индезит - Аmk-Stroy.su
Hansa схемы подключения переключателей Схема электрической духовки: найдено 84 картинок
Схема электрической духовки: найдено 84 картинок
Hansa схемы подключения переключателей 7la gottak 830500 схема подключения
7la gottak 830500 схема подключения