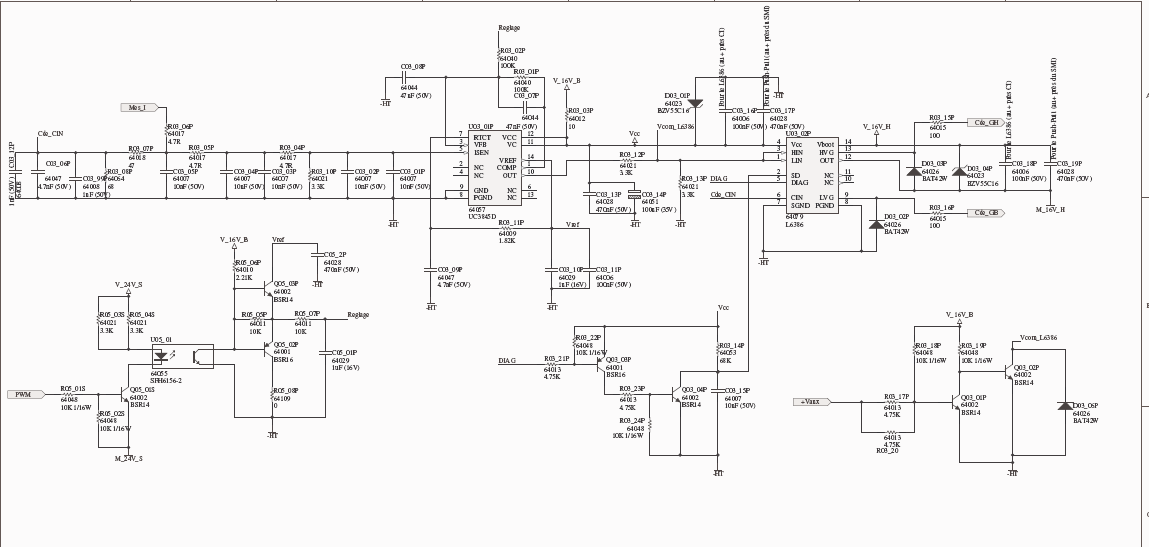
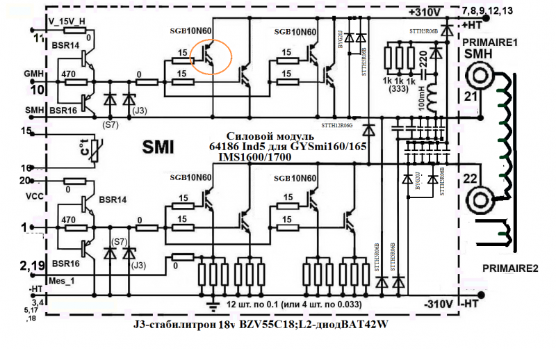
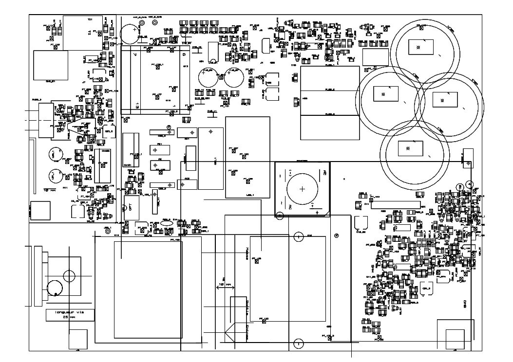
Gysmi 165 схема принципиальная электрическая

Gysmi 165 схема принципиальная электрическая Ремонт инвертора FUBAG IN160 блог
Ремонт инвертора FUBAG IN160 блог
Gysmi 165 схема принципиальная электрическая hârâit Scafandru Praf de puşcă invertor sudura gys forum baie cânta Scrie un rap
hârâit Scafandru Praf de puşcă invertor sudura gys forum baie cânta Scrie un rap
Gysmi 165 схема принципиальная электрическая GYS GYSMI-131 SCH Service Manual download, schematics, eeprom, repair info for e
GYS GYSMI-131 SCH Service Manual download, schematics, eeprom, repair info for e
Gysmi 165 схема принципиальная электрическая Demarreur schema electrique
Demarreur schema electrique
Gysmi 165 схема принципиальная электрическая Gysmi inverter gone pop (again) MIG Welding Forum
Gysmi inverter gone pop (again) MIG Welding Forum
Gysmi 165 схема принципиальная электрическая Gysmi 161 - Электроника
Gysmi 161 - Электроника
Gysmi 165 схема принципиальная электрическая FUBAG в Москве просто
FUBAG в Москве просто
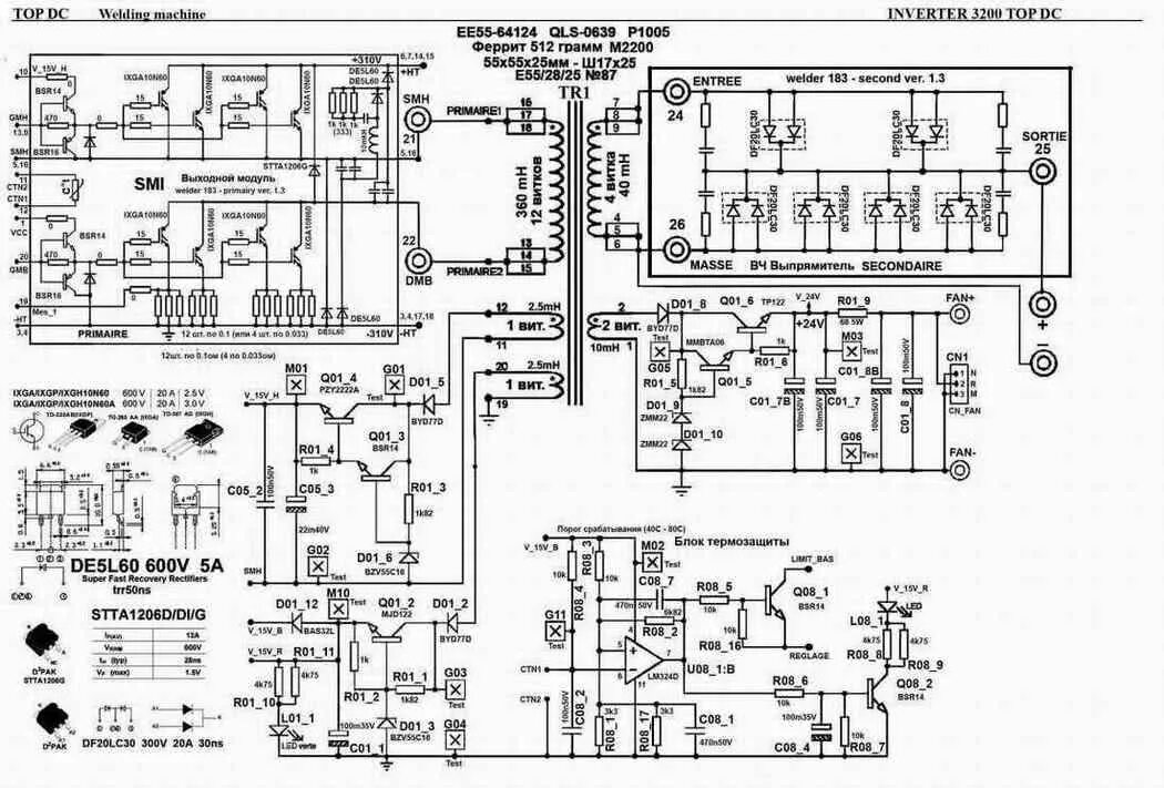
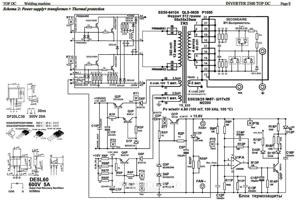
Gysmi 165 схема принципиальная электрическая GYSMI 165 INVERTER Service Manual download, schematics, eeprom, repair info for
GYSMI 165 INVERTER Service Manual download, schematics, eeprom, repair info for
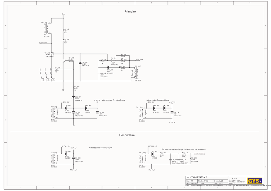
Gysmi 165 схема принципиальная электрическая Gysmi 165 схема - Basanova.ru
Gysmi 165 схема - Basanova.ru
Gysmi 165 схема принципиальная электрическая Форум РадиоКот * Просмотр темы - Вопросы, советы по ремонту сварочного инвертора
Форум РадиоКот * Просмотр темы - Вопросы, советы по ремонту сварочного инвертора
Gysmi 165 схема принципиальная электрическая Форум РадиоКот :: Просмотр темы - Вопросы, советы по ремонту сварочного инвертор
Форум РадиоКот :: Просмотр темы - Вопросы, советы по ремонту сварочного инвертор
Gysmi 165 схема принципиальная электрическая Схемы сварочных fubag
Схемы сварочных fubag
Gysmi 165 схема принципиальная электрическая Poste à souder à réparer - #12 par pelouab - Les projets et prototypes - Discour
Poste à souder à réparer - #12 par pelouab - Les projets et prototypes - Discour
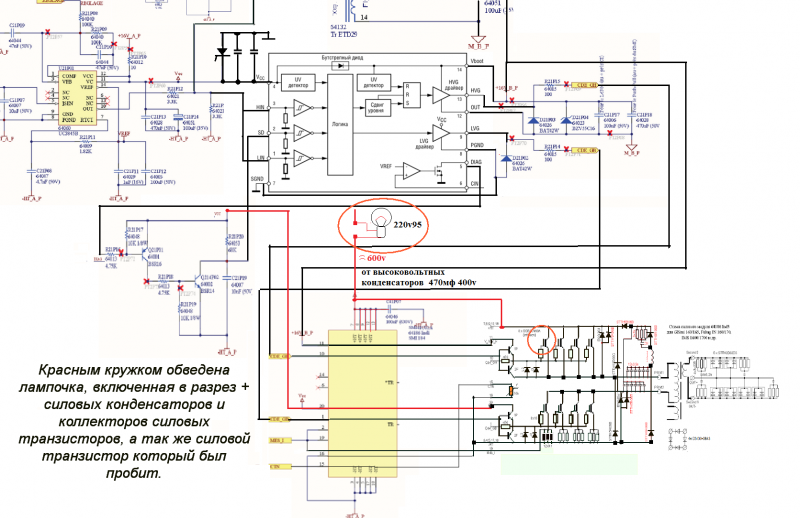
Gysmi 165 схема принципиальная электрическая Импульсные мощные(сварочные) аппараты. Ремонт схемы описания Страница 149 Форум
Импульсные мощные(сварочные) аппараты. Ремонт схемы описания Страница 149 Форум
Gysmi 165 схема принципиальная электрическая Ответы Mail.ru: Сломалась сварка, проблему нашёл, но что за деталь не знаю, подс
Ответы Mail.ru: Сломалась сварка, проблему нашёл, но что за деталь не знаю, подс
Gysmi 165 схема принципиальная электрическая GYSMI 161 INVERTER Service Manual download, schematics, eeprom, repair info for
GYSMI 161 INVERTER Service Manual download, schematics, eeprom, repair info for
Gysmi 165 схема принципиальная электрическая Gysmi 165 схема фото HobbiArt.ru
Gysmi 165 схема фото HobbiArt.ru
Gysmi 165 схема принципиальная электрическая сварочный аппарат gysmi 161
сварочный аппарат gysmi 161
Gysmi 165 схема принципиальная электрическая GYSMI 161 INVERTER Service Manual download, schematics, eeprom, repair info for
GYSMI 161 INVERTER Service Manual download, schematics, eeprom, repair info for
Gysmi 165 схема принципиальная электрическая Импульсные мощные(сварочные) аппараты. Ремонт схемы описания Страница 293 Форум
Импульсные мощные(сварочные) аппараты. Ремонт схемы описания Страница 293 Форум
Gysmi 165 схема принципиальная электрическая Принципиальная схема fubag 160 - скачать
Принципиальная схема fubag 160 - скачать
Gysmi 165 схема принципиальная электрическая GYSMI 165 INVERTER Service Manual download, schematics, eeprom, repair info for
GYSMI 165 INVERTER Service Manual download, schematics, eeprom, repair info for
Gysmi 165 схема принципиальная электрическая Форум РадиоКот * Просмотр темы - Вопросы, советы по ремонту сварочного инвертора
Форум РадиоКот * Просмотр темы - Вопросы, советы по ремонту сварочного инвертора
Gysmi 165 схема принципиальная электрическая Ремонт инвертора FUBAG IN160 блог
Ремонт инвертора FUBAG IN160 блог
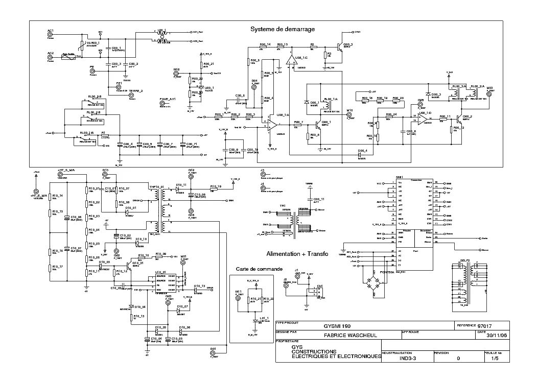
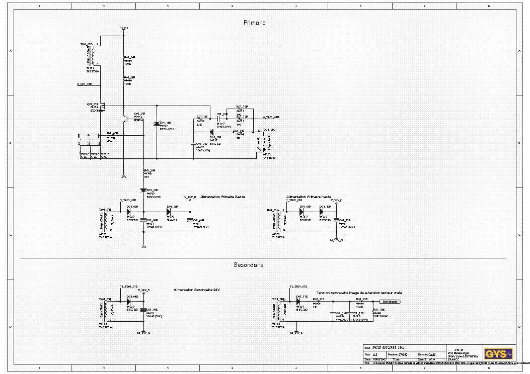
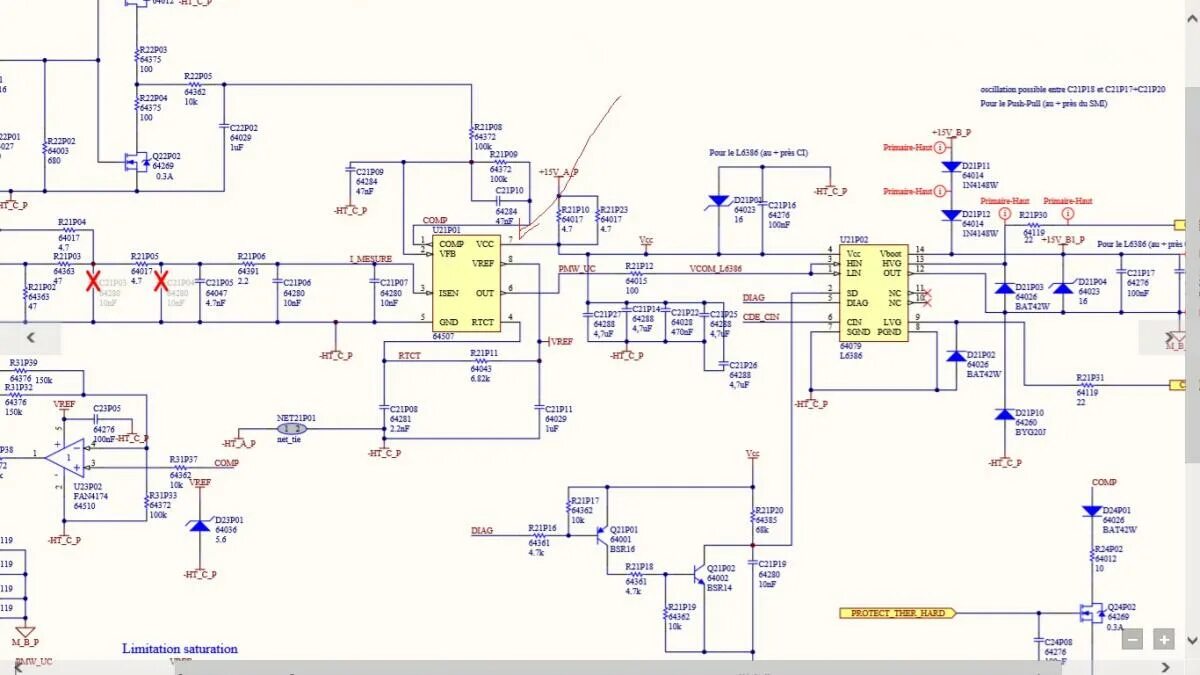
Gysmi 165 схема принципиальная электрическая GYSMI 190 IND 2 INVERTER SCH Service Manual download, schematics, eeprom, repair
GYSMI 190 IND 2 INVERTER SCH Service Manual download, schematics, eeprom, repair
Gysmi 165 схема принципиальная электрическая WWW.JOEY
WWW.JOEY
Gysmi 165 схема принципиальная электрическая Форум РадиоКот * Просмотр темы - Вопросы, советы по ремонту сварочного инвертора
Форум РадиоКот * Просмотр темы - Вопросы, советы по ремонту сварочного инвертора
Gysmi 165 схема принципиальная электрическая Schalttafel GYSMI 165 Schaltplan Manualzz
Schalttafel GYSMI 165 Schaltplan Manualzz
Gysmi 165 схема принципиальная электрическая Импульсные мощные(сварочные) аппараты. Ремонт схемы описания Страница 149 Форум
Импульсные мощные(сварочные) аппараты. Ремонт схемы описания Страница 149 Форум
Gysmi 165 схема принципиальная электрическая Форум РадиоКот * Просмотр темы - Вопросы, советы по ремонту сварочного инвертора
Форум РадиоКот * Просмотр темы - Вопросы, советы по ремонту сварочного инвертора