Granta электросхема

Granta электросхема Электросхемы Lada Granta
Электросхемы Lada Granta
Granta электросхема Fotohostingtv.RU-kalina1.png
Fotohostingtv.RU-kalina1.png
Granta электросхема Схемы электропроводки ЛАДА ГРАНТА - YouTube
Схемы электропроводки ЛАДА ГРАНТА - YouTube
Granta электросхема Электросхема гранта фл
Электросхема гранта фл
Granta электросхема Свет LGN / VFL.Ru - надёжный и быстрый фотохостинг с 2009 года
Свет LGN / VFL.Ru - надёжный и быстрый фотохостинг с 2009 года
Granta электросхема Панель гранты схема - найдено 78 картинок
Панель гранты схема - найдено 78 картинок
Granta электросхема Схема подключения гранта
Схема подключения гранта
Granta электросхема Проводка лады гранты - найдено 90 картинок
Проводка лады гранты - найдено 90 картинок
Granta электросхема Обзор книг по эксплуатации Лады Гранты Лифтбек и другое
Обзор книг по эксплуатации Лады Гранты Лифтбек и другое
Granta электросхема Ищу электросхемы для Lada Granta FL Luxe Prestige
Ищу электросхемы для Lada Granta FL Luxe Prestige
Granta электросхема Траблы при установке сигнализации. - Lada Гранта, 1,6 л, 2012 года электроника D
Траблы при установке сигнализации. - Lada Гранта, 1,6 л, 2012 года электроника D
Granta электросхема Схема Лада Ларгус
Схема Лада Ларгус
Granta электросхема Купить книгу LADA Granta седан лифтбек универсал кросс с 2011 г по 2020 г в цвет
Купить книгу LADA Granta седан лифтбек универсал кросс с 2011 г по 2020 г в цвет
Granta электросхема Предохранители и реле Лада Гранта - Voyager-77
Предохранители и реле Лада Гранта - Voyager-77
Granta электросхема Неисправности двигателя гранта 8 клапанная - Лада Гранта Фан-клуб
Неисправности двигателя гранта 8 клапанная - Лада Гранта Фан-клуб
Granta электросхема № 12 Не работает вентилятор и чистка патрубка - Lada Гранта, 1,6 л, 2015 года св
№ 12 Не работает вентилятор и чистка патрубка - Lada Гранта, 1,6 л, 2015 года св
Granta электросхема книга по ремонту приоры "За рулем" - Lada Приора универсал, 1,6 л, 2011 года наб
книга по ремонту приоры "За рулем" - Lada Приора универсал, 1,6 л, 2011 года наб
Granta электросхема Схема соединения жгута проводов панели приборов на автомобиле Лада Гранта ВАЗ 21
Схема соединения жгута проводов панели приборов на автомобиле Лада Гранта ВАЗ 21
Granta электросхема Переход на механический газ и Январь 7.2 - Lada Гранта, 1,6 л, 2012 года тюнинг
Переход на механический газ и Январь 7.2 - Lada Гранта, 1,6 л, 2012 года тюнинг
Granta электросхема Схема электрооборудования Лада Калина
Схема электрооборудования Лада Калина
Granta электросхема Распиновка проводки Лада Гранта Система зажигания, Ладан, Автомобиль
Распиновка проводки Лада Гранта Система зажигания, Ладан, Автомобиль
Granta электросхема Схема электропроводки лада гранта - BestChehol.ru
Схема электропроводки лада гранта - BestChehol.ru
Granta электросхема Схема электрических соединений жгута проводов заднего Лада Гранта 1 (Lada Granta
Схема электрических соединений жгута проводов заднего Лада Гранта 1 (Lada Granta
Granta электросхема Схема электрооборудования Лада Гранта
Схема электрооборудования Лада Гранта
Granta электросхема Схемы Гранта норма - DRIVE2
Схемы Гранта норма - DRIVE2
Granta электросхема лада гранта 219020 2014г АКПП dtc po504 - Отечественный автопром ВАЗ - Автомобил
лада гранта 219020 2014г АКПП dtc po504 - Отечественный автопром ВАЗ - Автомобил
Granta электросхема Схема электрооборудования Лада Гранта
Схема электрооборудования Лада Гранта
Granta электросхема Необходимо обсуждение и помощь по схеме. - Lada Гранта, 1,6 л, 2013 года электро
Необходимо обсуждение и помощь по схеме. - Lada Гранта, 1,6 л, 2013 года электро
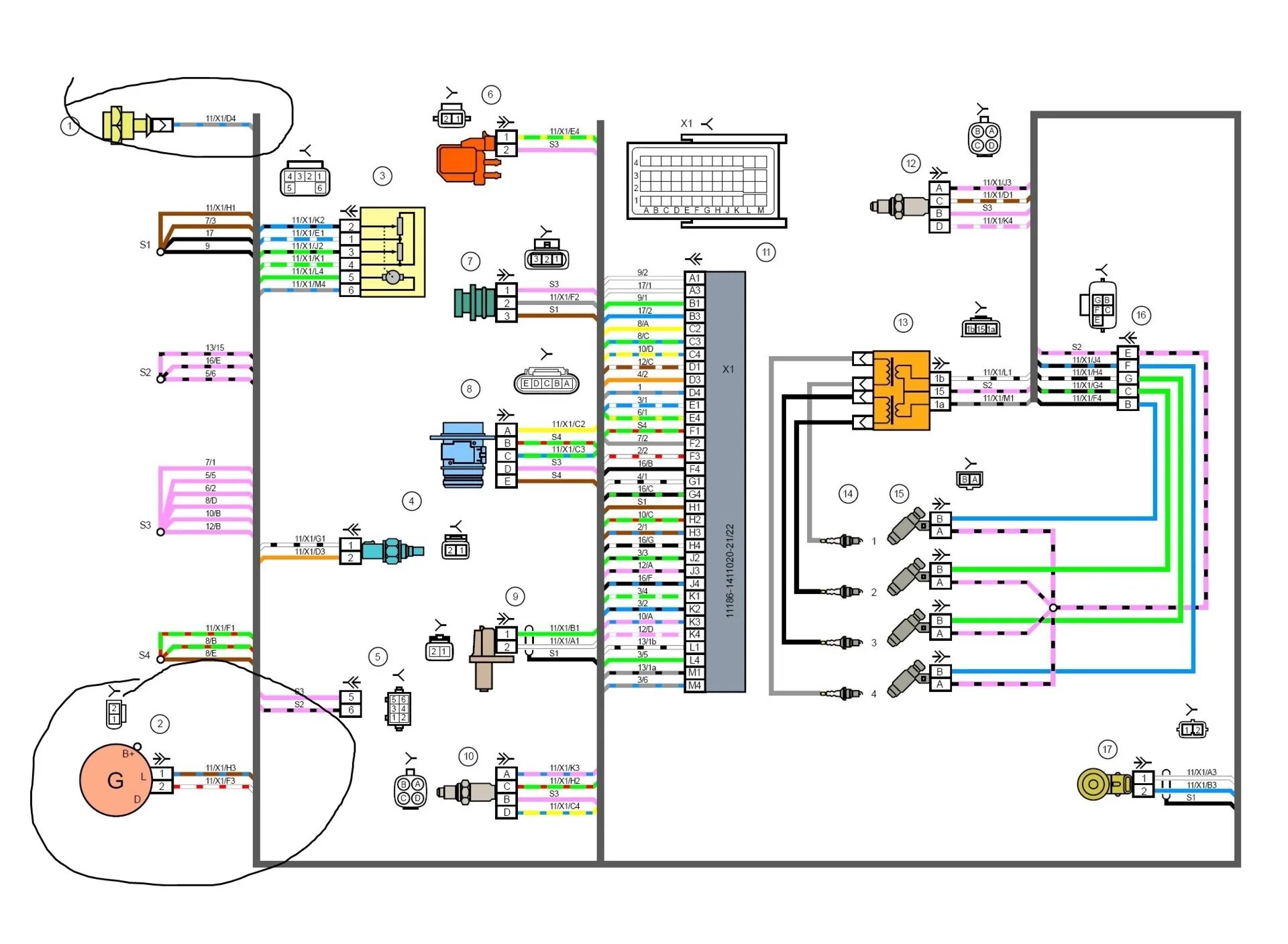
Granta электросхема Схемы электрических соединений автомобилей LADA GRANTA 2012 - Сообщество "Лада Г
Схемы электрических соединений автомобилей LADA GRANTA 2012 - Сообщество "Лада Г
Granta электросхема #0 принципиальная электрическая схема автомобиля ВАЗ- 2190 - Lada Гранта, 1,6 л,
#0 принципиальная электрическая схема автомобиля ВАЗ- 2190 - Lada Гранта, 1,6 л,