Goldstar cf 20a80y как подключить к приставке

Goldstar cf 20a80y как подключить к приставке Ответы Mail.ru: Как настроить старый телевизор GoldStar
Ответы Mail.ru: Как настроить старый телевизор GoldStar
Goldstar cf 20a80y как подключить к приставке Инструкция по эксплуатации телевизора голдстар
Инструкция по эксплуатации телевизора голдстар
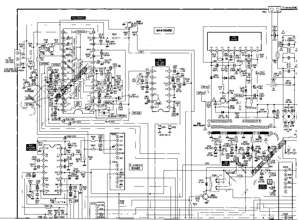
Goldstar cf 20a80y как подключить к приставке Схема телевизора Goldstar CF-14/20/21 B70Y " Вот схема! - Электронные схемы
Схема телевизора Goldstar CF-14/20/21 B70Y " Вот схема! - Электронные схемы
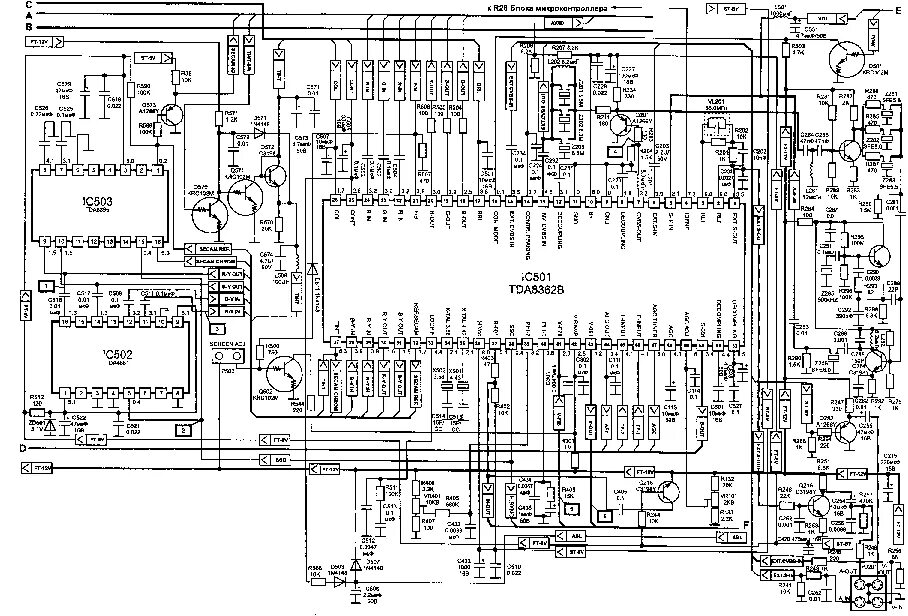
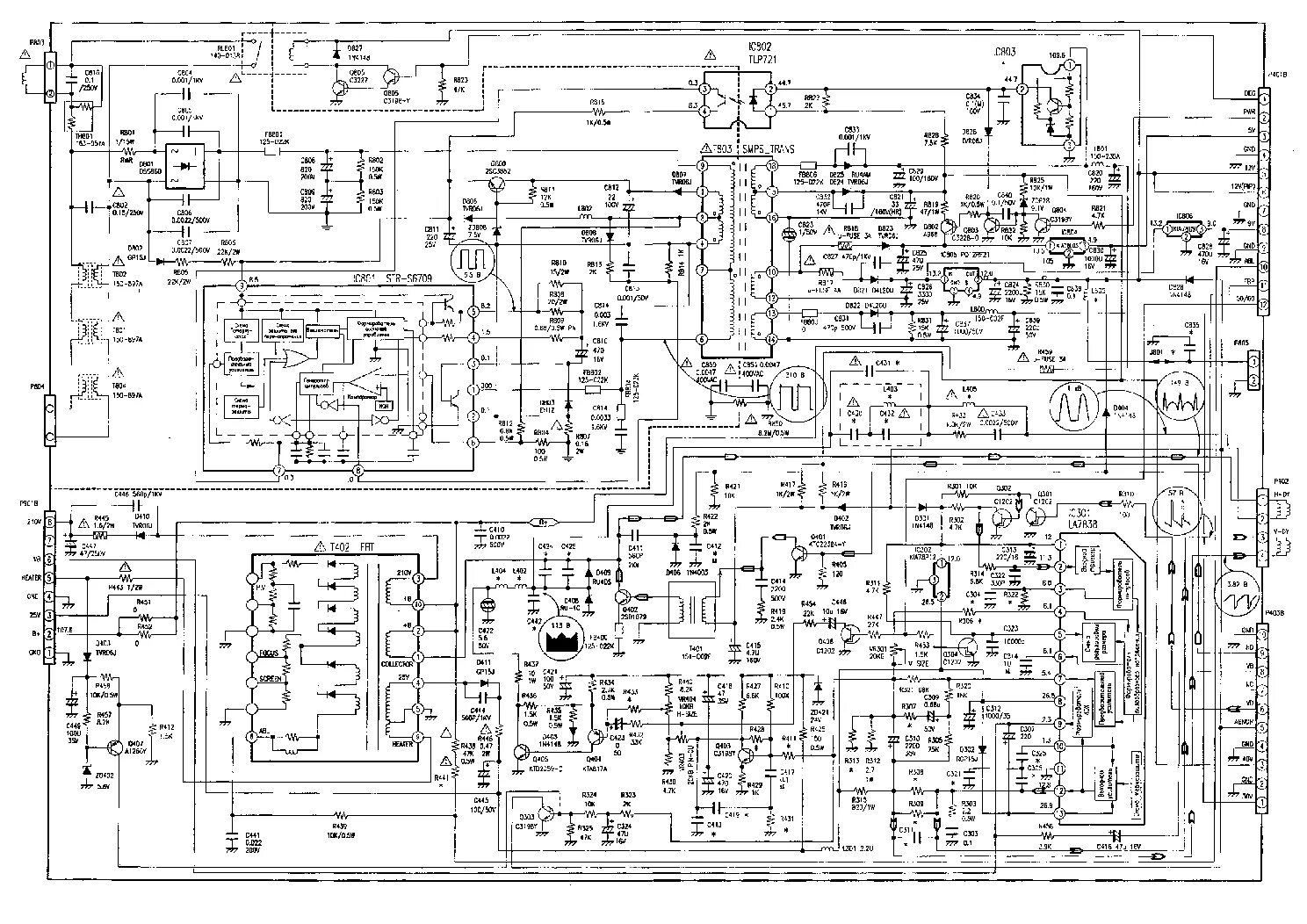
Goldstar cf 20a80y как подключить к приставке Схема телевизора голдстар cf 20a80y
Схема телевизора голдстар cf 20a80y
Goldstar cf 20a80y как подключить к приставке Схема goldstar twp 8203 фото - PwCalc.ru
Схема goldstar twp 8203 фото - PwCalc.ru
Goldstar cf 20a80y как подключить к приставке Телевизор "GoldStar CF-20A80Y" купить в Волгоградской области на Avito - Объявле
Телевизор "GoldStar CF-20A80Y" купить в Волгоградской области на Avito - Объявле
Goldstar cf 20a80y как подключить к приставке Инструкция по эксплуатации телевизора голдстар
Инструкция по эксплуатации телевизора голдстар
Goldstar cf 20a80y как подключить к приставке Телевизор ЭЛТ GoldStar CF-21A80Y - купить в Коврове, цена 500 руб., продано 26 я
Телевизор ЭЛТ GoldStar CF-21A80Y - купить в Коврове, цена 500 руб., продано 26 я
Goldstar cf 20a80y как подключить к приставке Пульт голдстар инструкция
Пульт голдстар инструкция
Goldstar cf 20a80y как подключить к приставке Добрый вечер.спорим с другом с другом по поводу 3ей руки) посоветуйте варианты ц
Добрый вечер.спорим с другом с другом по поводу 3ей руки) посоветуйте варианты ц
Goldstar cf 20a80y как подключить к приставке Ответы Mail.ru: Телевизор GoldStar CF 20A80B. Ищу инструкцию и кодер цифрового с
Ответы Mail.ru: Телевизор GoldStar CF 20A80B. Ищу инструкцию и кодер цифрового с
Goldstar cf 20a80y как подключить к приставке GOLDSTAR CF-21F80 SCH Service Manual download, schematics, eeprom, repair info f
GOLDSTAR CF-21F80 SCH Service Manual download, schematics, eeprom, repair info f
Goldstar cf 20a80y как подключить к приставке Goldstar Cf 20e20b Пропало Изображение И Звук - Телевизоры и мониторы - Форум по
Goldstar Cf 20e20b Пропало Изображение И Звук - Телевизоры и мониторы - Форум по
Goldstar cf 20a80y как подключить к приставке Инструкция по эксплуатации телевизора голдстар
Инструкция по эксплуатации телевизора голдстар
Goldstar cf 20a80y как подключить к приставке GOLDSTAR CF-29B20 SCH Service Manual download, schematics, eeprom, repair info f
GOLDSTAR CF-29B20 SCH Service Manual download, schematics, eeprom, repair info f
Goldstar cf 20a80y как подключить к приставке Goldstar CB14F84X CB20F84X
Goldstar CB14F84X CB20F84X
Goldstar cf 20a80y как подключить к приставке GOLDSTAR KF-14-20-21U30 CHASSIS MC48A SM Service Manual download, schematics, ee
GOLDSTAR KF-14-20-21U30 CHASSIS MC48A SM Service Manual download, schematics, ee
Goldstar cf 20a80y как подключить к приставке Ремонт телевизоров GoldStar в Волгограде
Ремонт телевизоров GoldStar в Волгограде
Goldstar cf 20a80y как подключить к приставке GOLDSTAR CKT2870 2871 PC12 Service Manual download, schematics, eeprom, repair i
GOLDSTAR CKT2870 2871 PC12 Service Manual download, schematics, eeprom, repair i
Goldstar cf 20a80y как подключить к приставке GOLDSTAR CF-20A80 SUPRA STV-1495W 2095W CHASSIS MC34A SCH Service Manual downloa
GOLDSTAR CF-20A80 SUPRA STV-1495W 2095W CHASSIS MC34A SCH Service Manual downloa
Goldstar cf 20a80y как подключить к приставке Инструкция по эксплуатации телевизора голдстар
Инструкция по эксплуатации телевизора голдстар
Goldstar cf 20a80y как подключить к приставке Ответы Mail.ru: Не могу восстановить звук в телевизоре Goldstar.
Ответы Mail.ru: Не могу восстановить звук в телевизоре Goldstar.
Goldstar cf 20a80y как подключить к приставке GOLDSTAR MC64A Service Manual download, schematics, eeprom, repair info for elec
GOLDSTAR MC64A Service Manual download, schematics, eeprom, repair info for elec
Goldstar cf 20a80y как подключить к приставке У меня проблема на даче старый телевизор еще голдстар у него - Ji JT2-2701 Ответ
У меня проблема на даче старый телевизор еще голдстар у него - Ji JT2-2701 Ответ
Goldstar cf 20a80y как подключить к приставке GOLDSTAR CF-20A80V SCH Service Manual download, schematics, eeprom, repair info
GOLDSTAR CF-20A80V SCH Service Manual download, schematics, eeprom, repair info
Goldstar cf 20a80y как подключить к приставке GOLDSTAR CI 14A50 20A50 Service Manual download, schematics, eeprom, repair info
GOLDSTAR CI 14A50 20A50 Service Manual download, schematics, eeprom, repair info
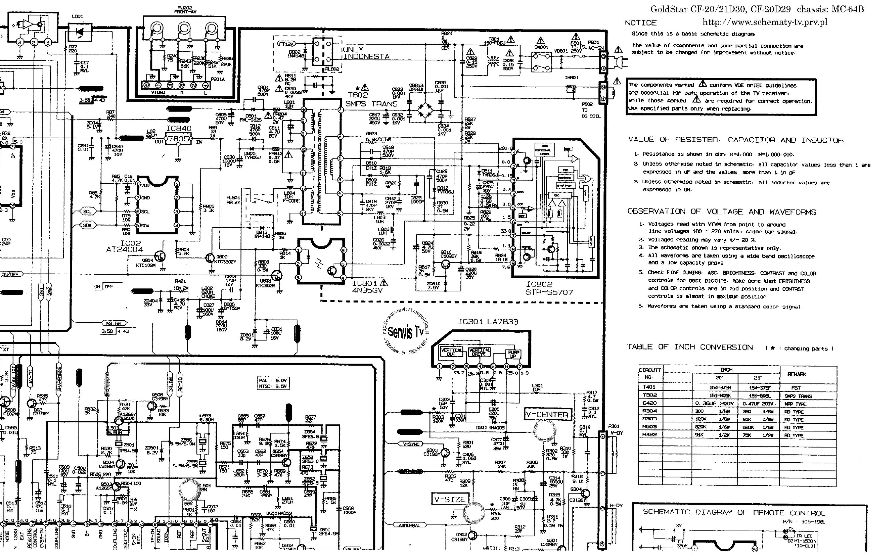
Goldstar cf 20a80y как подключить к приставке Схемы: LG CF-20E.. пошагово
Схемы: LG CF-20E.. пошагово
Goldstar cf 20a80y как подключить к приставке Схема телевизора голдстар cf 20a80y
Схема телевизора голдстар cf 20a80y
Goldstar cf 20a80y как подключить к приставке Схема телевизора Goldstar CF-14/20/21 B70Y " Вот схема! - Электронные схемы
Схема телевизора Goldstar CF-14/20/21 B70Y " Вот схема! - Электронные схемы
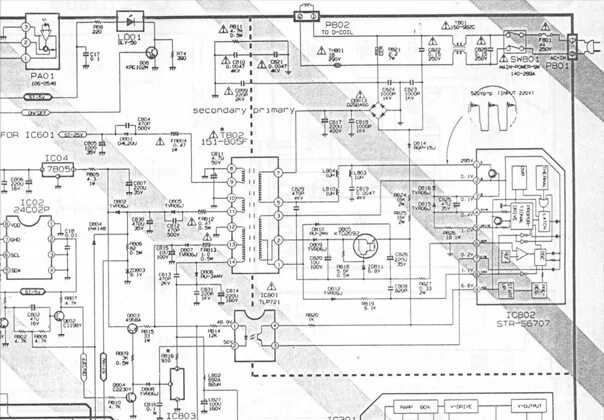
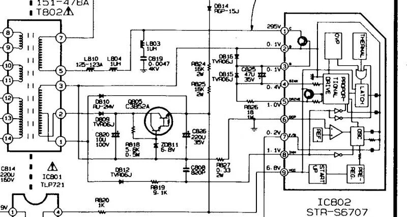
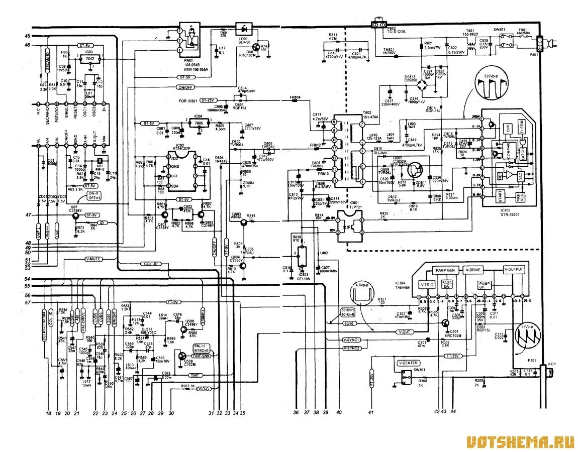
Goldstar cf 20a80y как подключить к приставке БП вышел из строя. Goldstar CF-20A80Y, ш. MC-41. - Форум
БП вышел из строя. Goldstar CF-20A80Y, ш. MC-41. - Форум