Gidrolock подключение датчика

Gidrolock подключение датчика Как подключить датчик протечки воды gidrolock - 93 фото портал мастеров webdonsk
Как подключить датчик протечки воды gidrolock - 93 фото портал мастеров webdonsk
Gidrolock подключение датчика Датчик протечки воды ГИДРОЛОК WSP, аналоговый, 3м
Датчик протечки воды ГИДРОЛОК WSP, аналоговый, 3м
Gidrolock подключение датчика Системы защиты от протечек: Жизнь, полная впечатлений: трансляция с mp5.ru: Блог
Системы защиты от протечек: Жизнь, полная впечатлений: трансляция с mp5.ru: Блог
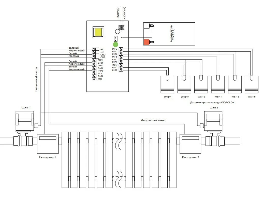
Gidrolock подключение датчика Инструкция на систему серии Гидролок Winner Паспорт. 2019г
Инструкция на систему серии Гидролок Winner Паспорт. 2019г
Gidrolock подключение датчика Как подключить фло для двоих
Как подключить фло для двоих
Gidrolock подключение датчика ГИДРОЛОК WSP - Датчик протечки воды, аналоговый, 3м, предназначен для обнаружени
ГИДРОЛОК WSP - Датчик протечки воды, аналоговый, 3м, предназначен для обнаружени
Gidrolock подключение датчика Защиты от протечек GidroLock vs Нептун: как правильно готовить этот зоопарк? - C
Защиты от протечек GidroLock vs Нептун: как правильно готовить этот зоопарк? - C
Gidrolock подключение датчика Умный Дом и контроль протечки воды
Умный Дом и контроль протечки воды
Gidrolock подключение датчика 20500132: Блок Управления STANDARD (Гидролок) - купить по низкой цене в Москве с
20500132: Блок Управления STANDARD (Гидролок) - купить по низкой цене в Москве с
Gidrolock подключение датчика Защиты от протечек GidroLock vs Нептун: как правильно готовить этот зоопарк? - C
Защиты от протечек GidroLock vs Нептун: как правильно готовить этот зоопарк? - C
Gidrolock подключение датчика Паспорт-инструкция на систему Гидролок Премиум 2017-2020г (Gidrolock Premium)
Паспорт-инструкция на систему Гидролок Премиум 2017-2020г (Gidrolock Premium)
Gidrolock подключение датчика Комплект GIDROLOCK PREMIUM WESA 3/4 - купить в интернет-магазине по низкой цене
Комплект GIDROLOCK PREMIUM WESA 3/4 - купить в интернет-магазине по низкой цене
Gidrolock подключение датчика Гидролоки Амперка / Форум
Гидролоки Амперка / Форум
Gidrolock подключение датчика Установка системы защиты от протечек воды GIDROLOCK на беспроводных датчиках
Установка системы защиты от протечек воды GIDROLOCK на беспроводных датчиках
Gidrolock подключение датчика Комплект Gidrоlock Standard BUGATTI 1/2 - купить по выгодной цене на Яндекс Марк
Комплект Gidrоlock Standard BUGATTI 1/2 - купить по выгодной цене на Яндекс Марк
Gidrolock подключение датчика 20800132: Блок управления CONTROL (Гидролок) - купить по низкой цене в Москве с
20800132: Блок управления CONTROL (Гидролок) - купить по низкой цене в Москве с
Gidrolock подключение датчика Блок управления UNIVERSAL DIN-рейка GIDROLOCK - купить по каталогу, цена
Блок управления UNIVERSAL DIN-рейка GIDROLOCK - купить по каталогу, цена
Gidrolock подключение датчика Сравнение блоков и систем Гидролок по функционалу
Сравнение блоков и систем Гидролок по функционалу
Gidrolock подключение датчика Стоит ли покупать Беспроводная система от протечек Gidrolock Квартира G-lock Ult
Стоит ли покупать Беспроводная система от протечек Gidrolock Квартира G-lock Ult
Gidrolock подключение датчика Блок управления STANDARD для контроля проводных датчиков GIDROLOCK - купить по к
Блок управления STANDARD для контроля проводных датчиков GIDROLOCK - купить по к
Gidrolock подключение датчика Подключение Гидролок
Подключение Гидролок
Gidrolock подключение датчика Комплект Gidrolock Premium BUGATTI 1/2 - купить недорого в Москве ForWater
Комплект Gidrolock Premium BUGATTI 1/2 - купить недорого в Москве ForWater
Gidrolock подключение датчика Сравнение блоков и систем Гидролок по функционалу
Сравнение блоков и систем Гидролок по функционалу
Gidrolock подключение датчика Гидролок радио
Гидролок радио
Gidrolock подключение датчика Установка системы защиты от протечек воды GIDROLOCK на беспроводных датчиках
Установка системы защиты от протечек воды GIDROLOCK на беспроводных датчиках
Gidrolock подключение датчика Стоит ли покупать Беспроводная система от протечек Gidrolock Квартира G-lock Ult
Стоит ли покупать Беспроводная система от протечек Gidrolock Квартира G-lock Ult
Gidrolock подключение датчика Блок управления STANDARD для контроля проводных датчиков GIDROLOCK - купить по к
Блок управления STANDARD для контроля проводных датчиков GIDROLOCK - купить по к
Gidrolock подключение датчика Паспорт-инструкция на систему Гидролок Премиум 2017-2020г (Gidrolock Premium)
Паспорт-инструкция на систему Гидролок Премиум 2017-2020г (Gidrolock Premium)
Gidrolock подключение датчика Блок управления STANDARD RADIO GIDROLOCK - купить по каталогу, цена
Блок управления STANDARD RADIO GIDROLOCK - купить по каталогу, цена